精英家教网 > 初中物理 > 题目详情
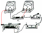
3.某实验小组做“伏安法测量电阻”的实验,所用的器材有:电压为3V的电源,待测电阻Rx,以及符合实验要求的滑动变阻器、电流表、电压表、导线和开关.图(甲)是没有连接完整的实物电路.
(1)请你用笔画线代替导线将实物电路连接完整.
(2)连好电路闭合开关前,应将滑动变阻器滑片P置于最左端(选填“最左”或“最右”).
(3)实验中,闭合开关,移动滑片.电流表、电压表均无示数.为了检查电路故障,他们借助一根检测导线进行检测,当该导线两端分别接不同点时.对应的现象如下表所示.由此可以判断电路发生的故障是cd间断路.
检测导线接点现象
a,b电压表、电流表均无示数
a,c电压表、电流表均无示数
a,d电压表、电流表均有示数
c,d电压表、电流表均有示数
(4)排除故障后进行实验,当电压表示数为2.4V时电流表的示数如图(乙)所示,这时电流为0.3A,他们利用此组数据即得出该待测电阻Rx的阻值,结束了实验.你认为他们这种做法有何不妥?答只测一次,误差较大.

分析 (1)本实验中电流表和滑动变阻器串联入电路,注意变阻器要一上一下接,电压表测灯泡两端电压,根据电源电压确定量程;
(2)闭合开关前,应将滑动变阻器滑片P置于最大值处;
(3)电压表和电流表均无示数,电路是断路.(电路只有一处断路)
当导线连接两点时,不能改变电压表和电流表示数时,断路不在导线连接的两点之间.当导线连接两点时,改变电压表和电流表示数时,断路在导线连接的两点之间.
(4)电流表读数:确定使用的量程和分度值.
待测电阻RX是定值电阻,要多次测量求电阻的平均值,可以减小误差,只有一组数据得出待测电阻阻值是不妥的.

解答 解:
(1)伏安法测量电阻的实验中,电流表和滑动变阻器串联入电路,注意变阻器要一上一下接,电压表测灯泡两端电压,所以应与灯泡并联,因为电源电压为3V,所以电压表应使用0-3V量程.如图所示:

(2)为了保护电路安全,闭合开关前,应将滑动变阻器滑片P置于最大值左端;
(3)电压表和电流表无示数,电路是断路.(只有一处断路)
导线连接在a、d之间,改变电压表和电流表的示数,断路在a、d之间.
导线连接在c、d之间,改变电压表和电流表的示数,断路在c、d之间.
导线连接在a、b之间,a、c之间都不能改变电压表和电流表示数,断路不在a、b和a、c之间.
所以断路在c、d之间.
(4)电流表使用的0~0.6A量程,每一个大格代表0.2A,每一个小格代表0.02A,电流为0.3A.
只有一组数据得出定值电阻的阻值,误差太大,要进行多次测量求平均值来减小误差.
故答案为:
(1)见上图;
(2)最左;
(3)cd间断路;
(4)0.3;只测一次,误差较大.

点评 实验过程中常用导线和电压表来检测电路断路(只有一处断路).
(1)当导线连接两点时,不能改变电压表和电流表示数时,断路不在导线连接的两点之间.当导线连接两点时,改变电压表和电流表示数时,断路在导线连接的两点之间.
(2)电压表并联在两点之间,电压表有示数,断路在电压表并联的两点之间.电压表无示数,断路在电压表并联的两点之外.

练习册系列答案
相关习题

科目:初中物理 来源: 题型:解答题

13.在同一地方,夏天大树树荫下的气温要比阳光直晒下的气温低,其主要原因是什么呢?几位同学有不同意见:小王认为主要是树叶不断散发出大量的水分,有降温的作用;小李认为主要是树叶挡住了太阳光的辐射,所以树荫下的气温降低了.
请回答下列问题:
(1)小王认为主要是“树叶不断散发出大量的水分,有降温的作用”的科学原理是液态水蒸发会吸收环境中的热量.
(2)小方认为造成树荫下的气温要比阳光直晒下的气温低,除了小王和小李说的原因外,从能量转化的角度看,还有一个较重要原因,你认为这个原因是部分太阳能通过光合作用转化为化学能.
(3)小李针对自己的猜想,设计以下的实验来加以验证:
①在同一地点选择间隔适当,阳光照射、周边环境一样,树种、大小、长势、树形都相同的两棵树,分别编号为A和B.
②在B树全部树叶的正反两面喷上一层极薄无色无害不溶于水的透明膜,阻止树叶水分蒸发.(透明膜经过一段时间后,会自动分解)
③选择无风晴天的中午实验地点进行测量,同时测定离地1.5米高处的三个点的气温.这三个点的气温分别是:A树下的气温(T1)、B树下的气温(T2)、阳光直晒下的气温(T3).测温时,其中两支温度计放置地点除离地高度相同外,还应离树干的距离相同.
④若不考虑小方说的造成树荫下气温低的原因,要证明小李的猜想是正确的,测量得到的数据(T1、T2、T3)之间的温差关系式应是T3-T2>T2-T1

查看答案和解析>>

科目:初中物理 来源: 题型:解答题

14.某同学用弹簧测力计、量筒、水和石块做测定浮力的实验,如图所示,
(1)石块所受浮力大小是1N.
(2)排开水重力是1N.
(3)根据图中情景,分析、比较相关数据,可以得出结论是浸在液体中的物体所受浮力等于物体所排开的液体的重力.

查看答案和解析>>

科目:初中物理 来源: 题型:填空题

11.定滑轮实质是一个等臂杠杆,所以使用定滑轮不省力.

查看答案和解析>>

科目:初中物理 来源: 题型:解答题

18.按要求完成下列各小题:
(1)如图所示,是探究“动能的大小与哪些因素有关”的实验:
①用质量不同的A、B两个小球(mA>mB)碰撞静止在同一水平面上的纸盒.实验中控制小球在斜面上的高度相同,是为了控制两球到达斜面底端时速度相同;实验中通过观察纸盒被推动的距离的大小,可以比较A、B两个小球的动能 的大小.
②将(甲)与(丙)两实验比较可知,小球动能的大小与小球的质量有关.
③本实验采用的研究方法是控制变量法、转换法.

(2)U形管压强计两边液面的高度差可表示液体内部压强的大小.利用图2的器材进行实验,可以研究水内部压强的大小与深度或方向的关系;若要继续研究液体内部的压强大小与方向的关系,则应使两橡皮膜置于液体中的深度相同,橡皮膜所对的方向不相同(后两空均选填“相同”或“不相同”).

查看答案和解析>>

科目:初中物理 来源: 题型:解答题

8.要测定一个额定电压为2.5V的小灯泡的额定功率.

(1)按图1电路图连接图2实物电路.
(2)电路接通后,调节滑动变阻器滑片的位置,小灯泡始终不发光,电压表始终没有示数,电流表有示数且随滑片的位置变化而变化.导致这种现象可能的原因是:灯泡短路.
(3)小灯泡正常发光时,电流表指针的位置如图3所示,则通过小灯泡的电流是0.26A,小灯泡的额定功率是0.65W.
(4)规格为“3.8V  0.3A”“2.5V  0.3A”的小灯泡,其外形一样.为鉴别它们,某同学将这两个小灯泡同时接入电路中,通过观察它们的亮度,很容易就将它们鉴别出来了.请画出他所连接的完整的电路图,并对他的鉴别方法进行简要解释.

查看答案和解析>>

科目:初中物理 来源: 题型:选择题

15.用简单机械提升物体,当不计摩擦及机械自身重力时,可能省力也可能费力的机械是(  )
A.动滑轮B.滑轮组C.定滑轮D.杠杆

查看答案和解析>>

科目:初中物理 来源: 题型:填空题

12.10mL的水和10mL的酒精混合后的总体积为18.6mL,这一现象说明了分子之间有间隙,酒精很难被压缩说明分子之间有斥力;小朋友吹泡泡时,阳光下薄的肥皂泡没有立即破灭,这是因为分子间有引力.

查看答案和解析>>

科目:初中物理 来源: 题型:解答题

13.在探究“液体压强跟哪些因素有关”的实验中,进行了如图所示的操作,请你解答下列问题:
(1)甲、乙两图是探究液体压强与液体深度的关系;
(2)要探究液体压强与盛液体的容器形状是否相关,应选择丙和丁两图进行对比,结论是:液体压强与盛液体容器形状无关(填“有关”或“无关”);
(3)选用乙、丙图进行对比,是为了探究液体压强与液体密度的关系.

查看答案和解析>>

同步练习册答案