精英家教网 > 初中物理 > 题目详情
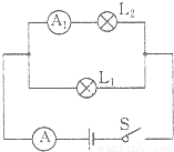
如图所示电路中,电流表A的示数为0.8A.电流表A1的示数为0.5A,则通过灯泡L1的电流为    ,通过电源的电流为   
【答案】分析:(1)掌握并联电路电流的特点:干路电流等于各支路电流之和;
(2)分析电路的连接方式及电流表所测的电路.
解答:解:由图知,两灯泡并联,A1测通过L2的电流,所以L2的电流为0.5A,A测干路中的电流,所以干路电流为0.8A,电源电流也为0.8A,通过L1的电流I1=0.8A-0.5A=0.3A.
故答案为:0.3A;0.8A.
点评:此题考查了有关并联电路电流的规律,解决此题的关键是分析出电流表所测的电路.
练习册系列答案
相关习题

科目:初中物理 来源: 题型:

12、如图所示电路中,电流表示数为0.46A,如果把灯和电流表的位置互换一下,电流表的示数应是
0.46
A.

查看答案和解析>>

科目:初中物理 来源: 题型:

(2004?哈尔滨)如图所示电路中,电流电压保持不变,开关S由断开到闭合,下列表述中正确的是(  )

查看答案和解析>>

科目:初中物理 来源: 题型:

用电流表测如图所示电路中的电流,下列说法正确的是(  )

查看答案和解析>>

科目:初中物理 来源:不详 题型:填空题

如图所示电路中,电流表示数为0.46A,如果把灯和电流表的位置互换一下,电流表的示数应是______A.

精英家教网

查看答案和解析>>

科目:初中物理 来源:不详 题型:多选题

用电流表测如图所示电路中的电流,下列说法正确的是(  )
A.将电流表接在a处时,可测量流过两只灯泡的总电流
B.将电流表接在c处时,只能测出流过灯泡L2的电流
C.将电流表接在d处时,只能测出流过灯泡L1的电流
D.不管电流表接在何处,都能测出流过电流表本身的电流
精英家教网

查看答案和解析>>

同步练习册答案