精英家教网 > 初中物理 > 题目详情
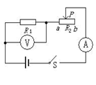
如图所示的电路中,电源两端电压为6V并保持不变。定值电阻R1的阻值为100Ω,滑动变阻器R2的最大阻值为50Ω。当开关S闭合时,滑动变阻器的滑片Pb端移到a端的过程中,下列说法中正确的是(  )
A.电压表的示数变大,电流表的示数变小
B.电流表和电压表的示数都不变
C.电流表的示数变化范围为0.04A~0.06A
D.电压表的示数变化范围为4V~6V
CD解析:
当开关S闭合时,滑动变阻器的滑片Pb端移到a端的过程中,滑动变阻器的阻值逐渐减小,电源电压不变,所以电流在不断变大。定值电阻的阻值不变,电流在不断变大,所以两端电压变大,电压表的示数变大。当滑片P在b端时,总阻值最大,R=150Ω,U=6v,所以电流为I=U/R=6V/150Ω=0.04A,此时电压表的示数为U1=IR1=0.04A×100Ω=4V,当滑片P在a位置时,总阻值是100欧姆,根据公式求出电流数值为0.06A,电压表的示数为6V.所以CD正确。
练习册系列答案
相关习题

科目:初中物理 来源: 题型:

在如图所示的电路中,用电压表、电流表测电阻Rx的阻值:
(1)将实验电路补画完整.
精英家教网
(2)当滑片移到某一位置时,电压表、电流表的示数如图所示,则Rx的阻值为
 
Ω;
精英家教网
(3)某同学在实验中,不小心将滑动变阻器损坏(不能使用)了,一时又找不到其他变阻器.如果不用滑动变阻器,可能对实验结果的影响是
 

你能否利用身边的物品代替滑动变阻器完成该实验,说出你的做法:
 

(4)在测出电阻值后,该同学继续实验--研究导体中电流跟电阻的关系(滑动变阻器完好).他观察电表指针在某一合适的位置,取下Rx,换上另一较大电阻R0,下一步的操作是
 
,目的是
 

查看答案和解析>>

科目:初中物理 来源: 题型:

(2013?顺义区一模)在如图所示的电路中,电源两端电压不变.当只闭合开关S1且滑动变阻器R3接入电路电阻值最大时,电压表的示数为3.6V,滑动变阻器消耗的电功率为1.44W,电阻R1消耗的电功率为P1.当只闭合开关S2且滑动变阻器R3的滑片P在中点时,电压表示数为4.5V,电阻R2消耗的电功率为P2.若P1:P2=8:15,则电阻R2在1min40s内所消耗的电能为
270
270
J.

查看答案和解析>>

科目:初中物理 来源: 题型:

如图所示的电路中,电源电压为12伏,S断开时,A2表的示数为0.3安;S闭合时,A2表的示数为0.4安,这时A1表的示数为
0.4
0.4
安,L1中的电流为
0
0
安,L1的电阻值为
10
10
欧.

查看答案和解析>>

科目:初中物理 来源: 题型:

精英家教网在如图所示的电路中,电源电压为20伏不变,当S闭合,滑动变阻器的滑片由左向右滑动时,三个电表示数的变化情况是(  )

查看答案和解析>>

科目:初中物理 来源:2013年山东省临沂市高级中等学校招生考试物理 题型:013

如图所示的电路中.电饭电压保持不变,闭合开关S后

[  ]

A.电压表的示数变大

B.电流表的示数变大

C.电路中的总电阻变大

D.电路消耗的总功率变小

查看答案和解析>>

同步练习册答案