精英家教网 > 初中物理 > 题目详情
在“测量小灯泡的电阻”实验中,电源电压保持不变,小灯泡的额定电压为2.5V.
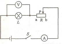
(1)电路接通后,小明发现移动滑动变阻器的滑片使其接入电路的电阻减小时,电压表的示数也变小了,你认为电路连接中存在的错误是______
(2)在如图方框内画出电路图,并将实物图连接完整.改正电路后,他将测得的数据及计算结果填在下面的表格中:
实验次数
物理量
1234
电压U/V2.52.01.51.0
电流I/A0.300.260.220.20
电阻R/Ω7.76.85.0
小灯泡正常发光时的电阻为______Ω(保留一位小数).多次改变电压值,同时测出对应的电流,求出灯泡的电阻是否是为了求平均值,减小实验的误差?______(选填“是”或“不是”).
(3)分析表中的数据发现灯丝的电阻是变化的,这说明______.这种现象在生活中也有体现,例如家里的白炽灯在刚开灯的瞬间,灯丝______烧断(选填“容易”或“不容易”).
(4)小明还想测出一段电炉丝的电阻值,可是在连接电路时发现电流表已被烧坏;请你利用现有器材(电压未知的电源、量程
合适的电压表、最大阻值为20Ω的滑动变阻器、开关各一个,导线若干),帮助小明设计一个不移动电压表就能测出这段电炉丝阻值的电路.把你设计的实验电路图画在虚线框内(电炉丝的符号为“”).

【答案】分析:(1)测量小灯泡的电阻,需要测出灯泡两端电压,电压表应该与小灯泡并联.
(2)电路图根据实验目的画出.测量小灯泡的电阻,需要测量灯泡两端电压和通过的电流,电压用电压表测量,电流用电流表测量,为改变灯泡两端电压,还需要滑动变阻器与小灯泡串联;滑动变阻器接入电路的基本要求是“一上一下”,电流表、电压表连接时要注意量程和电流的方向;已知小灯泡的额定电压和正常工作的电流,用公式R=可以计算出灯丝电阻;多次测量得到多组实验数据,有的是为发现规律,有的是取平均值减小误差.
(3)灯丝电阻变化的原因,应该从影响因素分析;灯丝烧断是功率太大,分析功率变化用公式P=
(4)此题属于“一只电表测电阻”.由于器材相对不够,不能用“伏安法”来测电阻,因此要运用“等效替代”的思想来设计测电阻的方法.题目中已经给出的仪表是电压表,我们可以知道电压的大小.因此,电压这个物理量,我们可当作已知量.串联电路各处电流相等.我们可以连接成串联电路,
解答:解:
(1)测量小灯泡的电阻,滑动变阻器接入电路电阻减小时,灯泡两端电压是增大的,本题中电压表示数减小,所以原因是电压表并联在滑动变阻器两端了.
(2)测量灯泡电阻,利用“伏安法”,测量仪器是电流表和电压表.在电路图中,电流表与灯泡串联,电压表与灯泡并联,滑动变阻器与灯泡串联;
实物连接需要电流表选择0~0.6A,电压表选择0~3V量程,注意电流方向;
灯泡额定电压为U=2.5V,正常工作电流为I=0.3A,灯丝电阻为R==≈8.3Ω;
多次测量电压和电流,得到不同的电阻,目的是研究电阻与电压的关系,所以不能把电阻相加取平均值;
(3)灯丝电阻与材料、长度、横截面积和温度有关,其中前三者是不变的,两端电压改变,灯丝电流变化,导致灯丝温度变化;
由公式P=知,在电压U一定时,电阻R越小,功率越大,刚闭合开关时,灯丝温度较低,电阻减小,灯丝发光功率很大.所以灯丝容易烧断.
(4)先将电压表接在滑动变阻器两端,测出滑动变阻器R2阻值为20Ω时的电压U,再将要测阻值的电炉丝R1串联到原电路中,这时测出的滑动变阻器20Ω两端的电压为
U1,这时电炉丝两端的电压为U-U1,由题意得:=,所以电炉丝电阻R1=Ω
故答案为:
(1)电压表与滑动变阻器并联了
(2)电路图和实物图如右

8.3;不是
(3)导体的电阻与温度有关;容易
(4)电路设计如右图

点评:此题属于“一只电表测电阻”的类型,这种类型的题目,由于器材相对不够,不能用“伏安法”来测电阻,因此要运用“等效替代”的思想来设计测电阻的方法.
练习册系列答案
相关习题

科目:初中物理 来源: 题型:

在“测量小灯泡的电阻”的试验中,要用滑动变阻器改变被测小灯泡两端的电压.
(1)滑动变阻器的连接如图2所示,闭合开关前应将滑片P移向
 
端(填A或D)
精英家教网
(2)在虚线框内画出电路图,并连接实物图.精英家教网
(3)在某次试验中,电压表和电流表的连接和示数如图3所示,则小灯泡两端的电压是
 
V通过小灯泡的电流是
 
A小灯泡的电阻为
 
Ω
精英家教网

查看答案和解析>>

科目:初中物理 来源: 题型:

在“测量小灯泡的电阻”的试验中,要用滑动变阻器改变被测小灯泡两端的电压.
(1)滑动变阻器的连接如图(2)所示,闭合开关前应将滑片P移向
 
端(填A或D)
精英家教网精英家教网
(2)在虚线框内画出电路图,并连接实物图.
(3)在某次试验中,电压表和电流表的连接和示数如图(3)所示,则小灯泡两端的电压是
 
V,通过小灯泡的电流是
 
A,小灯泡的电阻为
 
Ω
精英家教网
(4)另外一组同学也在做“测定小灯泡的电阻”实验,在实验过程中得到了如下表所示的一组U和I的数据:
实验次数 1 2 3 4 5 6
灯泡两端的电压U/V 0.5 1.0 1.5 2.0 2.5 3.0
通过灯泡的电流I/V 0.18 0.22 0.26 0.30 0.32 0.34
灯泡发光情况 微亮→逐渐变亮
分析比较表格中的数据可以看出,通过灯泡的电流与灯泡两端的电压
 
(选“是”或“不是”)成正比,这是因为:
 

(5)完成上述实验后,小明想用原电路测量一段电阻丝Rx的阻值(约10Ω).他用电阻丝替换了灯泡,闭合开关,发现电压表已损坏,将其拆除,不改变其他电路元件的连接方式,小明也完成了实验.请简述实验步骤并写出计算Rx的最后表达式.(已知滑动变阻器的最大阻值为R0
实验步骤:(1)将
 

(2)将
 

(3)Rx的表达式:
 

查看答案和解析>>

科目:初中物理 来源: 题型:

(2008?乐山)在“测量小灯泡的电阻”的实验中,电源电压为3V,小灯泡的额定电压为2.5V,阻值为10Ω左右,滑动变阻器上标有“20Ω 1A”字样.

(1)请你在图甲中用笔画线代替导线完成电路连接.
(2)开关闭合时,滑动变阻器的滑片P应移到
(选填“左”或“右”)端.
(3)调节滑片P,使电压表示数为2.5V,此时电流表的示数如图乙所示,则小灯泡正常发光时通过的电流为
0.25
0.25
A,电阻为
10
10
Ω.
(4)在完成以上实验后,小明进一步测量并描绘出小灯泡的电流随电压变化的曲线如右图所示,通过分析图象发现灯丝的电阻是变化的,这是因为导体的电阻随
温度
温度
的变化而变化.这种现象在生活中也有体现,例如家里的白炽灯在刚开灯的瞬间,灯丝
容易
容易
(选填“容易”或“不容易”)烧断.

查看答案和解析>>

科目:初中物理 来源: 题型:

如图所示,是小明的实验小组在“测量小灯泡的电阻”实验中连接的一个实验电路,所用小灯泡标有“2.5V”字样.
(1)请指出电路连接中的两个不当之处:①
电压表没有并联在灯泡的两端
电压表没有并联在灯泡的两端
;②
电压表的量程选择过大
电压表的量程选择过大

(2)他们改正电路连接中的不当之处后,闭合开关,移动变阻器滑片时,发现两电表的示数和灯泡的亮度都同时变化,但两电表的示数总是比较小,灯泡的亮度也较弱.出现这种现象的原因是:
电源电压过低
电源电压过低

(3)电路正常后,他们分别测出了小灯泡的几组电压和电流值.记录如下:
电压(V) 2.0 2.5 2.8
电流(A) 0.20 0.24 0.26
①小灯泡正常工作时的电阻大小约为
10.4Ω
10.4Ω

②通过分析实验数据可知,小灯泡的电阻是
变化
变化
(填写“不变”或“变化”)的,其原因是:
小灯泡发光时,温度升高造成电阻变化
小灯泡发光时,温度升高造成电阻变化

查看答案和解析>>

科目:初中物理 来源: 题型:

在“测量小灯泡的电阻”实验中下列说法错误的是(  )

查看答案和解析>>

同步练习册答案