精英家教网 > 初中物理 > 题目详情
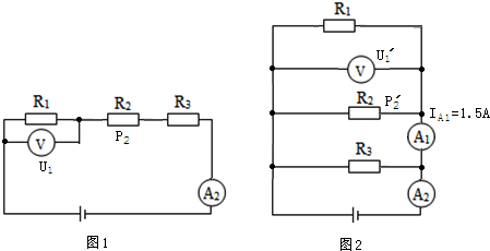
5.如图所示的电路中,电源电压不变,定值电阻R1=5Ω.当开关S1闭合,S2、S3断开时,电压表的示数为U1,R2消耗的功率为P2;当开关S1、S2、S3都闭合时,电压表的示数为U1′,R2消耗的功率为P2′,且电流表A1的示数为1.5A,已知U1:U1′=1:6,P2:P2′=4:9,下列结论正确的是(  )
A.开关S1闭合,S2、S3断开时,电流表A2的示数为0.2A
B.开关S1闭合,S2、S3断开时,R2消耗的功率为0.8W
C.开关S1、S2、S3都闭合时,电流表A2的示数为1.8A
D.开关S1、S2、S3都闭合时,R2和R3消耗的总功率为9W

分析 先画出两种情况下电路的等效电路图,图1中根据串联电路的电流特点和欧姆定律表示出电路中的电流,利用P=I2R表示出R2的功率,图2中根据并联电路的电压特点和P=$\frac{{U}^{2}}{R}$表示出R2的功率,利用两次功率之比即可求出R2的阻值,根据电阻的串联和欧姆定律结合图1求出R3的阻值,根据电阻的并联求出图2中R1与R2并联后的总电阻,利用欧姆定律求出电源的电压,然后求出图1中的电流,利用P=I2R求出图1中R2消耗的功率,根据并联电路的电流特点和欧姆定律求出图2中电流表A2的示数,根据P=$\frac{{U}^{2}}{R}$求出R2和R3消耗的总功率.

解答 解:当开关S1闭合,S2、S3断开时,等效电路图如图1所示;当开关S1、S2、S3都闭合时,等效电路图如图2所示.

图1中,因串联电路中各处的电流相等,
所以,电路中的电流:
I=$\frac{{U}_{1}}{{R}_{1}}$,
R2的功率:
P2=I2R2=($\frac{{U}_{1}}{{R}_{1}}$)2R2
图2中,因并联电路中各支路两端的电压相等,
所以,R2的功率:
P2′=$\frac{({U}_{1}′)^{2}}{{R}_{2}}$,
则$\frac{{P}_{2}}{{P}_{2}′}$=$\frac{(\frac{{U}_{1}}{{R}_{1}})^{2}{R}_{2}}{\frac{({U}_{1}′)^{2}}{{R}_{2}}}$=($\frac{{U}_{1}}{{U}_{1}′}$)2×($\frac{{R}_{2}}{{R}_{1}}$)2=($\frac{1}{6}$)2×($\frac{{R}_{2}}{{R}_{1}}$)2=$\frac{4}{9}$,
解得:R2=4R1=4×5Ω=20Ω,
图1中,因串联电路中总电阻等于各分电阻之和,且U=U1′,
所以,$\frac{{U}_{1}}{U}$=$\frac{{U}_{1}}{{U}_{1}′}$=$\frac{I{R}_{1}}{I({R}_{1}+{R}_{2}+{R}_{3})}$=$\frac{{R}_{1}}{{R}_{1}+{R}_{2}+{R}_{3}}$=$\frac{1}{6}$,
解得:R3=5R1-R2=5×5Ω-20Ω=5Ω,
图2中,因并联电路中总电阻的倒数等于各分电阻倒数之和,
所以,R1与R2并联后的总电阻:
R12=$\frac{{R}_{1}{R}_{2}}{{R}_{1}+{R}_{2}}$=$\frac{5Ω×20Ω}{5Ω+20Ω}$=4Ω,
则电源的电压:
U=IA1R12=1.5A×4Ω=6V,
开关S1闭合,S2、S3断开时,电流表A2的示数:
I=$\frac{{U}_{1}}{{R}_{1}}$=$\frac{\frac{1}{6}{U}_{1}′}{{R}_{1}}$=$\frac{\frac{1}{6}×6V}{5Ω}$=0.2A,故A正确;
R2消耗的功率:
P=I2R2=(0.2A)2×20Ω=0.8W,故B正确;
开关S1、S2、S3都闭合时,电流表A2的示数:
IA2=IA1+I3=IA1+$\frac{U}{{R}_{3}}$=1.5A+$\frac{6V}{5Ω}$=2.7A,故C错误;
此时R2和R3消耗的总功率:
P23=P2′+P3=$\frac{{U}^{2}}{{R}_{2}}$+$\frac{{U}^{2}}{{R}_{3}}$=$\frac{(6V)^{2}}{20Ω}$+$\frac{(6V)^{2}}{5Ω}$=9W,故D正确.
故选ABD.

点评 本题考查了串联电路和并联电路的特点以及欧姆定律、电功率公式的应用,画出等效电路图和理清各量之间的关系是解题的关键.

练习册系列答案
相关习题

科目:初中物理 来源: 题型:解答题

15.在某市龙舟邀请赛中,载有运动员的龙舟静止在面上时排开水的体积为1m3,则它所受的浮力为多少?它所受的重力为多少?当运动员上岸后,龙舟所受的浮力将如何变化?(g取10N/kg)

查看答案和解析>>

科目:初中物理 来源: 题型:解答题

16.LED手电因其发光效率高、亮度强越来越受到人们的欢迎.如图所示的LED手电筒有5个LED灯泡.使用时,闭合开关,5个LED灯泡同时发光;断开开关,5个LED灯泡同时熄灭.若将其中任意一个灯泡取下,开关的控制效果以及其它灯泡的发光情况不变.请你尝试画出该LED手电筒的内部电路图.(LED灯泡用一般的灯泡符号表示即可)

查看答案和解析>>

科目:初中物理 来源: 题型:填空题

13.如图所示,物体重2000N,当它沿水平地面匀速运动时所受的阻力为240N,若不计滑轮的重与摩擦,使物体以1m/s的速度匀速前进,经过10s时间,拉力的大小F=80N,拉力做的功是2400J.如果实际拉力是100N,则滑轮组的机械效率是80%.

查看答案和解析>>

科目:初中物理 来源: 题型:解答题

20.在“探究感应电流产生条件”的实验中,小明将导体ab、开关、小量程电流表和蹄形磁体按如图所示的方式进行安装.
(1)小明闭合开关进行了如下操作,其中能产生感应电流的是A.
A.磁体不动,导体ab在水平方向左右运动
B.磁体不动,导体ab在竖直方向上下运动
C.导体ab不动,磁体在竖直方向上下运动
(2)实验中发现电流表指针偏转不明显,为了使指针偏转明显,请你提出改进建议:换用磁性更强的磁体(写出一条即可).
(3)如果将图中的电流表换成电源,可以观察磁场对通电导体的作用.

查看答案和解析>>

科目:初中物理 来源: 题型:填空题

10.生活处处有物理,留心观察皆学问.厨房中也包含着许多物理知识,如抽油烟机在工作时,由于转动的扇叶处气体的流速大,压强小,从而在周围大气压的作用下将油烟压向扇口排出,高压锅煮饭熟得快时因为高压锅内气压大,水的沸点高.

查看答案和解析>>

科目:初中物理 来源: 题型:选择题

17.如图所示,悬挂的电灯处于静止状态,假如悬挂它的绳子突然断了,电灯将(  )
A.保持静止B.匀速直线下落C.加速下落D.无法判断

查看答案和解析>>

科目:初中物理 来源: 题型:解答题

14.“雾霾”已成为社会关注热点,为缓解空气污染,倡导绿色出行,如图所示,我国许多城市投放了大量的公共自行车,小明骑着一辆自行车在平直公路上匀速行驶,2min通过了600m的路程,假设自行车在匀速行驶过程中受到的阻力为100N,请你通过计算回答:(g取10N/kg)
(1)若小明和自行车的总质量约80kg,每个轮胎与地面的接触面积约为20cm2,则小明骑车时,自行车对地面的压强是多少?
(2)在这段路程中,小明做了多少功?小明做功的功率是多大?

查看答案和解析>>

科目:初中物理 来源: 题型:解答题

15.如图甲是卫生间一种智能抽水马桶水箱的示意图,该马桶有冲水和加热功能.其工作原理如图乙:当出水管阀门打开,水从出水管流出,水箱中的水减少,空心铜球就在重力作用下,随着水位下降而向下运动,通过金属杆AB绕O点转动,向上拉动进水管阀门,使水能通过进水管进入水箱;当出水管阀门关闭,随着不断进水,水箱中的水位不断上升,空心铜球随着向上运动,当金属杆处于水平位置时,把进水管阀门堵严,不再进水,如下表为这种马桶的相关参数:
项目内容
适用水压0.2-0.7MPa
水箱容积1.8L
冲洗方式喷射虹吸式

(1)某高楼内的住户家的马桶比地面的配水房高20m,若要该户居民家里的马桶能正常工作,则配水房提供的水压应不低于多少Pa?
(2)如果进水管的阀门的受力面积是24mm2,设计能承担的压强是5×105Pa(超过该压强,阀门就可以关严,不再进水).金属杆AB能绕O点转动,其质量及形变可忽略不计,且不考虑出水管阀门对杠杆的影响.AB长216mm,AO长24mm,空心铜球体积为220cm3,重力和浮力可以认为作用在其几何中心,请计算出空心铜球的质量最多是多少g?

查看答案和解析>>

同步练习册答案