精英家教网 > 初中物理 > 题目详情
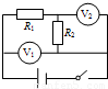
如图所示,电路中的两只电压表的规格完全相同,均有两个量程(0~3V,0~15V).闭合开关,两只电压表的指针偏转角度相同,则电阻R1与R2的比值为( )
A.1:5
B.5:1
C.1:4
D.4:1
【答案】分析:开关闭合后,两电阻串联,电压表V1测量的是电源电压,电压表V2测量的是电阻R2两端的电压,两电压表的指针偏转角度相同,说明电压表V1的量程是0~15V,电压表V2的量程是0~3V,根据欧姆定律可求电阻R1与R2的比值.
解答:解:电压表V1测的电压为电源电压U,电阻R1电压为U1=U-U2,U2为电阻R2两端的电压,电阻R1与R2的比值==
电压表V1的量程是0~15V,电压表V2的量程是0~3V,指针指的位置相同时,两个读数大小是5倍的关系,所以U=5U2
所以==
故选D.
点评:本题考查串联电路中电压的规律和电压表的读数,关键是欧姆定律的灵活运用,难点是知道当电压表偏转角度相同但量程不同时,两个读数之间的关系.
练习册系列答案
相关习题

科目:初中物理 来源: 题型:

精英家教网如图所示,电路中的两只电压表的规格完全相同,均有两个量程(0~3V,0~15V).闭合开关,两只电压表的指针偏转角度相同,则电阻R1与R2的比值为(  )
A、1:5B、5:1C、1:4D、4:1

查看答案和解析>>

科目:初中物理 来源: 题型:

如图所示,电路中的两只小灯泡均正常发光,则下面几种说法中正确的是(  )

查看答案和解析>>

科目:初中物理 来源: 题型:

精英家教网如图所示,电路中的两只电压表的规格完全相同,均有两个量程(0~3V,0~15V).闭合开关,两只电压表的指针偏转角度相同,则电阻R1与R2的比值为
 

查看答案和解析>>

科目:初中物理 来源:2013届黑龙江省八年级下学期第一次月考物理卷 题型:选择题

如图所示,电路中的两只小灯泡L1和L2均正常发光,则下面几种说法中正确的是 ………………………………………………………… (   )

 

 

 

 

 

 


A.甲是电流表,乙是电压表  B.甲是电压表,乙是电流表

C.甲、乙都是电流表        D.甲、乙都是电压表

 

查看答案和解析>>

科目:初中物理 来源:2010-2011年江苏省如皋市九年级上学期第三次学情调研测试物理卷 题型:选择题

如图所示,电路中的两只电压表的规格完全相同,均有两个量程(0~3V,0~15V).闭合开关,两只电压表的指针偏转角度相同,则电阻R1R2的比值为()

A. 1∶5       B. 5∶1       C. 1∶4        D. 4∶1

 

查看答案和解析>>

同步练习册答案