精英家教网 > 初中物理 > 题目详情
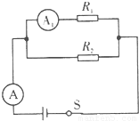
如图所示,已知电阻R1=3Ω、R2=6Ω,电流表A的示数是0.6A,则电流表A1的示数为( )

A.0.6 A
B.0.4 A
C.0.2 A
D.0.1 A
【答案】分析:由电路图可知,两电阻并联,电流表A1测R1支路的电流,电流表A测干路电流;根据并联电路并联电路的电压特点和欧姆定律求出通过两电阻的电流之比,再根据并联电路的电流特点表示出干路电流,进一步求出电流表A1的示数.
解答:解:由电路图可知,两电阻并联,电流表A1测R1支路的电流,电流表A测干路电流;
∵并联电路中各支路两端的电压相等,
∴根据欧姆定律可得:
====
∵并联电路中干路电流等于各支路电流之和,
∴I=I1+I2=I1+I1=0.6A,
解得,电流表A1的示数I1=0.4A.
故选B.
点评:本题考查了并联电路的特点和欧姆定律的应用,关键是得出通过两电阻的电流关系表示出干路电流.
练习册系列答案
相关习题

科目:初中物理 来源: 题型:

如图所示,已知电阻R的阻值,当开关S闭合时,根据图中电流表、电压表的示数来计算小灯泡L的实际功率,不能实现的是
图c
图c
.写出下列任意一个可行方案中小灯泡L的实际功率表达式:
P=UI
P=UI

查看答案和解析>>

科目:初中物理 来源: 题型:

如图所示,已知电阻R=5Ω,当滑动变阻器R′的阻值为10Ω时,电压表的读数恰好为1V;
(1)求电源电压U的值;
(2)当滑动变阻器的滑片调节到某一位置时,电压表的示数变为1.5V,则此时滑动变阻器接入电路的电阻为多少?

查看答案和解析>>

科目:初中物理 来源: 题型:

如图所示,已知电阻R=5Ω,当滑动变阻器R′的阻值为10Ω时,电流表的读数恰好为0.2A,
求(1)电压表的示数  
(2)电源电压U的值.

查看答案和解析>>

科目:初中物理 来源:2011-2012学年山东省胜利七中八年级上学期期末考试物理试卷(带解析) 题型:计算题

如图所示,已知电阻R=5Ω,当滑动变阻器R′的阻值为10Ω时,电压表的读数恰好为1V;

(1)求电源电压U的值;
(2)当滑动变阻器的滑片调节到某一位置时,电压表的示数变为1.5V,则此时滑动变阻器接入电路的电阻为多少?

查看答案和解析>>

科目:初中物理 来源:2011-2012学年内蒙古呼伦贝尔市八年级(下)期末物理试卷(解析版) 题型:解答题

如图所示,已知电阻R=5Ω,当滑动变阻器R′的阻值为10Ω时,电压表的读数恰好为1V;
(1)求电源电压U的值;
(2)当滑动变阻器的滑片调节到某一位置时,电压表的示数变为1.5V,则此时滑动变阻器接入电路的电阻为多少?

查看答案和解析>>

同步练习册答案