精英家教网 > 初中物理 > 题目详情
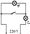
如图所示,家庭照明灯的一种按键开关上常有一个指示灯.在实际使用中发现:当开关闭合时,照明灯发光;开关断开时,照明灯熄灭,指示灯会发出微弱光,以便夜间显示开关的位置.根据这种按键开关的控制特性,能正确表示照明灯(甲)和指示灯(乙)连接方式的电路图是图中的( )
A.
B.
C.
D.
【答案】分析:根据P=I2R可知,甲灯泡的实际功率远小于乙灯泡的实际功率,即甲灯的电阻远小于乙灯的电阻;当把指示灯与灯泡串联时,由于指示灯的电阻过大,相当于断路,所以灯泡几乎不发光(也可根据串联分压原理来理解).那么灯泡正常发光时,可用导线把指示灯短路;而灯泡熄灭、指示灯亮时,可将并联的导线断开,使得两灯串联.因此只需将开关与指示灯并联即可,据此判断.
解答:解:A、当开关闭合时,照明灯和指示灯都发光,当开关断开时,指示灯熄灭,照明灯发光,不符合设计要求;
B、由于照明灯和指示灯并联,且开关只控制指示灯,所以无论开关是闭是合,都不影响照明灯,显然不符合要求;
C、指示灯与照明灯并联,且开关只控制照明灯,无论开关怎样调节,指示灯都亮,不符合要求;
D、当开关闭合时,指示灯被短路,照明灯单独连入电路,正常发光;当开关断开时,指示灯和照明灯串联接入电路,由于指示灯的电阻过大,分担了大部分的电压,所以照明灯不发光,此时照明灯不亮,指示灯亮,符合要求;
故选D.
点评:串、并联电路的特点一定要熟练掌握,在此题中,正确判断出指示灯的电阻大小,是解答此题的关键.
练习册系列答案
相关习题

科目:初中物理 来源: 题型:

(2008?重庆)如图所示,家庭照明灯的一种按键开关上常有一个指示灯.在实际使用中发现:当开关闭合时,照明灯发光;开关断开时,照明灯熄灭,指示灯会发出微弱光,以便夜间显示开关的位置.根据这种按键开关的控制特性,能正确表示照明灯(甲)和指示灯(乙)连接方式的电路图是图中的(  )

查看答案和解析>>

科目:初中物理 来源:2011-2012年江苏省实验学校初三第一学期期中考试物理卷 题型:选择题

如图所示,家庭照明灯的一种按键开关上常有一个指示灯。在实际使用中发现:当开关闭合时,只有照明灯发光;开关断开时,照明灯熄灭,指示灯会发出微弱光,以便夜间显示开关的位置。根据这种按键开关的控制特性,能正确表示照明灯(甲)和指示灯(乙)连接方式的电路图是又图中的                  (     )

 

查看答案和解析>>

科目:初中物理 来源:2012届第一学期无锡地区锡山区港下中学初三物理期中考试试卷 题型:选择题

如图所示,家庭照明灯的一种按键开关上常有一个指示灯。在实际使用中发现:当开关闭合时,只有照明灯发光;开关断开时,照明灯熄灭,指示灯会发出微弱光,以便夜间显示开关的位置。根据这种按键开关的控制特性,能正确表示照明灯(甲)和指示灯(乙)连接方式的电路图是图中的                                     (      )                                                           

 

查看答案和解析>>

科目:初中物理 来源:2012-2013学年江苏省无锡市光华学校九年级(上)期中物理试卷(解析版) 题型:选择题

如图所示,家庭照明灯的一种按键开关上常有一个指示灯.在实际使用中发现:当开关闭合时,照明灯发光;开关断开时,照明灯熄灭,指示灯会发出微弱光,以便夜间显示开关的位置.根据这种按键开关的控制特性,能正确表示照明灯(甲)和指示灯(乙)连接方式的电路图是图中的( )
A.
B.
C.
D.

查看答案和解析>>

科目:初中物理 来源:2011年江西省吉安市吉水县丁江中学中考物理模拟试卷(解析版) 题型:选择题

如图所示,家庭照明灯的一种按键开关上常有一个指示灯.在实际使用中发现:当开关闭合时,照明灯发光;开关断开时,照明灯熄灭,指示灯会发出微弱光,以便夜间显示开关的位置.根据这种按键开关的控制特性,能正确表示照明灯(甲)和指示灯(乙)连接方式的电路图是图中的( )
A.
B.
C.
D.

查看答案和解析>>

同步练习册答案