精英家教网 > 初中物理 > 题目详情
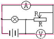
如图所示的电路中,电源电压和灯泡电阻都保持不变,当滑动变阻器R的滑片P由中点向右移动时,下列判断中正确的是( )
A.电流表和电压表的示数都增大
B.电流表和电压表的示数都减小
C.电流表的示数减小,电压表的示数增大
D.电流表的示数减小,电压表的示数不变
【答案】分析:(1)利用去表的方法判断灯泡和滑动变阻器的是串联还是并联,电流表的电阻很小相当于导线,电压表的电阻很大相当于开路.
(2)利用划线法判断电流表测量水的电流:经过分析灯泡和滑动变阻器是并联的,灯泡和滑动变阻器都能单独和电源构成通路,用不同颜色的笔画出各自的电流路径,判断电流表测量的电流.
(3)采用方框法判断电压表测量谁的电压:电压表和用电器构成一个方框,电压表测量用电器两端的电压;电压表和电源构成一个方框,电压表测量电源两端的电压.
解答:解:(1)电流表相当于导线,电压表相当于开路,经过简化电路,可以判断灯泡和滑动变阻器是并联的.
(2)如图,采用方框法,电压表和电源能构成一个方框,电压表测量电源两端的电压,电源电压不变,所以电压表的示数不变.

(3)利用划线法各自画出灯泡和滑动变阻器的电流路径,可以看出电流表测量滑动变阻器的电流.当滑片右移时,滑动变阻器连入的电阻增大,滑动变阻器两端的电压等于电源电压保持不变,根据I=,电流变小.

故选D.
点评:本题正确理解电流表相当于导线,电压表相当于开路,利用去表法判断各用电器的连接方法.
本题考查电流表测量谁的电流,电压表测量谁的电压.
本题考查了通过欧姆定律判断电路中电流的变化.
练习册系列答案
相关习题

科目:初中物理 来源: 题型:

在如图所示的电路中,用电压表、电流表测电阻Rx的阻值:
(1)将实验电路补画完整.
精英家教网
(2)当滑片移到某一位置时,电压表、电流表的示数如图所示,则Rx的阻值为
 
Ω;
精英家教网
(3)某同学在实验中,不小心将滑动变阻器损坏(不能使用)了,一时又找不到其他变阻器.如果不用滑动变阻器,可能对实验结果的影响是
 

你能否利用身边的物品代替滑动变阻器完成该实验,说出你的做法:
 

(4)在测出电阻值后,该同学继续实验--研究导体中电流跟电阻的关系(滑动变阻器完好).他观察电表指针在某一合适的位置,取下Rx,换上另一较大电阻R0,下一步的操作是
 
,目的是
 

查看答案和解析>>

科目:初中物理 来源: 题型:

(2013?顺义区一模)在如图所示的电路中,电源两端电压不变.当只闭合开关S1且滑动变阻器R3接入电路电阻值最大时,电压表的示数为3.6V,滑动变阻器消耗的电功率为1.44W,电阻R1消耗的电功率为P1.当只闭合开关S2且滑动变阻器R3的滑片P在中点时,电压表示数为4.5V,电阻R2消耗的电功率为P2.若P1:P2=8:15,则电阻R2在1min40s内所消耗的电能为
270
270
J.

查看答案和解析>>

科目:初中物理 来源: 题型:

如图所示的电路中,电源电压为12伏,S断开时,A2表的示数为0.3安;S闭合时,A2表的示数为0.4安,这时A1表的示数为
0.4
0.4
安,L1中的电流为
0
0
安,L1的电阻值为
10
10
欧.

查看答案和解析>>

科目:初中物理 来源: 题型:

精英家教网在如图所示的电路中,电源电压为20伏不变,当S闭合,滑动变阻器的滑片由左向右滑动时,三个电表示数的变化情况是(  )

查看答案和解析>>

科目:初中物理 来源:2013年山东省临沂市高级中等学校招生考试物理 题型:013

如图所示的电路中.电饭电压保持不变,闭合开关S后

[  ]

A.电压表的示数变大

B.电流表的示数变大

C.电路中的总电阻变大

D.电路消耗的总功率变小

查看答案和解析>>

同步练习册答案