精英家教网 > 初中物理 > 题目详情
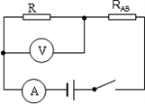
如图所示,滑动变阻器的最大阻值是20Ω,当滑片P移到到最右端B时,闭合开关,电压表示数为2V,电流表示数为0.2A,电源电压保持恒定,求:
(1)R的阻值;
(2)电源的电压;
(3)滑片P移动过程中,R消耗的最大功率.

解:
从图可知,当滑片P移到到最右端B时,滑动变阻器连入电路中的电阻最大,电阻R和滑动变阻器串联,电流表测量的是整个电路中的电流,电压表测量的是电阻R两端的电压.如图所示:

(1)
∵UR=2V,I=0.2A,
∴电阻R的阻值为:

(2)
∵RAB=20Ω,
∴此时电路中的总电阻为:
R=R+RAB=10Ω+20Ω=30Ω,
而I=0.2A,
∴电源电压为:
U=IR=0.2A×30Ω=6V.
(3)电阻R的阻值不变,由公式可知,要想计算出R消耗的最大功率,电阻R两端的电压必需达到最大,当滑动变阻器连入电路中的电阻为0Ω时,即电路中只有电阻R,(如图所示)此时电阻R两端的电压为电源电压,达到最大.

∴滑片P移动过程中,R消耗的最大功率为:

练习册系列答案
相关习题

科目:初中物理 来源: 题型:

(2006?厦门)如图所示,滑动变阻器的滑片在某两点间移动时,电流表示数范围为1A到2A之间,电压表示数范围为6V到9V之间.则定值电阻R的阻值及电源电压分别为(  )

查看答案和解析>>

科目:初中物理 来源: 题型:

如图所示的滑动变阻器分别接在了不同的电路中,当每个滑动变阻器的滑片都向右滑动时,接入电路中的电阻变大的是(  )

查看答案和解析>>

科目:初中物理 来源: 题型:

如图所示,滑动变阻器接入电路的电阻线是
ac
ac
段(ac、cb或ab),当滑片向左移动时,连入电路的电阻变
,电路中的电流变
,灯泡变
,电压表的示数变

查看答案和解析>>

科目:初中物理 来源: 题型:

如图所示,滑动变阻器起改变电路中电流的作用,下列说法中正确的是(  )

查看答案和解析>>

科目:初中物理 来源: 题型:

如图所示,滑动变阻器铭牌上标有“50Ω 2A”字样,当将滑片P移到最右端B时,变阻器的阻值是
50
50
Ω,当将滑片P移到中点时,变阻器的阻值是
25
25
Ω.

查看答案和解析>>

同步练习册答案