精英家教网 > 初中物理 > 题目详情
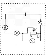
小张在“测量小灯泡的额定功率”的实验中,所用小灯泡上标有“3.5V”字样。
(1)请你在图中用笔画线连好最后一根导线。
(2) 请观察图,小张连好电路后,接下来应将                         才能保证实验时不损坏仪表。
(3)若闭合开关时,发现电压表的指针快速转动到左边无刻度处,这是由于电压表                    
(4)检查连接无误后小张测出了上表三组数据,由表中数据可知,小灯泡的额定功率为          
(5)若在实验中小灯泡的灯丝突然被烧断,则电压表的示数        (选填“变大”、“变小”或“不变”)。
(6)假如电源电压恒为6V,但伏特表0~15 V档已坏,小张将现在的电路作了改动也能测出小灯泡的额定功率,请在虚线方框内画出改动后的电路图。
(1)
(2)滑片P移至A(或左)端
(3)正负接线柱接反了
(4)1.4W;
(5)变大
(6)
练习册系列答案
相关习题

科目:初中物理 来源: 题型:

(2012?达州)小张在“测量小灯泡的额定功率”的实验中,所用小灯泡上标有“3.5V”字样.

(1)请你在如图1中用笔画线连好最后一根导线.
(2)请观察如图1,小张连好电路后,接下来应将
滑片P移至A端
滑片P移至A端
才能保证实验时不损坏仪表.
(3)若闭合开关时,发现电压表的指针快速转动到左边无刻度处,这是由于电压表
正负接线柱接反了
正负接线柱接反了

(4)检查连接无误后小张测出了下表三组数据,
次数 电压U/V 电流I/A 灯泡亮度
1 3.0 0.36 偏暗
2 3.5 0.40 正常
3 4.5 0.42 偏亮
由表中数据可知,小灯泡的额定功率为
1.4W
1.4W

(5)若在实验中小灯泡的灯丝突然被烧断,则电压表的示数
变大
变大
(选填“变大”、“变小”或“不变”).
(6)假如电源电压恒为6V,但伏特表0~15V档已坏,小张将现在的电路作了改动也能测出小灯泡的额定功率,请在如图2的虚线方框内画出改动后的电路图.

查看答案和解析>>

科目:初中物理 来源: 题型:

小张在测量小灯泡的额定功率的实验中,所用的小灯泡上标有“3.5V”字样.
(1)请你在如图甲中用笔画线连好最后一根导线.
(2)请观察图甲,小张连好电路后,接下来应
将片P移至A端(或左端)
将片P移至A端(或左端)
才能保证实验时不损坏仪表.
(3)若闭合开关时,发现电压表的指针快速转动到左边无刻度处,这是由于电压表
正、负接线柱接反了
正、负接线柱接反了

(4)若在实验中小灯泡的灯丝突然被烧断,则电压表的示数
变大
变大
(填“变大”“变小”或“不变”).
(5)假如电源电压恒为6V,但电压表0~15V挡已坏,小张将现在的电路做了改动也能测出小灯泡的额定功率,请在图乙的虚线框内画出改动后的电路图.

查看答案和解析>>

科目:初中物理 来源: 题型:解答题

小张在测量小灯泡的额定功率的实验中,所用的小灯泡上标有“3.5V”字样.
(1)请你在如图甲中用笔画线连好最后一根导线.
(2)请观察图甲,小张连好电路后,接下来应______才能保证实验时不损坏仪表.
(3)若闭合开关时,发现电压表的指针快速转动到左边无刻度处,这是由于电压表______.
(4)若在实验中小灯泡的灯丝突然被烧断,则电压表的示数______(填“变大”“变小”或“不变”).
(5)假如电源电压恒为6V,但电压表0~15V挡已坏,小张将现在的电路做了改动也能测出小灯泡的额定功率,请在图乙的虚线框内画出改动后的电路图.

查看答案和解析>>

科目:初中物理 来源: 题型:

小张在“测量小灯泡的额定功率”的实验中,所用小灯泡上标有“3.5V”字样

(1)请你在图18中用笔画线连好最后一根导线。

(2) 请观察图18,小张连好电路后,接下来应将                          才能保证实验时不损坏仪表。

(3)若闭合开关时,发现电压表的指针快速转动到左边无刻度处,这是由于电压表                    

(4)检查连接无误后小张测出了上表三组数据,由表中数据可知,小灯泡的额定功率为         

(5)若在实验中小灯泡的灯丝突然被烧断,则电压表的示数        (选填“变大”、“变小”或“不变”)。

(6)假如电源电压恒为6 V,但伏特表0~15 V档已坏,小张将现在的电路作了改动也能测出小灯泡的额定功率,请在如图19的虚线方框内画出改动后的电路图。

查看答案和解析>>

科目:初中物理 来源:新人教版九年级上册《第18章 电功率》2013年单元检测训练卷C(解析版) 题型:解答题

小张在测量小灯泡的额定功率的实验中,所用的小灯泡上标有“3.5V”字样.
(1)请你在如图甲中用笔画线连好最后一根导线.
(2)请观察图甲,小张连好电路后,接下来应______才能保证实验时不损坏仪表.
(3)若闭合开关时,发现电压表的指针快速转动到左边无刻度处,这是由于电压表______.
(4)若在实验中小灯泡的灯丝突然被烧断,则电压表的示数______(填“变大”“变小”或“不变”).
(5)假如电源电压恒为6V,但电压表0~15V挡已坏,小张将现在的电路做了改动也能测出小灯泡的额定功率,请在图乙的虚线框内画出改动后的电路图.

查看答案和解析>>

同步练习册答案