精英家教网 > 初中物理 > 题目详情
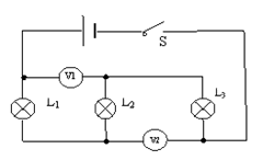
在如图所示的电路中,电源的电压是14V,当开关S闭合时,电压表V1的示数时10V,,电压表V2的示数是6V,则三只灯泡L1、L2、L3两端的电压分别是多少?
由图可知,L1、L2、L3串连,V1测L1和L2两端电压,
V2测L2和L3两端电压。
U1+U2+U3=14V
U1+U2=10V
U2+U3=6V
解得:U1="8V " U2="2V " U3="4V " 解析:
练习册系列答案
相关习题

科目:初中物理 来源: 题型:

在如图所示的电路中,开关S闭合后,小灯泡L1L2均正常发光,则下列说法中正确的是(  )

查看答案和解析>>

科目:初中物理 来源: 题型:

(2011?杨浦区二模)在如图所示的电路中,电源电压保持不变,当电键S由断开到闭合时,电压表V的示数将
不变
不变
.闭合电键S后,当滑动变阻器滑片P向右移动时,电压表V的示数将
不变
不变
,电流表A1的示数将
不变
不变
,电流表A、A1示数差将
变小
变小
(选填“变小”、“不变”或“变大”)

查看答案和解析>>

科目:初中物理 来源: 题型:

(2012?南通模拟)在如图所示的电路中,R1=10Ω,R2=20Ω,闭合开关后,电流表的示数为0.3A.求:
(1)电阻R1两端的电压;  
(2)电源的电压;
(3)电路消耗的总功率.

查看答案和解析>>

科目:初中物理 来源: 题型:

在如图所示的电路中,AB是一段电阻丝,当开关闭合,导线夹由B向A移动的过程中,接入电路的电阻的变化情况是(  )

查看答案和解析>>

科目:初中物理 来源: 题型:

精英家教网在如图所示的电路中,小灯泡和电铃采用的是
 
联连接方式;在这两种用电器中,
 
工作时需要将电能转化为内能.

查看答案和解析>>

同步练习册答案