精英家教网 > 初中物理 > 题目详情
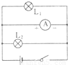
如图所示,用电流表测量灯L1中的电流,正确的电路图是( )
A.
B.
C.
D.
【答案】分析:电流表的正确使用方法:
①电流表要与待测用电器串联在电路中;
②电流要从“+”接线柱入,从“-”接线柱出;
根据串并联的特点以及电流表的正确使用方法进行分析.
解答:解:A、L1、L2并联后,与电流表串联,故电流表测量的为干路电路,此选项错误;
B、L1与电流表串联后再与L2并联,电流表测量通过L1的电流,但电流方向错误.此选项错误;
C、电流表与灯泡并联,会导致用电器短路,无测测出通过L2的电流.此选项错误;
D、电流表与L1串联,正负接线柱接法正确,故可以测出通过L1的电流.此选项正确.
故选D.
点评:本题考查学生识别电路的能力,以及学生能否正确使用电流表;要求牢记电流表的使用方法.
练习册系列答案
相关习题

科目:初中物理 来源: 题型:

如图所示是“用电流表测电流”的实验电路图,小雨设计好实验并把电流表接在电路中的A、B、C处,测出A、B、C处的电流值分别为IA、IB、IC,但忘了设计表格来填写,就随便在旁边写下三个数据(0.263A、0.588A、0.324A),后来自己也不知道表示什么,请你帮他制作一个能用来记录数据的表格,根据实验数据将表格填写完整,并分析可以得出的结论是
并联电路中,干路中的电流等于各支路中的电流之和
并联电路中,干路中的电流等于各支路中的电流之和

查看答案和解析>>

科目:初中物理 来源: 题型:

8、如图所示是用电流表测通过灯泡电流或用电压表测灯泡两端电压的电路图,其中正确的是(  )

查看答案和解析>>

科目:初中物理 来源: 题型:

(2006?广东)(1)如图所示,用电流表测电路中电流的实验,图中电流表测量的是
乙电阻
乙电阻
(填“甲电阻”、“乙电阻”或“干路”)的电流,为了测量乙电阻的两端的电压,用笔画线代替导线,将电压表正确地接入电路中.

(2)图甲为某同学做“观察水的沸腾”实验时测沸水温度的情形.由于操作错误,他观察到水沸腾时,温度计的示数大于100℃,他的错误是
温度计的玻璃泡碰到了烧杯的底部
温度计的玻璃泡碰到了烧杯的底部
.纠正错误后,他观察到水沸腾时,温度计的读数如图乙所示,则水的沸点是
99℃
99℃

(3)如图所示,在水平桌面上使用天平时发现横梁有点向右倾斜,要将它调到平衡状态,请写出必须进行的步骤是:
将游码移到左端“0”刻度处,调节螺母使横梁平衡
将游码移到左端“0”刻度处,调节螺母使横梁平衡

查看答案和解析>>

科目:初中物理 来源: 题型:

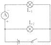
如图所示.用电流表测通过灯泡L1的电流,其中正确的接法是(  )

查看答案和解析>>

科目:初中物理 来源: 题型:

如图所示,用电流表测电路中电流的实验,图中电流表测定的是
乙电阻
乙电阻
(填:“甲电阻”或“乙电阻”“干路”)的电流,测得电流的大小是
0.9A
0.9A

查看答案和解析>>

同步练习册答案