精英家教网 > 初中物理 > 题目详情
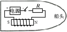
15.小明自制了一个带有电磁铁的木船模型,将它放入水中漂浮,闭合开关后,船头会指向北方偏转.请在图上标出螺线管的南北极和电源的正负极.

分析 螺线管处在地球的磁场中,闭合开关后,船头会指向北方偏转,可知可知螺线管的磁极,由右手螺旋定则可确定电源的正负极.

解答 解:因地磁场沿南北方向,地球南极处为地磁场的N极,地球北极处为地磁场的S极,闭合开关后,船头会指向北方偏转.则螺线管右端为N极,左端为S极,由右手螺旋定则可知电源左端为正极,右端为负极,如图所示.

点评 通过本题应掌握:(1)知道地球是个巨大的磁体,地磁南极在地理北极的附近,地磁北极在地理南极附近;
(2)右手螺旋定则内容为:右手握住螺线管,四指指向电流方向,大拇指所指向的方向为磁感线N极方向.

练习册系列答案
相关习题

科目:初中物理 来源: 题型:解答题

5.如图所示,是家用一个插线板.当开关闭合时指示灯亮,插孔提供电压,如果指示灯损坏,开关闭合插孔也能提供电压.根据提示,把开关、指示灯、两孔插座正确接入家庭电路中.

查看答案和解析>>

科目:初中物理 来源: 题型:解答题

6.如图所示,李宁同学在张老师指导下做“探究凸透镜成像规律”的实验.
(1)当蜡烛位于图中B处时,移动光屏到D处,观察到光屏上呈现清晰的像,此时像和物大小相等,则该凸透镜焦距为10.0cm.
(2)李宁同学把蜡烛移动到A处,屏上的像变得模糊,要使像变清晰,光屏应向左(选填“左”或“右”)适当移动,此时光屏上的像应该是倒立、缩小的实像.
(3)在上述(2)操作的基础上,张老师取下自己戴的眼睛放于蜡烛和凸透镜之间、光屏上的像又变得模糊,李宁同学发现当光屏向左移动适当距离后像又清晰.由此可知,张老师所戴的眼镜是凸透镜,张老师的眼睛属于远视眼(选填“近视镜”、“远视眼”、或“正常眼”).

查看答案和解析>>

科目:初中物理 来源: 题型:选择题

3.对下列物理量的估测中,你认为最接近实际的是(  )
A.一个中学生的质量约为5kgB.教室课桌的高度约0.8m
C.乐山地区6月份的平均气温约50℃D.一节干电池的电压是2V

查看答案和解析>>

科目:初中物理 来源: 题型:选择题

10.假如科学家研制出常温下超导体,则它适合用作(  )
A.输电导线B.保险丝C.变阻器D.电热丝

查看答案和解析>>

科目:初中物理 来源: 题型:填空题

20.电磁波家族成员很多,无线电波、红外线、可见光、紫外线、X线、γ射线等.它们与人类生活息息相关,例如:电视机的遥控器就是利用红外线来工作的;某电台发射的电磁波波长为3m,其频率是100MHz.

查看答案和解析>>

科目:初中物理 来源: 题型:填空题

6.考试铃响后,同学们开始答题.铃声是由于铃的振动产生的,铃声通过空气传到同学们的耳朵.如果看到闪电后,3秒钟才听到雷声,那么闪电处距人约1020m.光在真空中的速度是3×108m/s,1962年5月,美国马萨诸塞工学院把红宝石激光射向月球,大约2.6秒后收到了从月球反射回来的激光讯号,则地球到月球的距离是3.9×108m.

查看答案和解析>>

科目:初中物理 来源: 题型:填空题

3.某同学设计如图的实验装置,用以探究电和磁的关系,闭合开关后,将导体ab快速水平向右移动,灵敏电流计发生偏转,cd导体随之运动起来,其中甲装置原理是电磁感应,乙装置原理是通电导体在磁场中受力,若甲装置中ab导线向左移动,其他条件不变,则乙装置中cd导线运动方向与原来方向相反(选填“相同”或“相反”).

查看答案和解析>>

科目:初中物理 来源: 题型:解答题

4.如图所示,在50N的水平拉力F作用下,重800N的物体沿水平地面做匀速直线运动了0.1m,物体与地面间滑动摩擦力为120N,则滑轮组的有用功为12J;滑轮组的机械效率为80%.

查看答案和解析>>

同步练习册答案