精英家教网 > 初中物理 > 题目详情
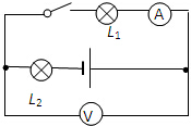
9.根据图所示的实物连接图,在框中画出相对应的电路图.

分析 由实物图画电路图的方法:从电源的正极开始,依次画出各元件,直到电源的负极.明确电路的连接方式.
电流表测电路中电流,电压表并联在L1和电流表两端.

解答 解:
由实物图可知:电流从电源正极开始依次串联灯泡L2、开关、灯泡L1以及电流表,然后回到电源负极,即两灯串联,电压表与灯泡L1和电流表的两端;如图所示:

点评 根据实物图画电路图时,先分析电路,看干路和支路各有什么元件,然后根据电路图的要求画出电路图.

练习册系列答案
相关习题

科目:初中物理 来源: 题型:解答题

18.家庭电路进户的输电线有火线和零线,用测电笔可以判断哪条是火线.我国家庭电路的火线和零线间电压是220V.

查看答案和解析>>

科目:初中物理 来源: 题型:解答题

19.在“探究影响滑轮组机械效率的因素”实验中,某实验小组用如图所示的同一滑轮组提升不同的钩码,分别做了三次实验,实验数据记录在图表中.
实验次数钩码所受重力G/N提升高度h/m拉力F/N绳端移动的距离s/cm机械效率
120.11.00.366.7%
240.11.70.378.4%
360.12.40.3
(1)在实验过程中,应沿竖直方向匀速拉动弹簧测力计.
(2)在第3次测量中,滑轮组做的有用功是0.6J,机械效率为83.3%.
(3)分析表中数据可得出:同一滑轮组,提升钩码越重,机械效率越高(填“高”或“低”).

查看答案和解析>>

科目:初中物理 来源: 题型:填空题

16.在晓月设计的小组合作控制电路中,k1 和k2 是指纹开关,当两开关都闭合时,电动机M启动开始小组活动,此控制电路是图中的甲图;晓宇设计的是防盗电路,触发k1 或k2 的防盗开关,电动机M自动启动将盗贼锁定,防盗电路是下图中的丙图;下列电路图中的乙图若两开关都闭合电池将被短路.

查看答案和解析>>

科目:初中物理 来源: 题型:选择题

4.对下列图所示实验的分析不正确的是(  )
A.
c烧杯的作用是验证空气中的物质不能使酚酞溶液变色
B.
烧杯内壁有水珠生成,说明甲烷中含有氢元素
C.
在冰面上小明推小华,自己却向后运动,说明力的作用是相互的
D.
物体在力的作用下做圆周运动,说明物体运动需要力

查看答案和解析>>

科目:初中物理 来源: 题型:选择题

14.春天是禽流感高发季节,发烧是感染禽流感的症状之一,小明同学重视对禽流感的预防,一次他用体温计测量出弟弟的体温为38℃,有点偏高,接着他忘记用力向下甩体温计就测自己的体温,结果也是38℃,那么他自己的真正体温是(  )
A.一定是38℃B.一定高于38℃C.一定低于38℃D.可能是38℃

查看答案和解析>>

科目:初中物理 来源: 题型:填空题

1.图中体温计的测量范围是35~42℃,体温计的分度值是0.1℃,体温计的示数是36.8℃.

查看答案和解析>>

科目:初中物理 来源: 题型:解答题

18.表是小文在观察水的沸腾现象时记录的实验数据,请根据表中数据回答下列问题.
时间/min012345678910
温度/℃9092949698999999999999
(1)小文测得水的沸点是99℃;
(2)水沸腾后,继续加热,水的温度不变.(选填“升高”、“降低”或“不变”)

查看答案和解析>>

科目:初中物理 来源: 题型:填空题

19.小明购买了一只容积为1.2L的电热水壶.他往壶中装满了温度为25℃的水,则水的质量为1.2kg;若使壶中的水加热至沸腾,需要吸收3.78×105J的热量;小明将电热水壶接到家庭电路中,通电7min烧开了这壶水,如果在这一过程中它的效率是90%,电热水壶的实际功率是1000W.[标准大气压下ρ=1.0×103kg/m3、c=4.2×103J/(kg•℃)].

查看答案和解析>>

同步练习册答案