精英家教网 > 初中物理 > 题目详情
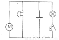
如图所示的电路图中,电灯、电铃和电动机都并联的是( )
A.
B.
C.
D.
【答案】分析:串联电路中各用电器之间首尾相接,电路中只有一条电流的流通路径;
并联电路中各个用电器之间并列连接(首与首相连,尾与尾相连),电路中有多条电流的流通路径.
解答:解:A、电铃与电动机并列连接后,再与电灯串联,因此该电路属于混联电路.
B、电动机、电铃以及电灯并联连接(首与首相连,尾与尾相连),因此属于并联电路.
C、电铃与电灯串联后,再与电动机并列连接,故该电路是混联电路.
D、电动机和电铃串联后,再与电灯并列连接,属于混联电路.
故选B.
点评:本题主要考查对串、并联电路中各用电器连接特点的了解.
练习册系列答案
相关习题

科目:初中物理 来源: 题型:

5、如图所示的电路图中,能用电压表正确测出灯Ll两端电压的是(  )

查看答案和解析>>

科目:初中物理 来源: 题型:

(2010?宝坻区一模)如图所示的电路图中电源电压未知,R0是阻值已知的定值电阻.开关S闭合后,能够测算出未知电阻RX阻值的电路是(  )

查看答案和解析>>

科目:初中物理 来源: 题型:

在如图所示的电路图中,若只要使灯L1发光,应闭合的开关是
S和S1
S和S1
;若只要使灯L2发光,应闭合的开关是
S和S2
S和S2
;如要使灯L1、L2同时发光,应闭合的开关是
S、S1和S2
S、S1和S2

查看答案和解析>>

科目:初中物理 来源: 题型:

如图所示的电路图中,灯泡L正常发光,若电源的电压不变,当开关S断开后,则(  )

查看答案和解析>>

科目:初中物理 来源: 题型:

如图所示的电路图中,当电键S闭合后,灯L1和L2
联的,电压表测量
L2
L2
两端的电压.

查看答案和解析>>

同步练习册答案