精英家教网 > 初中物理 > 题目详情
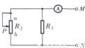
如图所示,MN间电压恒定,R1为定值电阻,滑动变阻器 R2的最大阻值为20欧.当滑动变阻器滑片P处于a端时,电流表示数为0.25安;当滑片P处于ab中点时,电流表示数为0.40安,则MN间的电压是( )
A.6伏
B.5伏
C.4伏
D.3伏
【答案】分析:根据欧姆定律和并联电路的规律进行计算.在题中R1的阻值没有给出,似乎给我们的分析带来了麻烦.
但仔细思考,R1和R2是并联的,当R2的滑片移动时:MN间的电压不变,即R1两端的电压不变,R1的阻值也不变,这说明通过R1的电流不变.
所以R2的滑片滑动前后,电流表示数之差就等于流过R2的电流变化量,设MN间电压为U,滑片先后两个位置时流过R2的电流分别为:
最后根据等量关系列出方程,解出MN间电压U.
解答:解:并联电路中:I=I1+I2
滑片在a端时,0.25A=+I1…①
滑片在ab中点时,0.40A=+I1…②
用②式减去①式,得:0.40A-0.25A=-
解方程得:U=3V.
故选D.
点评:欧姆定律的计算题,仔细分析,巧妙列式,可以减小计算量.
练习册系列答案
相关习题

科目:初中物理 来源: 题型:

精英家教网如图所示,MN间电压恒定,R1为定值电阻,滑动变阻器 R2的最大阻值为20欧.当滑动变阻器滑片P处于a端时,电流表示数为0.25安;当滑片P处于ab中点时,电流表示数为0.40安,则MN间的电压是(  )
A、6伏B、5伏C、4伏D、3伏

查看答案和解析>>

科目:初中物理 来源: 题型:

如图所示,MN间电压恒定,R1为定值电阻,滑动变阻器 R2的最大阻值为20Ω.当滑动变阻器滑片P处于a端时,电流表示数为 0.25A;当滑片P处于 ab 中点时,电流表示数为 0.40A,则 R1
30
30
Ω.

查看答案和解析>>

科目:初中物理 来源: 题型:

如图所示,MN 间电压恒定,R1为定值电阻,滑动变阻器 R2的最大阻值为 20Ω.当滑动变阻器滑片P 处于 a 端时,电流表示数为 0.25A;当滑片 P 处于ab 中点时,电流表示数为 0.40A,则 MN 间的电压是
3
3
V.

查看答案和解析>>

科目:初中物理 来源:2013届北京四中九年级上学期期中考试物理试卷(带解析) 题型:填空题

如图所示,MN间电压恒定,R1为定值电阻,滑动变阻器 R2的最大阻值为20Ω。当滑动变阻器滑片P处于a端时,电流表示数为 0.25A;当滑片P处于 ab 中点时,电流表示数为 0.40A,则 R1为_______Ω。

查看答案和解析>>

科目:初中物理 来源:2012-2013学年北京四中九年级上学期期中考试物理试卷(解析版) 题型:填空题

如图所示,MN间电压恒定,R1为定值电阻,滑动变阻器 R2的最大阻值为20Ω。当滑动变阻器滑片P处于a端时,电流表示数为 0.25A;当滑片P处于 ab 中点时,电流表示数为 0.40A,则 R1为_______Ω。

 

查看答案和解析>>

同步练习册答案