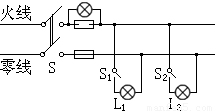
ijÈÕ£¬Ð¡Ã÷¼Ò»ðÏßÉϵÄÈÛË¿ÈÛ¶Ï£¬¹À¼ÆÊǵç·ij´¦¶Ì·£®¸ù¾ÝËùѧ֪ʶ£¬Ëû¶Ï¿ªÕ¢µ¶¿ª¹ØºÍËùÓÐÓõçÆ÷µÄ¿ª¹Ø£¬½«Ò»Ö»ÆÕͨ°×³ãµÆL½Óµ½ÈçͼËùʾλÖýøÐÐÏà¹Ø¼ì²é£®µ±ÔÙ±ÕºÏÕ¢µ¶¿ª¹ØSºÍµÆL1µÄ¿ª¹ØS1ʱ£¬Èç¹û£¨ £©

A£®µÆLÕý³£·¢¹â£¬ËµÃ÷L1֧·ÎÞ¹ÊÕÏ
B£®µÆLÕý³£·¢¹â£¬ËµÃ÷L1֧·¶Ì·
C£®µÆL·¢¹â½Ï°µ£¬ËµÃ÷L1֧·¶Ì·
D£®µÆL²»·¢¹â£¬ËµÃ÷L1֧·¶Ì·
¡¾´ð°¸¡¿·ÖÎö£ºµ±¼ìÑ鵯ÅÝÕý³£·¢¹âʱ£¬¸ÃµÆÅÝÁ½¶ËµÄµçѹӦΪ220V£¬Ôò´Ëʱһ¶¨ÊǵÆÅݵÄÒ»¶ËÓë»ðÏßÏà½Ó£¬ÁíÒ»¶ËÓëÁãÏßÏà½Ó£®µÆÅÝ·¢¹â¶øÁÁ¶È²»¹»£¬Ôò¼ÓÔÚµÆÅÝÉϱØÓеçѹ£¬µ«´ËµçѹӦСÓÚ220V£¬Ôò´ËʱӦ¸ÃÊǼìÑ鵯ÅÝÓëÁíÒ»µç×裨ÈçÁíÒ»µÆÅÝ£©´®Áª½ÓÔÚ»ðÏßÓëÁãÏßÖ®¼ä£®
½â´ð£º½â£ºAÇé¿ö±íʾµç·ÖÐÓÐÁãÏßÓë»ðÏß¶Ì·µÄÇé¿ö£»²»ºÏÌâÒ⣮
B±íʾµÆÁÁʱµÆÅÝÁ½¶ËÓ¦·Ö±ðÓë»ðÏߺÍÁãÏßÏà½Ó£¬¼´¸Ã±ÕºÏµÄ¿ª¹ØÁ½¶ËÖ±½ÓÁ¬µ½ÁË»ðÏߺÍÁãÏßÉÏ£»·ûºÏÌâÒ⣮
C±íʾ¼ìÑ鵯ÅÝÓëÁíÒ»µÆÅÝ´®Áª½ÓÔÚ»ðÏßÓëÁãÏßÖ®ÎÊ£¬ÕâÊÇÒ»Õý³£ÏÖÏó¶ø²»ÊDZíÃ÷µç·ÖÐÓжÌ·ÏÖÏó£»²»ºÏÌâÒ⣮
D±íʾ¸Ãµç·ÖÐÓжÏ·ÏÖÏó£®²»ºÏÌâÒ⣮
¹ÊÑ¡B£®
µãÆÀ£º´ËÌâʹÓüìÑ鵯À´¼ìÑéµç·¹ÊÕÏ£¬ÒªÖªµÀÅжϷ½·¨£¬ÔÚÉú»îÖÐÒª»áÔËÓã®
Á·Ï°²áϵÁдð°¸
Ïà¹ØÏ°Ìâ

¿ÆÄ¿£º³õÖÐÎïÀí À´Ô´£º ÌâÐÍ£º

13¡¢Ä³ÈÕ£¬Ð¡Ã÷¼Ò»ðÏßÉϵÄÈÛË¿ÈÛ¶Ï£¬¹À¼ÆÊǵç·ij´¦¶Ì·£®¸ù¾ÝËùѧ֪ʶ£¬Ëû¶Ï¿ªÕ¢µ¶¿ª¹ØºÍËùÓÐÓõçÆ÷µÄ¿ª¹Ø£¬½«Ò»Ö»ÆÕͨ°×³ãµÆL½Óµ½ÈçͼËùʾλÖýøÐÐÏà¹Ø¼ì²é£®µ±ÔÙ±ÕºÏÕ¢µ¶¿ª¹ØSºÍµÆL1µÄ¿ª¹ØS1ʱ£¬Èç¹û£¨¡¡¡¡£©

²é¿´´ð°¸ºÍ½âÎö>>

¿ÆÄ¿£º³õÖÐÎïÀí À´Ô´£º2013-2014ѧÄê½­ËÕÊ¡ËÕÖݸßÐÂÇø¾ÅÄê¼¶ÉÏѧÆÚÆÚÄ©¿¼ÊÔÎïÀíÊÔ¾í£¨½âÎö°æ£© ÌâÐÍ£ºÑ¡ÔñÌâ

ijÈÕ£¬Ð¡Ã÷¼Ò»ðÏßÉϵÄÈÛË¿ÈÛ¶Ï£¬¹À¼ÆÊǵç·ij´¦¶Ì·£¬¸ù¾ÝËùѧ֪ʶ£¬Ëû¶Ï¿ªÕ¢µ¶¿ª¹ØºÍËùÓÐÓõçÆ÷µÄ¿ª¹Ø£¬½«Ò»Ö»ÆÕͨ°×³ãµÆL½Óµ½ÈçͼËùʾλÖýøÐÐÏà¹Ø¼ì²é£¬µ±ÔÙ±ÕºÏÕ¢µ¶¿ª¹ØSºÍµÆL1µÄ¿ª¹ØS1ʱ£¬Èç¹û

A£®µÆLÕý³£·¢¹â£¬ËµÃ÷L1֧·ÎÞ¹ÊÕÏ

B£®µÆLÕý³£·¢¹â£¬ËµÃ÷L1֧·¶Ì·

C£®µÆL·¢¹â½Ï°µ£¬ËµÃ÷L1֧·¶Ì·

D£®µÆL²»·¢¹â£¬ËµÃ÷L1֧·¶Ì·

 

²é¿´´ð°¸ºÍ½âÎö>>

¿ÆÄ¿£º³õÖÐÎïÀí À´Ô´£º2012Ä껦¿Æ°æ³õÖÐÎïÀí¾ÅÄê¼¶14.3¼ÒÍ¥ÓõçÁ·Ï°¾í£¨½âÎö°æ£© ÌâÐÍ£ºÑ¡ÔñÌâ

ijÈÕ£¬Ð¡Ã÷¼Ò»ðÏßÉϵÄÈÛË¿ÈÛ¶Ï£¬¹À¼ÆÊǵç·ij´¦¶Ì·.  ¸ù¾ÝËùѧ֪ʶ£¬Ëû¶Ï¿ªÕ¢µ¶¿ª¹ØºÍËùÓÐÓõçÆ÷µÄ¿ª¹Ø£¬½«Ò»Ö»ÆÕͨ°×³ãµÆL½Óµ½Í¼ËùʾλÖýøÐÐÏà¹Ø¼ì²é. µ±ÔÙ±ÕºÏÕ¢µ¶¿ª¹ØSºÍµÆL1µÄ¿ª¹ØS1ʱ£¬Èç¹û      (    )

A£®µÆLÕý³£·¢¹â£¬ËµÃ÷L1֧·ÎÞ¹ÊÕÏ

B£®µÆLÕý³£·¢¹â£¬ËµÃ÷L1֧·¶Ì·

C£®µÆL·¢¹â½Ï°µ£¬ËµÃ÷L1֧·¶Ì·

D£®µÆL²»·¢¹â£¬ËµÃ÷L1֧·¶Ì·

 

²é¿´´ð°¸ºÍ½âÎö>>

¿ÆÄ¿£º³õÖÐÎïÀí À´Ô´£º2012-2013ѧÄê½­ËÕÊ¡ÑγÇÊдó·áʵÑé³õÖоÅÄê¼¶£¨ÉÏ£©Ô¿¼ÎïÀíÊÔ¾í£¨1Ô·ݣ©£¨½âÎö°æ£© ÌâÐÍ£ºÑ¡ÔñÌâ

ijÈÕ£¬Ð¡Ã÷¼Ò»ðÏßÉϵÄÈÛË¿ÈÛ¶Ï£¬¹À¼ÆÊǵç·ij´¦¶Ì·£®¸ù¾ÝËùѧ֪ʶ£¬Ëû¶Ï¿ªÕ¢µ¶¿ª¹ØºÍËùÓÐÓõçÆ÷µÄ¿ª¹Ø£¬½«Ò»Ö»ÆÕͨ°×³ãµÆL½Óµ½ÈçͼËùʾλÖýøÐÐÏà¹Ø¼ì²é£®µ±ÔÙ±ÕºÏÕ¢µ¶¿ª¹ØSºÍµÆL1µÄ¿ª¹ØS1ʱ£¬Èç¹û£¨ £©

A£®µÆLÕý³£·¢¹â£¬ËµÃ÷L1֧·ÎÞ¹ÊÕÏ
B£®µÆLÕý³£·¢¹â£¬ËµÃ÷L1֧·¶Ì·
C£®µÆL·¢¹â½Ï°µ£¬ËµÃ÷L1֧·¶Ì·
D£®µÆL²»·¢¹â£¬ËµÃ÷L1֧·¶Ì·

²é¿´´ð°¸ºÍ½âÎö>>

¿ÆÄ¿£º³õÖÐÎïÀí À´Ô´£º2011-2012ѧÄ긣½¨Ê¡ÈýÃ÷ÊдóÌïÏØ¾ÅÄê¼¶£¨ÉÏ£©ÆÚÄ©ÎïÀíÊÔ¾í£¨¶þ£©£¨½âÎö°æ£© ÌâÐÍ£ºÑ¡ÔñÌâ

ijÈÕ£¬Ð¡Ã÷¼Ò»ðÏßÉϵÄÈÛË¿ÈÛ¶Ï£¬¹À¼ÆÊǵç·ij´¦¶Ì·£®¸ù¾ÝËùѧ֪ʶ£¬Ëû¶Ï¿ªÕ¢µ¶¿ª¹ØºÍËùÓÐÓõçÆ÷µÄ¿ª¹Ø£¬½«Ò»Ö»ÆÕͨ°×³ãµÆL½Óµ½ÈçͼËùʾλÖýøÐÐÏà¹Ø¼ì²é£®µ±ÔÙ±ÕºÏÕ¢µ¶¿ª¹ØSºÍµÆL1µÄ¿ª¹ØS1ʱ£¬Èç¹û£¨ £©

A£®µÆLÕý³£·¢¹â£¬ËµÃ÷L1֧·ÎÞ¹ÊÕÏ
B£®µÆLÕý³£·¢¹â£¬ËµÃ÷L1֧·¶Ì·
C£®µÆL·¢¹â½Ï°µ£¬ËµÃ÷L1֧·¶Ì·
D£®µÆL²»·¢¹â£¬ËµÃ÷L1֧·¶Ì·

²é¿´´ð°¸ºÍ½âÎö>>

ͬ²½Á·Ï°²á´ð°¸