精英家教网 > 初中物理 > 题目详情
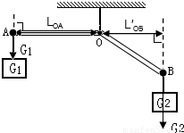
如图所示,杠杆AOB用细线悬挂起来,当A端挂重物G1,B端挂重物G2时,杠杆平衡,此时OA恰好处于水平位置,AO=BO,杠杆重力不计,则( )

A.G1<G2
B.G1>G2
C.G1=G2
D.都有可能
【答案】分析:从题知,OA处于水平位置,GA对杠杆的拉力为竖直向下,所以G1对杠杆拉力的力臂即为杠杆AO的长度,G2对杠杆拉力的方向也是竖直向下,但OB不是处于水平,所以GB对杠杆拉力的力臂OB′小于OB的长度,根据杠杆的平衡条件分析,即可得出两个物体重力的大小.
解答:解:根据杠杆的平衡条件:F1L1=F2L2可知,力与相应的力臂成反比关系,
它们的杠杆示意图如右,∵AO=BO,
∴LOA>LOB′,所以物体的重力G1<G2
故选A.
点评:本题考查了学生对杠杆的平衡条件掌握和运用,能找到各自力的力臂、确定其大小关系是本题的关键.
练习册系列答案
相关习题

科目:初中物理 来源: 题型:

6、如图所示,杠杆AOB用细线悬挂起来,当A端挂重GA的物体,B端挂重GB的物体时,杠杆处于平衡状态,此时OA恰好处于水平位置,AO=BO,杠杆重不计,则(  )

查看答案和解析>>

科目:初中物理 来源: 题型:

24、如图所示的杠杆AOB,左端挂重物G,在力臂为L的力F作用下静止在图示水平位置,请在图中作出力F.

查看答案和解析>>

科目:初中物理 来源: 题型:

如图所示,杠杆AOB的A端挂重为GA.的物体,B端挂重为GB的物体,杠杆平衡时AO处于水平位置,若AO=BO,杠杆自重不计,则GA
小于
小于
(大于/小于/等于)GB.如果在A、B两端分别再挂上一个相同的钩码,
A
A
(A/B)端会下沉.

查看答案和解析>>

科目:初中物理 来源: 题型:

如图所示,杠杆AOB的两端分别挂着重为GA和GB的两个物体,杠杆平衡时AO处于水平位置,若GA=GB,杠杆自重不计,则OA和OB的大小关系是(  )

查看答案和解析>>

科目:初中物理 来源: 题型:

如图所示,杠杆AOB的A端挂重为G.的物体,B端挂重为G的物体,杠杆平衡时AO处于水平位置,若AO=BO,杠杆自重不计,则GA和GB的大小关系是、GA
GB

查看答案和解析>>

同步练习册答案