精英家教网 > 初中物理 > 题目详情
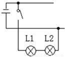
如图所示,灯泡L1,L2属于并联接法的是( )
A.
B.
C.
D.
【答案】分析:根据并联电路的特点进行分析,即并联电路是将用电器并列起来的电路.
解答:解:A 两个电灯是顺次连接起来的,所以是串联电路,故A选项错误;
B 两个灯泡是并列连接的,所以是并联电路,故B选项错误;
C D选项中的两个灯泡都是顺次连接起来的,故C D选项错误.
故选B
点评:知道串并联电路的特点,会识别串联电路和并联电路.
练习册系列答案
相关习题

科目:初中物理 来源: 题型:

3、如图所示,灯泡L1,L2属于并连接法的是(  )

查看答案和解析>>

科目:初中物理 来源: 题型:

精英家教网如图所示,灯泡L1标有“3V、0.3A”的字样,灯泡L2的电阻为8.33Ω,电源电压为6V.当S1闭合,S2断开,滑片P滑至中点C时,灯L1正常发光,不正确的说法是(  )
A、通过L1的电流和通过RAC的电流都是0.3AB、灯泡L2两端的电压也是3伏C、滑动变阻器AC两端,此时的电压是3伏D、灯泡L1的电阻10欧

查看答案和解析>>

科目:初中物理 来源: 题型:

如图所示,灯泡L1、L2串联在电路中,开关闭合后两个灯泡都不亮.用电压表测L1两端电压时,其示数为0;再用电压表测L2两端的电压时,其示数为6V.则灯泡L1、L2的状况是(  )

查看答案和解析>>

科目:初中物理 来源: 题型:

精英家教网如图所示,灯泡L1与滑动变阻器串联,灯泡L2与它们并联,闭合开关后,将滑片向右移动时两只灯泡的亮度变化情况是(  )

查看答案和解析>>

科目:初中物理 来源: 题型:

如图所示,灯泡L1比L2亮,电压表V2示数为6V,下列说法正确的是(  精英家教网

查看答案和解析>>

同步练习册答案