精英家教网 > 初中物理 > 题目详情
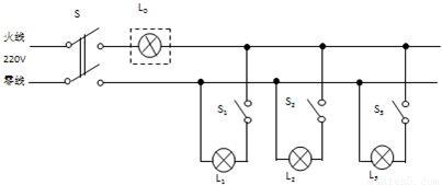
电工师傅常用一只标有“220V 40W”的灯泡L(检验灯泡)取代保险丝来检查新安装的照明电路中每个支路的情况,如图所示.当只闭合S、S1时L不亮;当只闭合S、S2时,L和L2都呈暗红色;当只闭合S、S3时,L正常发光.由此可以判断( )
A.L1所在的支路短路
B.L2所在的支路断路
C.L3所在的支路短路
D.各支路均完好
【答案】分析:将额定电压220V的“校验灯”,接在保险丝的两只接线柱上,是相当于把此灯串联入电路中,它会有三种状态:“校验灯”恰能正常发光,说明该支路短路,“校验灯”发光不正常(暗红色)说明该支路工作正常,“校验灯”不发光说明该支路断路.
解答:解:A、当只闭合S、S1,当L不亮时,说明电路是断路状态.L1所在支路断路,故A错误.
B、当只闭合S、S2时,L和L2都呈暗红色,说明L与L2是串联,两个灯得到的电压小于220V,故不能正常发光.L2应该是好的,故B错误.
C、当只闭合S、S3时,L正常发光,说明L3所在支路短路时,校验灯正常发光,故C正确.
D、L1所在支路断路、L3所在支路短路、L2应该是好的,故D错误.
故选C.
点评:本题考查了用校验灯检修家庭电路的故障.根据校验灯的三种发光情况得出电路是否存在故障.
练习册系列答案
相关习题

科目:初中物理 来源: 题型:

11、电工师傅常用一只标有“220V 40W”的灯泡L0(检验灯泡)取代保险丝来检查新安装的照明电路中每个支路的情况,如图所示.当只闭合S、S1时L0不亮;当只闭合S、S2时,L0和L2都呈暗红色;当只闭合S、S3时,L0正常发光.由此可以判断(  )

查看答案和解析>>

科目:初中物理 来源: 题型:

(2011?宿迁模拟)电工师傅常用一只标有“220V 40W”的灯泡L0(检验灯泡)取代保险丝来检查新安装的照明电路中每个支路的情况,如图所示.当只闭合S、S1时,L0和L1都不亮;当只闭合S、S2时,L0和L2都呈暗红色;当只闭合S、S3时,L0和L3都呈暗红色.则(  )

查看答案和解析>>

科目:初中物理 来源: 题型:

(2010?太仓市模拟)照明电路发生了短路故障,电工师傅常用一只标有“220V  40W”的灯泡L0(检验灯泡)取代保险丝来检查新安装的照明电路每个支路的情况,如图所示,当只闭合S、S1时,L0和L1都不亮;当只闭合S、S2时,L0和L2都呈暗红色;当只闭合S、S3时,L0正常发光,由此可以判断:L1所在支路
断路
断路
;L2所在支路
完好
完好
;L3所在支路
短路
短路
.(填断路、短路、完好)

查看答案和解析>>

科目:初中物理 来源: 题型:

精英家教网电工师傅常用一只标有“220V 40W”的L0 (检验灯泡)取代保险丝来检查新安装的照明电路中每个支路的情况,如图所示,当只闭合S、S1时,L0不亮;当只闭合S、S2时,L0和L2都呈暗红色;当只闭合S、S3时,L0正常发光.则下列说法中不正确的是(  )

查看答案和解析>>

科目:初中物理 来源:2011-2012年山东聊城市八年级下学期期末考试物理试卷(解析版) 题型:选择题

电工师傅常用一只标有“220V 40W”的灯泡L0(检验灯泡)取代保险丝来检查新安的照明电路中每个支路的情况,如图所示。当只闭合S、S1时,L0不亮;当只闭合S、S2时,L0和L2都呈暗红色;当只闭合S、S3时,L0正常发光。由此可以判断       (    )

A.L1所在的支路短路               B.L2所在的支路断路

C.L3所在的支路短路                D.各支路均完好

 

查看答案和解析>>

同步练习册答案