8£®ÔÚ¡°²âÁ¿Ð¡µÆÅݵŦÂÊ¡±µÄʵÑéÖУ¬ËùÓÃСµÆÅݵĶµçѹÊÇ3.8V£¬Ð¡µÆÅݵĶ¹¦ÂÊСÓÚ1.2W£®
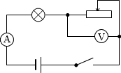
£¨1£©ÇëÔÚͼ1·½¿òÖл­³öʵÑéµç·ͼ£®
£¨2£©Èçͼ2ÊÇС¸ÚͬѧûÓÐÁ¬½ÓÍêµÄʵÎïµç·£¬ÇëÄãÓñʻ­Ïß°ïËû½«µç·Á¬½ÓÍêÕû£®
£¨3£©Á¬½Óµç·ʱ£¬¿ª¹ØÓ¦¶Ï¿ª£¬»¬¶¯±ä×èÆ÷µÄ»¬Æ¬Ó¦ÒÆÏò×îÓÒ¶Ë£¨Ñ¡Ìî¡°×󡱡°ÓÒ¡±£©£®
£¨4£©±ÕºÏ¿ª¹Ø£¬·¢ÏÖµçѹ±íʾÊýΪ3V£¬»¬¶¯±ä×èÆ÷µÄ»¬Æ¬Ó¦Ïò×ó¶ËÒÆ£¨Ñ¡Ìî¡°×󡱡°ÓÒ¡±£©£¬Ê¹Ð¡µÆÅÝÁ½¶ËµçѹΪ3.8V£¬ÕâʱµçÁ÷±íÖ¸ÕëÈçͼ17£¬ÔòµçÁ÷Ϊ0.3 A£¬Ð¡µÆÅݵĶ¹¦ÂÊÊÇ1.14W£®ÕâʱµÆË¿µç×èÔ¼12.7¦¸£®£¨±£Áô¶þλСÊý£©
£¨5£©µç·ÖеϬ¶¯±ä×èÆ÷µÄÁ½¸ö×÷ÓÃÊÇ£º±£»¤µç·ºÍ¸Ä±äµÆÅݵĵçѹºÍµçÁ÷£®
£¨6£©Èô±ÕºÏ¿ª¹Øºó£¬Ð¡µÆÅݲ»ÁÁ£¬µçÁ÷±íµÄʾÊýΪÁ㣬µçѹ±íʾÊý½Ó½üµçÔ´µçѹ£¬Ôò¿ÉÄܵÄÔ­ÒòÊǵÆÅݶÏ·£®

·ÖÎö £¨1£©»­³öµç·ͼ£¬µçѹ±íÓëµÆÅݲ¢Áª£¬µçÁ÷±í¡¢»¬¶¯±ä×èÆ÷ÓëµÆÅÝ´®Áª£»
£¨2£©½«µçÁ÷±íºÍ»¬¶¯±ä×èÆ÷ÕýÈ·½ÓÈëµç·£¬¸ù¾ÝI=$\frac{U}{R}$ÅжϵçÁ÷±íµÄÁ¿³Ì£¬»¬¶¯±ä×èÆ÷Ò»ÉÏһϽÓÈëµç·ÖУ»
£¨3£©Îª±£»¤µç·£¬Ó¦½«±ä×èÆ÷µÄ»¬Æ¬ÒÆÖÁ×î´ó×èÖµ´¦£»
£¨4£©Òª²âÁ¿µÆÅݵĶ¹¦ÂÊ£¬Ó¦Ê¹µÆÅÝÁ½¶ËµÄµçѹµÈÓÚÆä¶î¶¨µçѹ£»
¶Á³öµçÁ÷±íµÄʾÊý£¬¸ù¾ÝP=UI¼ÆËã³öÆä¶î¶¨µç¹¦ÂÊ£¬¸ù¾ÝR=$\frac{U}{I}$¼ÆËã³öÆäµç×èÖµ£»
£¨5£©»¬¶¯±ä×èÆ÷µÄ×÷ÓÃÊDZ£»¤µç·£¬¸Ä±äµÆÅÝÁ½¶ËµÄµçѹºÍµçÁ÷£»
£¨6£©Ð¡µÆÅݲ»ÁÁ¡¢µçÁ÷±íµÄʾÊýΪÁ㣬µçѹ±íÓÐʾÊý£¬ÔòÓëµçѹ±í²¢ÁªµÄµç·¶Ï·£®

½â´ð ½â£º£¨1£©µç·ͼÈçͼËùʾ£º

£¨2£©½«µçÁ÷±í´®ÁªÔÚµç·ÖУ¬µÆÅÝÕý³£·¢¹âʱµÄµçÁ÷£º
I=$\frac{P}{U}$=$\frac{1.2W}{3.8V}$¡Ö0.3A£¬ËùÒÔµçÁ÷±íӦѡÔñ0¡«0.6AµÄÁ¿³Ì£»
»¬¶¯±ä×èÆ÷ÒѽÓÁËÏÂÃæÒ»¸ö½ÓÏßÖù£¬¿ÉÔÙ½ÓÉÏÃæÈÎÒâÒ»¸ö½ÓÏßÖù£¬ÈçͼËùʾ£º

£¨3£©Îª±£»¤µç·£¬Ó¦¶Ï¿ª¿ª¹Ø£»
»¬¶¯±ä×èÆ÷µÄÏÂÃæ½ÓÁË×ó±ßµÄ½ÓÏßÖù£¬Ó¦½«»¬Æ¬ÒÆÖÁ×îÓÒ¶Ë£¬Ê¹Æä×èÖµ×î´ó£»
£¨4£©µçѹ±íµÄʾÊýΪ3V£¬µÍÓڶµçѹ£¬Ó¦¼õС±ä×èÆ÷µÄ×èÖµ£¬½«»¬Æ¬Ïò×󻬶¯£¬Ê¹Ð¡µÆÅݵĵçѹΪ3.8V£»
ÓÉͼ3Öª£¬µçÁ÷±íµÄÁ¿³ÌΪ0¡«0.6A£¬Ê¾ÊýΪ0.3A£»
ÔòСµÆÅݵĵ繦ÂÊΪP=UI=3.8V¡Á0.3A=1.14W£»
µç×èR=$\frac{U}{I}$=$\frac{3.8V}{0.3A}$=12.7¦¸£»
£¨5£©±ä×èÆ÷ÔÚʵÑéÖÐÊ×ÏȾßÓб£»¤µç·µÄ×÷Óã»
ͬʱ¿ÉÒÔµ÷½ÚµÆÅÝÁ½¶ËµÄµçѹ£¬¸Ä±äµç·ÖеĵçÁ÷£»
£¨6£©±ÕºÏ¿ª¹Øºó£¬Ð¡µÆÅݲ»ÁÁ£¬µçÁ÷±íµÄʾÊýΪÁ㣬µçѹ±íʾÊý½Ó½üµçÔ´µçѹ£¬Ôò¿ÉÄÜÓëµçѹ±í²¢ÁªµÄµÆÅݶÏ·£®
¹Ê´ð°¸Îª£º£¨1£©¼ûÉÏͼ£»£¨2£©¼ûÉÏͼ£»£¨3£©¶Ï¿ª£»ÓÒ£»£¨4£©×ó£»3.8£»0.3£»1.14£»12.7£»£¨5£©±£»¤µç·£»¸Ä±äµÆÅݵĵçѹºÍµçÁ÷£»£¨6£©µÆÅݶÏ·£®

µãÆÀ ±¾ÌâÊDzâÁ¿µÆÅݶ¹¦ÂʵÄʵÑ飬¿¼²éÁ˵ç·ͼµÄ»­·¨¡¢ÊµÎïµç·µÄÁ¬½Ó¡¢µçÁ÷±íµÄ¶ÁÊý¡¢±ä×èÆ÷µÄʹÓᢵ繦Âʺ͵ç×èµÄ¼ÆËã¼°µç·¹ÊÕϵķÖÎö£¬¿¼²éÈ«Ãæ£®

Á·Ï°²áϵÁдð°¸
Ïà¹ØÏ°Ìâ

¿ÆÄ¿£º³õÖÐÎïÀí À´Ô´£º ÌâÐÍ£ºÌî¿ÕÌâ

18£®À×ÉùԤʾ´óÓê¼´½«À´ÁÙ£¬Õâ˵Ã÷ÉùÒôÄÜ´«µÝÐÅÏ¢£¬ÀûÓó¬Éù²¨³ýÈ¥ÈËÌåÄڵĽáʯ£¬Õâ˵Ã÷ÉùÒô¾ßÓÐÄÜÁ¿£¬ÉùÒôÔÚ¿ÕÆøÖеÄËÙ¶ÈÊÇ340m/s£®

²é¿´´ð°¸ºÍ½âÎö>>

¿ÆÄ¿£º³õÖÐÎïÀí À´Ô´£º ÌâÐÍ£ºÌî¿ÕÌâ

19£®Á÷ÌåÔÚÁ÷ËÙ´óµÄµØ·½Ñ¹Ç¿Ð¡£»´¬Õ¢ÊÇÀûÓÃÁ¬Í¨Æ÷Ô­Àí¹¤×÷µÄ£»³¤½­ÈýÏ¿´ó°Ó¸ß170m£¬¸ù¾Ý±¨µ¼£¬µ±ÐîË®Éî¶È´ïµ½139m£¬Ôò°Óµ×ËùÊÜË®µÄѹǿΪ1.39¡Á106Pa£®

²é¿´´ð°¸ºÍ½âÎö>>

¿ÆÄ¿£º³õÖÐÎïÀí À´Ô´£º ÌâÐÍ£ºÑ¡ÔñÌâ

16£®ÈçͼËùʾµÄ¼×¡¢ÒÒÁ½´¬Í£ÔÚË®ÃæÉÏ£¬Èç¹û¼×´¬ÉϵÄÈËÓÃÁ¦ÍÆÒÒһϣ¬Æä½á¹ûÊÇ£¨¡¡¡¡£©
A£®¼×ÈÔÈ»¾²Ö¹£¬ÒÒ±»ÍÆ¿ªB£®ÒÒÊܵ½¼×µÄÁ¦£¬¼×²»ÊÜÍÆÁ¦×÷ÓÃ
C£®ÒÒÊܵ½µÄÍÆÁ¦´óÓÚ¼×Êܵ½µÄÍÆÁ¦D£®¼×¡¢ÒÒͬʱÏà¶ÔÀ뿪

²é¿´´ð°¸ºÍ½âÎö>>

¿ÆÄ¿£º³õÖÐÎïÀí À´Ô´£º ÌâÐÍ£º½â´ðÌâ

3£®ÈçͼËùʾ£¬±íÃæ»ýΪ2m2µÄˮƽ×ÀÃæµÄÕýÖÐÑë·Å×ÅÒ»¸öÔ²ÐÎÓã¸×£¬ÖÊÁ¿Îª3kg£¬Æäµ×Ãæ»ýΪ1200cm2£®Óã¸×ÄÚ×°ÓÐ0.2mÉîµÄË®£¬Ë®µÄÖÊÁ¿ÊÇ27kg£®£¨g=10N/kg£©£®Çó£º
£¨1£©ÇóÓã¸×ÄÚË®µÄÌå»ý£®
£¨2£©Óã¸×¶Ô×ÀÃæ²úÉúµÄѹÁ¦£®
£¨3£©Óã¸×¶Ô×ÀÃæ²úÉúµÄѹǿ£®

²é¿´´ð°¸ºÍ½âÎö>>

¿ÆÄ¿£º³õÖÐÎïÀí À´Ô´£º ÌâÐÍ£º½â´ðÌâ

13£®ÈçͼËùʾµç·ͼÖУ¬µ±S1¡¢S2¶¼½Óͨºó£¬µçѹ±íËù²âÁ¿µÄÊǵÆL2Á½¶ËµÄµçѹ£¬ÔÚ·½¿òÖл­³öµç·ͼ£®

²é¿´´ð°¸ºÍ½âÎö>>

¿ÆÄ¿£º³õÖÐÎïÀí À´Ô´£º ÌâÐÍ£ºÌî¿ÕÌâ

20£®ÀûÓû¬¶¯±ä×èÆ÷»¬Æ¬µÄ»¬¶¯»ò¿ª¹ØµÄͨ¶Ï¸Ä±äµç·Öеç×è»ò¸Ä±äµç·µÄ×é³ÉÀ´ÒýÆðµç·ÖеçÁ÷µÄ±ä»¯£¬½ø¶øÒýÆð¸÷ÓõçÆ÷µçѹµÄ±ä»¯£»¶Ì·Ҳ»áµ¼ÖµçÁ÷±í¡¢µçѹ±íʾÊýµÄ±ä»¯£®

²é¿´´ð°¸ºÍ½âÎö>>

¿ÆÄ¿£º³õÖÐÎïÀí À´Ô´£º ÌâÐÍ£ºÌî¿ÕÌâ

17£®Ð¡Ã÷ÔÚË®ÅèÖÐÏ´Í룬·¢ÏÖÒ»¸ö´óÍëÕýƯ¸¡ÔÚË®ÅèÖУ¬ÈçͼËùʾ£®Ëû½«Ë®ÅèÖеÄһЩˮ·ÅÈë´óÍëÖУ¬µ«´óÍëÈÔȻƯ¸¡£®ÓëÔ­ÏÈÏà±È£¬´óÍëËùÊܵ½µÄ¸¡Á¦½«±ä´ó £¨Ñ¡Ìî¡°±ä´ó¡±¡¢¡°²»±ä¡±»ò¡°±äС¡±£©£¬Ë®ÅèÖеÄË®Ãæ½«»á²»±ä £¨Ñ¡Ìî¡°ÉÏÉý¡±¡¢¡°²»±ä¡±»ò¡°Ï½µ¡±£©£®

²é¿´´ð°¸ºÍ½âÎö>>

¿ÆÄ¿£º³õÖÐÎïÀí À´Ô´£º ÌâÐÍ£ºÑ¡ÔñÌâ

15£®Ð¡Ã÷ÔÚ̽¾¿¡°µçÁ÷Óëµçѹ¹ØÏµ¡±µÄʵÑéʱ£¬¸ù¾ÝʵÑéÊý¾Ý£¬Í¨¹ý·ÖÎö×ܽá³öÏÂÃæËľ仰£¬ÄãÈÏΪÕýÈ·µÄÊÇ£¨¡¡¡¡£©
A£®µçÁ÷¸úµ¼ÌåµÄµç×è³É·´±ÈB£®µçÁ÷¸úµçѹ³ÉÕý±È
C£®µç×èÒ»¶¨Ê±£¬µçÁ÷¸úµçѹ³ÉÕý±ÈD£®µçѹһ¶¨Ê±£¬µçÁ÷¸úµç×è³ÉÕý±È

²é¿´´ð°¸ºÍ½âÎö>>

ͬ²½Á·Ï°²á´ð°¸