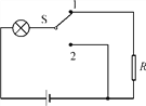
【题目】如图是某课外活动小组设计的小台灯电路图,S为单刀双掷开关,电源电压为12 V,且保持不变,小灯泡的额定功率是6 W,电阻R的阻值为6 Ω.当开关S接“2”时,小灯泡恰好正常发光.若灯丝电阻不变,试求:
![]()
(1)小灯泡的额定电流是多少?灯丝的电阻是多少?
(2)小灯泡正常发光5 min,电流通过小灯泡做的功是多少?
(3)开关S接“1”时,电阻R的功率是多少?
【答案】(1) 24 Ω (2) 1 800 J (3) 0.96 W
【解析】试题分析:(1)由题意可知,电源电压U=12V,当开关S接“2”时,小灯泡直接接在电源上,小灯泡恰好正常发光,UL=U=12V,PL=P额=6W,由P=UI可得小灯泡的额定电流:IL=PL/UL=6W/12V=0.5A;由P=U2/R得灯丝电阻:RL=UL2/PL=(12V)2/6W=24Ω;(2)小灯泡正常发光,PL=P额=6W,5min电流通过小灯泡做的功:WL=PLt=6W×5×60s=1800J;(3)开关S接“1”时,灯和电阻R串联,电路中电流:
I′=U/(R+RL)=12V/(24Ω+6Ω)=0.4A,电阻R的功率:PR=(I′)2R=(0.4A)2×6Ω=0.96W。
科目:初中物理 来源: 题型:
【题目】如图甲,是“探究某种固体物质熔化特点”的实验装置,图乙是根据实验数据描绘出的该物质在熔化过程中温度随时间变化的图象.
![]()
(1)实验中,用烧杯中的热水加热试管中固体物质,好处是 ;由图乙可知,该物质是 (选填“晶体”或“非晶体”).
(2)图乙中,该物质在t1时具有的内能 (选填“大于”、“等于”或“小于”)在t2时的内能.
查看答案和解析>>
科目:初中物理 来源: 题型:
【题目】如图所示电路中,电源电压保持不变,先闭合开关S1,观察电流表、电压表的示数;再闭合开关S2、S3,电表示数的变化情况正确的是( )
![]()
A.电流表示数变大,电压表示数变大
B.电流表示数变小,电压表示数变小
C.电流表示数变大,电压表示数变小
D.电流表示数变小,电压表示数变大
查看答案和解析>>
科目:初中物理 来源: 题型:
【题目】如图,容器中间用隔板分成左右两部分,隔板与容器的接触部分密合,隔板下部有一圆孔用薄橡皮膜封闭,橡皮膜两侧受力不平衡时会发生形变.此装置( )
![]()
A. 左右构成一个连通器
B. 可以探究液体的压强是否与液体的深度、液体密度有关
C. 可以验证液体内部向各个方向的压强相等
D. 可以探究液体内部的压强是否与液体的重力和体积有关
查看答案和解析>>
科目:初中物理 来源: 题型:
【题目】小华总结两年来所做的物理探究实验发现:
![]()
(1)当要研究的物理量不易直接测量时,都要想办法把它们的大小间接表示出来
如:甲实验是让木块在水平面上做 运动,通过读取弹簧测力计上的示数间接知道摩擦力的大小;乙实验中小球动能的大小是通过比较物块A在水平面上移动距离S的大小反映出来的.
(2)当要研究的物理量与多个因素有关时,都要采用 法.如:甲实验研究摩擦力的大小与压力大小关系,就要多次改变 大小,同时保持接触面的粗糙程度不变;乙实验研究小球动能的大小与速度的关系就要多次改变小球到达水平面速度的大小,同时控制小球的 不变.
查看答案和解析>>
科目:初中物理 来源: 题型:
【题目】雨后晴朗的夜晚为了不踩到地面的积水,下列判断中正确的是( )
A. 迎着月光走,地上发亮处是水;背着月光走,地上暗处是水
B. 迎着月光走,地上暗处是水;背着月光走,地上发亮处是水
C. 无论迎着月光走还是背着月光走,地上发亮处都应是水
D. 无论迎着月光走还是背着月光走,地上暗处都应是水
查看答案和解析>>
科目:初中物理 来源: 题型:
【题目】某太阳能热水器内装有60kg初温为25℃的水,经过一天的太阳照射,水温升高到 75℃,[水的比热容为4.2×103J/(kg·℃)]
求:(1)水吸收的热量是多少J?
(2)要产生同样多的热量,用“220V 2000W”的电热水器正常工作需要的时间是多少min?
(3)电热水器正常工作时的电流是多少A?(保留一位小数)
查看答案和解析>>
科目:初中物理 来源: 题型:
【题目】在探究“光反射时的规律”实验中,如图甲小华在纸板上用笔描出入射光EO和反射光OF的径迹,接着她把纸板NOF向前折或向后折(如图乙),在纸板上_______(选填“能”或“不能”)看到反射光,由此得出______________的结论。在图甲所示的实验中如果让光沿FO方向射到镜面,会发现反射光沿OE方向射出,这表明在反射现象中,______________。
![]()
![]()
查看答案和解析>>
科目:初中物理 来源: 题型:
【题目】根据欧姆定律公式I=U/R,可变形得到R=U/I。对此,下列说法中正确的是( )
A.导体电阻的大小跟导体两端的电压成正比
B.导体电阻的大小跟导体中的电流强度成反比
C.当导体两端的电流为零时,导体的电阻也为零
D.导体电阻的大小跟导体两端的电压和通过导体的电流强度无关
查看答案和解析>>
湖北省互联网违法和不良信息举报平台 | 网上有害信息举报专区 | 电信诈骗举报专区 | 涉历史虚无主义有害信息举报专区 | 涉企侵权举报专区
违法和不良信息举报电话:027-86699610 举报邮箱:58377363@163.com