精英家教网 > 初中物理 > 题目详情

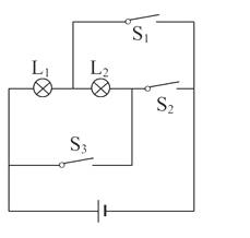
如图所示电路中,当_____闭合时,L1、L2 并联;当_____闭合时,电路会发生短路,损坏电源.

若使L1、L2 并联,则L1、L2互不影响,电流有两条路径,故闭合S1、S3.S2、S3同时闭合时,电流不经过用电器直接流到负极,发生短路.

答案:S1、S3   S2、S3

练习册系列答案
相关习题

科目:初中物理 来源: 题型:

(2008?遵义)在如图所示电路中,当滑动变阻器滑片P从a向b滑动的过程中,电流表的示数
减小
减小
;电压表的示数
减小
减小
(填“增大”、“减小”或“不变”).

查看答案和解析>>

科目:初中物理 来源: 题型:

(2008?昆明)如图所示电路中,当开关闭合后,电流表A1、A2的示数比I1:I2=5:3,则电阻比R1:R2=
3:5
3:5
,电流表A1、A3的示数比I1:I3=
5:8
5:8

查看答案和解析>>

科目:初中物理 来源: 题型:

如图所示电路中,当开关闭合时两灯都能发光,且图中a、b分别是电流表或电压表,则a是
电流
电流
表,b是
电压
电压
表.

查看答案和解析>>

科目:初中物理 来源: 题型:

在如图所示电路中,当闭合开关后,滑动变阻器的滑动片P向右移动时(  )

查看答案和解析>>

科目:初中物理 来源: 题型:

精英家教网在如图所示电路中,当开关S1闭合时,为使电流表、电压表的示数都减小,下列操作正确的是(  )

查看答案和解析>>

同步练习册答案