科目:初中物理 来源: 题型:
查看答案和解析>>
科目:初中物理 来源:2011-2012年江苏省实验学校初三第一学期期中考试物理卷 题型:选择题
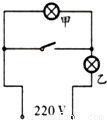
如图所示,家庭照明灯的一种按键开关上常有一个指示灯。在实际使用中发现:当开关闭合时,只有照明灯发光;开关断开时,照明灯熄灭,指示灯会发出微弱光,以便夜间显示开关的位置。根据这种按键开关的控制特性,能正确表示照明灯(甲)和指示灯(乙)连接方式的电路图是又图中的 ( )
![]()
查看答案和解析>>
科目:初中物理 来源:2012届第一学期无锡地区锡山区港下中学初三物理期中考试试卷 题型:选择题
如图所示,家庭照明灯的一种按键开关上常有一个指示灯。在实际使用中发现:当开关闭合时,只有照明灯发光;开关断开时,照明灯熄灭,指示灯会发出微弱光,以便夜间显示开关的位置。根据这种按键开关的控制特性,能正确表示照明灯(甲)和指示灯(乙)连接方式的电路图是图中的 ( )
![]()
查看答案和解析>>
科目:初中物理 来源:2012-2013学年江苏省无锡市光华学校九年级(上)期中物理试卷(解析版) 题型:选择题
查看答案和解析>>
科目:初中物理 来源:2011年江西省吉安市吉水县丁江中学中考物理模拟试卷(解析版) 题型:选择题
查看答案和解析>>
湖北省互联网违法和不良信息举报平台 | 网上有害信息举报专区 | 电信诈骗举报专区 | 涉历史虚无主义有害信息举报专区 | 涉企侵权举报专区
违法和不良信息举报电话:027-86699610 举报邮箱:58377363@163.com