精英家教网 > 初中物理 > 题目详情
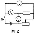
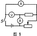
利用图所示的电路,探究串并联电路中的电流、电压规律的过程中,保持电源电压不变,闭合开关s后,将滑片从滑动变阻器的中点向右移动,将会引起三只电表示数的变化情况是(  )
分析:先根据电压表和电流表在电路中的连接特点,画出电路连接的等效图,知道滑动变阻器和定值电阻的连接情况;然后分析电压表、电流表测量的值,最后利用欧姆定律公式分析在滑动变阻器的滑片向右移动的过程中电路的电压和电流的变化情况,从而得出引起三只电表示数的变化情况.
解答:解:(1)若表①为电压表,表②、③为电流表,电路图如图1;则定值电阻和滑动变阻器并联,表①测量的是并联电路的电压,也是电源电压,因此的表①示数不变;③测量的是通过定值电阻的电流,又因为并联电路各支路互不影响,因此定值电阻上通过的电流不变,即表③示数不变;表②测量的是干路上的电流,而滑动变阻器中的电流,当滑片向右移动时,滑动变阻器接入电路的阻值增大,并联电路两端电压不变,由I=
U
RL
可得,滑动变阻器中的电流变小;所以干路电流减小,即表②示数变小;故A、B选项中B选项正确;
(2)若表①为电流表,表②、③为电压表,电路图如图1;则定值电阻和滑动变阻器串联,表③测量的是电源电压保持不变,因此表③示数不变;表①测量的是串联电路的电流,由于滑片向右移动时,滑动变阻器接入电路的阻值增大,串联电路的总电阻增大,由I=
U
R 
可得,电路的电流变小;所以串联电路的电流减小,即表①示数变小;表②测量的是通过定值电阻两端的电压,因串联电路电流减小,因此定值电阻上的电压减小,即②示数变小;故C、D选项中D选项正确;
故选B、D.
点评:本题考查滑动变阻器的使用、串并联电路的电压和电流规律以及欧姆定律的应用的掌握情况;以及电压表和电流表测量的电压和电流比较判断.本题的关键是分析电路图,能够识别电路的连接方式,分清电表的测量对象.
练习册系列答案
相关习题

科目:初中物理 来源: 题型:

在做“探究影响电流做功多少的因素”实验时,可以根据灯 泡的亮暗程度比较相同时间内电流做功的多少.如图是进行该探 究的电路之一.

(1)提供“2.5V”和“3 8V”两种规格的灯泡若干,则你所选用的灯 泡是

(2)利用如图所示电路,可控制变量 相等,探究电流做功多少与 的关系.

(3)对于“电流做功多少与通电时间的关系”,是否必需通过实验探究发现? (不必,必须)简要说明你的观点

查看答案和解析>>

同步练习册答案