精英家教网 > 初中物理 > 题目详情

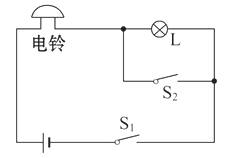
如图所示的电路,闭合开关S1和S2后,下列分析正确的是(  )

A.小灯泡亮,电铃响

B.小灯泡亮,电铃不响

C.小灯泡不亮,电铃响

D.小灯泡不亮,电铃不响

C.从电路连接情况分析:只闭合S1时,电流通过灯泡和电铃.若再闭合S2时,则电流会通过S2,而不经过灯泡,所以小灯泡不亮,电铃响.故选C.

练习册系列答案
相关习题

科目:初中物理 来源: 题型:

(2010?毕节地区)小红在做“探究串联电路电压的规律”实验时,连好了如图所示的电路,闭合开关S后发现L1正常发光,L2只能微弱发光,以下对于这一现象产生原因的分析中,合理的是(  )

查看答案和解析>>

科目:初中物理 来源: 题型:

(2011?荆门)如图所示的电路,闭合开关后,当滑片P向左移动时,下列说法正确的是(  )

查看答案和解析>>

科目:初中物理 来源: 题型:

(2011?南海区模拟)如图所示的电路中,闭合开关S后,螺线管的下端为
N
N
极.发电机是利用
电磁感应
电磁感应
原理制成的.如图所示的电路,闭合开关,观察到灯Ll比灯L2亮,由此你能推断出
灯L1两端的电压大于灯L2两端的电压,灯L1的电阻大于灯L2的电阻;灯L1的实际电功率大于灯L2的实际电功率
灯L1两端的电压大于灯L2两端的电压,灯L1的电阻大于灯L2的电阻;灯L1的实际电功率大于灯L2的实际电功率

查看答案和解析>>

科目:初中物理 来源: 题型:

(2010?南昌)在“测定小灯泡功率”的实验中,粗心的小红用电压为3V的电源,标有10Ω的定值电阻、标有0~10Ω的滑动变阻器、标有2.5V的小灯泡、开关、电流表、电压表各一只,导线若干连接了如图所示的电路.闭合开关后发现电压表的读数约为3V,电流表的读数为
0
0
A,小灯泡的发光情况是
不发光
不发光
,小红欲拆掉重来.一旁聪明的小明发现错误后只在原电路中增加一根导线,电路就能正常工作了.请你在图中画出连接的这根导线.
小红继续实验,闭合开关后,电压表、电流表示数如图乙所示,此时小灯泡的功率是
0.52
0.52
W.灯泡发光亮度与正常发光时的亮度相比
更暗
更暗
(选填“更亮”、“更暗”或“一样亮”).

查看答案和解析>>

科目:初中物理 来源: 题型:

如图所示的电路,闭合开关,滑动变阻器的滑片向右端移动时,电流表的示数以及灯
泡的亮度变化情况是(  )

查看答案和解析>>

同步练习册答案