精英家教网 > 初中物理 > 题目详情
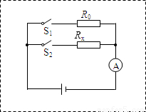
为测量电阻Rx的阻值,老师提供了以下器材:待测电阻Rx、已知阻值的定值电阻R一个、电压不变但电压值未知的电源一个、电流表一只、开关两个、导线若干.从中选择器材按下述要求完成实验.
(1)将所设计的电路图画在方框内;
(2)写出实验步骤;
(3)利用测得数据写出待测电阻Rx的表达式:Rx=______.

【答案】分析:利用伏安法测电阻,需用到电流表和电压表,在此实验中,没有电压表,但给出了一个电流表和已知电阻,所以电流表和已知电阻可替代电压表的作用,因此实验中可将两个电阻并联.即可直接测得电流也可间接测得电压.
解答:解:
(1)电路图如图:

(2)实验步骤:
①按电路图连接电路.
②闭合开关S1,断开开关S2,读出此时电流表的示数I1
③闭合开关S2,断开开关S1,读出此时电流表的示数I2
④根据所测数据计算得出Rx的阻值.
(3)由②知,电阻两端的电压U=I1R
所以R===
故答案为:(1)电路如上图;(2)步骤如上;(3)
点评:此题是测量电阻的实验设计,在实验中用一个定值电阻和一块电流表代替了电压表,设计实验的宗旨就是怎样能间接地测出电阻两端的电压.
练习册系列答案
相关习题

科目:初中物理 来源: 题型:

(2013?东营)为测量电阻Rx的阻值,老师提供了以下器材:待测电阻Rx、已知阻值的定值电阻R0一个、电压不变但电压值未知的电源一个、电流表一只、开关两个、导线若干.从中选择器材按下述要求完成实验.
(1)将所设计的电路图画在方框内;
(2)写出实验步骤;
(3)利用测得数据写出待测电阻Rx的表达式:Rx=
I1
I2
R0
I1
I2
R0

查看答案和解析>>

科目:初中物理 来源: 题型:

精英家教网小亮为测量电阻Rx的阻值,选择了以下器材:待测电阻Rx、阻值已知的定值电阻R0、电压不变(电压值未知)的电源一个、电流表一只、开关两个、导线若干.如图所示,小亮连接了实验电路,但实验步骤没有写完整,请你帮助完成实验步骤,并写出电阻Rx的表达式.
(1)闭合开关S1、S2,读出此时电流表的示数I1
(2)
 
,读出此时电流表的示数I2
(3)根据所测数据计算得出Rx=
 

查看答案和解析>>

科目:初中物理 来源:2014届北京市石景山区初三第一学期期末考试物理试卷(解析版) 题型:实验题

(3分)小亮为测量电阻Rx的阻值,选择了以下器材:待测电阻Rx、阻值已知的定值电阻R0、电压不变(电压值未知)的电源一个、电流表一只、开关两个、导线若干。如图所示,小亮连接了实验电路,但实验步骤没有写完整,请你帮助完成实验步骤,并写出电阻Rx的表达式。

(1)闭合开关S1、S2,读出此时电流表的示数I1

(2)               ,读出此时电流表的示数I2

(3)根据所测数据计算得出Rx=              

 

 

查看答案和解析>>

科目:初中物理 来源:2013-2014学年湖北省黄冈市红安县六校九年级12月联考物理试卷(解析版) 题型:实验题

为测量电阻Rx的阻值,老师提供了以下器材:待测电阻Rx、已知阻值的定值电阻R0一个、电压不变但电压值未知的电源一个、电流表两只、开关一个、导线若干.从中选择器材按下述要求完成实验.

(1)将所设计的电路图画在方框内;

(2)如果电流表A1的示数为I1, 电流表A2的示数为I2,请写出待测电阻Rx的表达式:Rx=     

 

 

查看答案和解析>>

科目:初中物理 来源:2013年初中毕业升学考试(山东东营卷)物理(解析版) 题型:实验题

为测量电阻Rx的阻值,老师提供了以下器材:待测电阻Rx、已知阻值的定值电阻R0一个、电压不变但电压值未知的电源一个、电流表一只、开关两个、导线若干。从中选择器材按下述要求完成实验。

(1)将所设计的电路图画在方框内;

(2)写出实验步骤;

(3)利用测得数据写出待测电阻Rx的表达式:Rx=          

 

查看答案和解析>>

同步练习册答案