精英家教网 > 初中物理 > 题目详情
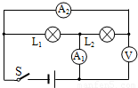
在如图所示的电路中,已知灯L1标有6V-4W字样,灯L2标有9V-9W字样.闭合开关S后,灯L1恰能正常发光.则下列说法中正确的是(不考虑温度对灯丝电阻的影响)( )

A.电流表A1的示数是1 A
B.L2不能正常发光
C.L1、L2的总功率为13W
D.电压表的示数为6V
【答案】分析:由电路图可知,两灯泡并联,电流表A1测干路电流,A2测L2支路的电流,电压表测电源的电压;
(1)由灯泡的铭牌可知额定电压和额定功率,根据P=UI求出额定电流,再根据欧姆定律求出两灯泡的电阻;
(2)根据灯泡正常发光时的电压和额定电压相等、实际电流和额定电流相等以及并联电路的电压特点可知电源的电压和通过L1的电流,再根据欧姆定律求出通过L2的电流,根据并联电路的电流特点求出干路电流,利用P=UI求出L1、L2的总功率.
解答:解:由电路图可知,两灯泡并联,电流表A1测干路电流,A2测L2支路的电流,电压表测电源的电压.
(1)根据P=UI可得两灯泡的额定电流分别为:
I1额===A,I2额===1A,
两灯泡的电阻分别为:
R1===9Ω,R2===9Ω;
(2)∵灯L1恰能正常发光,
∴电源的电压U=U1额=6V,即电压表的示数为6V,故D正确;
通过L1的电流I1=I1额=A,
通过L2的电流I2===A,
干路电路I=I1+I2=A+A=A,即电流表A1的示数是A,故A不正确;
∵灯泡L2两端的电压6V小与9V,
∴灯泡L2不能正常发光,故B正确;
L1、L2的总功率P=UI=A×6V=8W,故C不正确.
故选BD.
点评:本题考查了并联电路的特点和欧姆定律、电功率公式的灵活应用,关键是知道灯泡正常发光时的电压和额定电压相等.
练习册系列答案
相关习题

科目:初中物理 来源: 题型:

在如图所示的电路中,开关S闭合后,小灯泡L1L2均正常发光,则下列说法中正确的是(  )

查看答案和解析>>

科目:初中物理 来源: 题型:

(2011?杨浦区二模)在如图所示的电路中,电源电压保持不变,当电键S由断开到闭合时,电压表V的示数将
不变
不变
.闭合电键S后,当滑动变阻器滑片P向右移动时,电压表V的示数将
不变
不变
,电流表A1的示数将
不变
不变
,电流表A、A1示数差将
变小
变小
(选填“变小”、“不变”或“变大”)

查看答案和解析>>

科目:初中物理 来源: 题型:

(2012?南通模拟)在如图所示的电路中,R1=10Ω,R2=20Ω,闭合开关后,电流表的示数为0.3A.求:
(1)电阻R1两端的电压;  
(2)电源的电压;
(3)电路消耗的总功率.

查看答案和解析>>

科目:初中物理 来源: 题型:

在如图所示的电路中,AB是一段电阻丝,当开关闭合,导线夹由B向A移动的过程中,接入电路的电阻的变化情况是(  )

查看答案和解析>>

科目:初中物理 来源: 题型:

精英家教网在如图所示的电路中,小灯泡和电铃采用的是
 
联连接方式;在这两种用电器中,
 
工作时需要将电能转化为内能.

查看答案和解析>>

同步练习册答案