精英家教网 > 初中物理 > 题目详情
3.如图所示,电源电压不变,R1和R3为定值电阻,R2为滑动变阻器.当闭合S后,下列说法正确的是(  )
A.当滑片向右移动时,电流表A示数增大,V1示数不变
B.当滑片向左移动时,V1与V2示数之比将变大
C.当滑片向右移动时,V2与A示数之比变大
D.若再闭合S1,则电流表A示数变大,V2示数不变

分析 (1)当闭合S后,R1与R2、R3串联,电压表V1测R1与R2两端的电压之和,电压表V2测R3两端的电压,电流表测电路中的电流,根据滑片的移动可知接入电路中电阻的变化和R3两端的电压变化,根据串联电路的电压特点可知R1与R2两端电压之和的变化,进一步判断V1与V2示数之比的变化,根据欧姆定律结合R3阻值的变化可知V2与A示数之比的变化;
(2)若再闭合S1时,R2、R3串联,电压表V1测R2两端的电压,电压表V2测R3两端的电压,电流表测电路中的电流,根据电阻越串越大可知电路中总电阻的变化,根据欧姆定律可知电路中电流的变化和R3两端的电压变化.

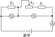
解答 解:(1)当闭合S后,等效电路图如图甲所示:

当滑片向右移动时,接入电路中的电阻减小,电路中的总电阻减小,
由I=$\frac{U}{R}$可知,电路中的电流增大,即电流表A的示数增大,
由U=IR可知,R3两端的电压增大,
因串联电路中总电压等于各分电压之和,
所以,R1与R2两端电压之和减小,即电压表V1的示数减小,故A错误;
由R=$\frac{U}{I}$可知,V2与A示数之比等于R3的阻值,则V2与A示数之比不变,故C错误;
同理可知,当滑片向左移动时,接入电路中的电阻增大,电路中的总电阻增大,
则电路中的电流减小,R3两端的电压减小即电压表V2示数减小,R1与R2两端电压之和增大即电压表V1的示数增大,
所以,V1与V2示数之比将变大,故B正确;
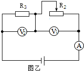
(2)若再闭合S1时,等效电路图如图乙所示:

因串联电路中总电阻等于各分电阻之和,且串联电路中电阻越串越大,
所以,图乙中的总电阻小于图甲中的总电阻,
由I=$\frac{U}{R}$可知,电路中的电流变大,即电流表A的示数变大,
由U=IR可知,R3两端的电压变大,即电压表V1的示数变大,故D错误.
故选B.

点评 本题考查了电路的动态分析,涉及到串联电路的特点和欧姆定律的应用,分清开关闭合、断开时电路的连接方式和电表所测的电路元件是关键.

练习册系列答案
相关习题

科目:初中物理 来源: 题型:选择题

11.下列四种说法中正确的是(  )
A.电脑显示屏画面的颜色是由红、黄、蓝三种色光合成的
B.城市中建设人工湖可以调节气温,利用了水的比热容大
C.飞机在天空飞行时,机翼上方的压强大于下方的压强
D.试电笔在使用时手不能接触笔尾的金属部分

查看答案和解析>>

科目:初中物理 来源: 题型:解答题

14.激光在现代社会中有许多方面的应用,利用激光准直阴道挖掘机挖掘隧道,保证挖掘机直线前进,是由于光沿直线传播,2012年英国科学家研发出“激光橡皮”,转门用来去除白纸上的黑色碳粉字迹,黑色碳粉字迹能长期保存的原因是常温下碳的化学性质稳定,激光照射下,纸张上的黑色碳粉直接升华(填物态变化名称)为高温碳蒸汽,同时字迹消失,为防止高温对纸张的破坏,激光照射时间需严格控制.

查看答案和解析>>

科目:初中物理 来源: 题型:选择题

11.中国研制的“歼20”被称为我国的“第四代”战斗机.下面有关说法正确的是(  )
A.“歼20”加速起飞时,惯性力增加
B.座舱内的飞行员以“歼20”为参照物是运动的
C.“歼20”在同一高度盘旋飞行时,受到的力是平衡力
D.“歼20”超音速向前飞行,发动机向后喷火,与火箭起飞的原理相同

查看答案和解析>>

科目:初中物理 来源: 题型:解答题

18.如图所示,在清理废墟过程中,工人正在用150kW的铲车不停地工作.若铲车用10s匀速推进了6m,然后将1t的废墟举高3m装车运走,整个过程是连续的,若柴油发动机(柴油燃放热到转换为做功)的效率为40%,已知q柴油取4.0×107J/kg,g取10N/kg,求:
(1)在推土过程中,铲车受到的阻力;
(2)在举高废墟的过程中,铲车所做的有用功;
(3)铲车在这个推举的连续过程中,共消耗多少柴油?

查看答案和解析>>

科目:初中物理 来源: 题型:选择题

8.下列主要利用水的比热容大这一特性的是(  )
①炎热的夏天在室内洒水感到凉爽     ②拦河大坝流下来的水带动水轮机转动
③用水来冷却汽车发动机            ④用水煮餐具消毒
⑤初春的傍晚向秧田多灌水          ⑥城市修建人工湖,美化环境,调节气候
⑦供暖系统用热水循环供热.
A.③⑤⑥⑦B.①②③④C.②③④⑤D.③④⑤⑥

查看答案和解析>>

科目:初中物理 来源: 题型:解答题

15.2011年11月3日1时43分,神州八号与天宫一号第一次交会对接圆满成功.
(1)“天宫一号”用“长征二号F/T1”运载火箭发射升空.下面是运载火箭在点火升空时的能量转化关系图,请补充完整:

(2)11月4日11时37分,天宫一号与神州八号组合体完成交会对接后的第1次轨道维持,使组合体处于343公里的圆轨道.此时组合体受到的不是(请选填“是”或“不是)平衡力.
(3)天宫一号携带有特殊自行车、祥云睡袋、灭火手套等特殊装备,其中灭火手套用途是:当出现由电缆引起的小火情时,可用手套状的灭火湿巾随处抓握火苗,请简要说明其灭火的原理降低可燃物的温度到着火点以下.

查看答案和解析>>

科目:初中物理 来源: 题型:选择题

12.谷歌公司推出了一款“谷歌眼镜”,它是一个戴在眼睛上的微型电脑,如图所示.使用时要盯着眼前12mm处的镜片屏幕,上网阅读、观看视频等.它的推出让人 惊叹科技的进步,但长期使用还会导致近视.关于谷歌眼镜,下列说法正确的是(  )
A.眼镜上的摄像头是凹透镜
B.画面在人眼视网膜上成的是正立、缩小的实像
C.近视眼看物体时像成在视网膜前
D.光在眼镜屏幕上发生了镜面反射

查看答案和解析>>

科目:初中物理 来源: 题型:解答题

13.某同学在做用电流表、电压表测电阻的实验中,其中有一根导线未连接,请用笔线代替导线在图中正确连接,要求:当滑片向左移时,电流表示数变大.

查看答案和解析>>

同步练习册答案