精英家教网 > 初中物理 > 题目详情
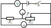
如图所示,电源电压保持不变时,当滑动变阻器滑片P向右滑动过程中( )

A.电压表V示数变小
B.电流表A1示数变大
C.电流表A2示数不变
D.电流表A2示数变小
【答案】分析:(1)去表的方法判断电路连接:电流表的电阻很小,在电路中相当于导线;电压表的电阻很大,在电路中相当于开路.
(2)根据去表法判断电阻是并联的,利用画线的方法,判断电流表测量谁的电流.
(3)采用“方框法”判断电压表测量谁的电压:电压表如果只跟电源组成方框,电压表测量电源电压;如果电压表和用电器组成方框,电压表测量用电器的电压.
(4)并联电路干路电流等于各支路电流之和.
(5)根据欧姆定律判断电流的变化.
解答:解:(1)电流表相当于导线,电压表相当于开路,两个电阻的并联的.如图1.
(2)如图3.电压表和电阻R1组成方框,电压表测量R1的电压,整个电路是并联的两个电阻的电压都等于电源电压,所以电压表示数不变.
(3)如图2.红线代表R1的电流路径,绿线代表R2的电流路径.电流表A1测量干路电流,电流表A2测量R1的电流.R1两端的电压不变,电阻不变,电流I1不变,所以电流表A2示数不变.滑片右移,R2电阻增大,电压不变,根据欧姆定律电流I2变小,电流表A1测量干路电流,I=I1+I2,示数变小.
故选C.
点评:(1)掌握串联电路和并联电路电流、电压、电阻的特点.
(2)能利用去表法判断电阻的串联和并联.
(3)利用画线法判断电流表测量谁的电流,方框法判断电压表测量谁的电压.
(4)根据欧姆定律判断电流的变化.
练习册系列答案
相关习题

科目:初中物理 来源: 题型:

如图所示的电路中,电源两端电压为6V并保将不变,定值电阻R1的阻值为10?,滑动变阻器R2的最大阻值为20?.电压表按接入电路的量程(0~3)V,电流表接入电路的量程(0~0.6)A,当开关S闭合,滑动变阻器的滑片P自b端移到a端的过程中,有下列几种说法,其中完全正确的一组是(  )
①电压表的示数变大,电流表的示数变大.
②电流表的示数变化范围为0.2A~0.6A.
③电压表的示数变化范围为2V~6V.
④电路消耗的总功率的变化范围为1.2W~1.8W.

查看答案和解析>>

科目:初中物理 来源: 题型:

张丽买了一个三档电暖宝,电暖宝内部装有某种浓度的氯化钠水溶液充当保热介质,电热丝产生的热量全部被保热介质吸收.其电路图如图所示,R1、R2都是电热丝,电源电压保持36V不变.
(1)当S1闭合,S2接a时为中温档,此时电暖宝的功率为18W,求R1的阻值为多少?
(2)当S1闭合,S2接b为高温档,此时电暖宝的功率为45W,求电路中的电流和R2的阻值为多少?

查看答案和解析>>

科目:初中物理 来源: 题型:

如图所示是某电热水器的简化电路图,当开关S接“升温”挡时,加热器以额定功率P对水加热至沸腾;当S接“保温”挡时,对开水进行保温,这时加热器的功率P=P/9,电流I=1A.已知R=24Ω,加热器为电阻丝.试求:
(1)保温时,电阻R两端的电压UR为多少?
(2)电源电压为多少?
(3)加热器的额定功率P为多少?

查看答案和解析>>

科目:初中物理 来源: 题型:

精英家教网张丽买了一个三档电暖宝,电暖宝内部装有某种浓度的氯化钠水溶液充当保热介质,电热丝产生的热量全部被保热介质吸收.其电路图如图所
示,R1、R2都是电热丝,电源电压保持36V不变.
(1)当S1闭合,S2接a时为中温档,此时电暖宝的功率为18W,求R1的阻值为多少?
(2)当S1闭合,S2接b时为高温档,此时电暖宝的功率为45W,求电路中的总电流和R2的阻值为多少?
(3)若用高温档给保热介质加热,5分钟内使氯化钠水溶液的温度上升了5℃.那么该电热宝内0.9kg的氯化钠水溶液的比热容为多少?

查看答案和解析>>

科目:初中物理 来源: 题型:038

某校科技活动小组自制的电热手暖器如图所示.电源电压为6V,允许通过的最大电流为6A,发热体的电阻R1=1.2Ω,R3=1.8Ω.

(1)从安全出发,连入的电阻Rl的阻值不能小于多少?

(2)当开关调至?數凳保?缛仁峙?飨?牡墓β饰?嗌?并将该功率标在?數滴恢茫?/P>

(3)该电热手暖器?數滴恢帽昝髁藫20W斪盅??敲吹缱鑂2为多少?

(4)当开关分别调至?敗?2敗?3數凳保?ü齊2的最小电流为多少?

查看答案和解析>>

同步练习册答案