精英家教网 > 初中物理 > 题目详情
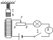
如图所示,在电磁铁正上方用弹簧挂着一条形磁铁,开关闭合后,当滑片P从a端向b端滑动过程中,会出现的现象是( )?

A.电流表示数变小,弹簧长度变短
B.电流表示数变小,弹簧长度变长
C.电流表示数变大,弹簧长度变长
D.电流表示数变大,弹簧长度变短
【答案】分析:由右手螺旋定则可得出螺线管上端磁极,则由磁极间的相互作用可知电磁铁与条形磁铁的作用;
根据滑片的移动可知滑动变阻器接入电阻的变化,由欧姆定律可得出电流的变化,进而可知通电螺线管磁场强弱的变化,则可知条形磁极的受力变化,由力的合成可知弹簧长度的变化.
解答:解:电流由下方流入,则由右手螺旋定则可知,螺线管上端为N极;
因同名磁极相互排斥,异名磁极相互吸引,两磁铁同名相对,故相互排斥;
当滑片P从a端向b端滑动过程中,滑动变阻器接入电阻减小,由欧姆定律可得,电路中电流变大,则条形磁铁受向上的力增强;
条形磁铁受重力、拉力及向上的磁场力,向下的重力与向上的弹簧的弹力及磁场力之和相等,因重力不变,磁场力增强,故弹簧的弹力减小,故弹簧长度变短.
故选D.
点评:本题巧妙地将力学问题及电磁场的知识相互联系,综合性考查了欧姆定律、影响通电螺线管磁性强弱的因素及弹簧的弹力,对学生的审题能力及分析能力要求较高,是道好题.
练习册系列答案
相关习题

科目:初中物理 来源: 题型:

(2013?吴中区模拟)如图所示,在电磁铁正上方用弹簧挂着一条形磁铁,开关闭合后,当滑片P从a端向b端滑动过程中,会出现的现象是(  )?

查看答案和解析>>

科目:初中物理 来源: 题型:

(2012?玉林)如图所示,在电磁铁正上方用弹簧挂一条形磁铁,当开关S闭合后,且滑片P从a端向b端滑动的过程中,会出现的现象是小灯泡亮度
增强
增强
(选填“增强”或“减弱”),弹簧长度
变短
变短
(选填“变长”或“变短”).

查看答案和解析>>

科目:初中物理 来源: 题型:

(2013?安阳二模)如图所示,在电磁铁正上方用弹簧挂着一条形磁铁,开关闭合后,当滑片P从左端向右端滑动过程中,会出现的现象是(  )

查看答案和解析>>

科目:初中物理 来源:2012-2013学年四川省九年级第二次月考物理试卷(解析版) 题型:填空题

如图所示,在电磁铁正上方用弹簧挂着一条形磁铁,当开关S闭合后,且滑片P从a端向b端滑动过程中,会出现的现象是小灯饱亮度        (选填“增强”或“减弱”),弹簧长度             (选填“变长”或“缩短”)。

 

查看答案和解析>>

科目:初中物理 来源:2012年中考模拟试题十二物理卷 题型:选择题

如图所示,在电磁铁正上方用弹簧挂着一条形磁铁,开关闭合后,当滑片Pa端向b端滑动过程中,会出现的现象是

 

 

 

 

 

A.电流表示数变小,弹簧长度变短

B.电流表示数变小,弹簧长度变长

C.电流表示数变大,弹簧长度变长                          

D.电流表示数变大,弹簧长度变短

 

查看答案和解析>>

同步练习册答案