精英家教网 > 初中物理 > 题目详情
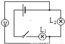
如图所示的电路中,电压表测的是( )

A.L1 与L2 的总电压
B.电源电压
C.L2两端电压
D.L1两端电压
【答案】分析:电压表与被测用电器并联,根据电压表所并联的电路进行分析.
解答:解:从电路图中可以看出,当开关闭合,电压表并联在L2两端,因此电压表测量L2两端的电压.
故选C.
点评:本题考查电压表的连接与使用,会分析电路图确定电压表并联的用电器是关键,简单判定方法:走电流,通过电压表的电流与通过谁的电流并着走,就是测量谁的电压.
练习册系列答案
相关习题

科目:初中物理 来源: 题型:

在如图所示的电路中,用电压表、电流表测电阻Rx的阻值:
(1)将实验电路补画完整.
精英家教网
(2)当滑片移到某一位置时,电压表、电流表的示数如图所示,则Rx的阻值为
 
Ω;
精英家教网
(3)某同学在实验中,不小心将滑动变阻器损坏(不能使用)了,一时又找不到其他变阻器.如果不用滑动变阻器,可能对实验结果的影响是
 

你能否利用身边的物品代替滑动变阻器完成该实验,说出你的做法:
 

(4)在测出电阻值后,该同学继续实验--研究导体中电流跟电阻的关系(滑动变阻器完好).他观察电表指针在某一合适的位置,取下Rx,换上另一较大电阻R0,下一步的操作是
 
,目的是
 

查看答案和解析>>

科目:初中物理 来源: 题型:

(2013?顺义区一模)在如图所示的电路中,电源两端电压不变.当只闭合开关S1且滑动变阻器R3接入电路电阻值最大时,电压表的示数为3.6V,滑动变阻器消耗的电功率为1.44W,电阻R1消耗的电功率为P1.当只闭合开关S2且滑动变阻器R3的滑片P在中点时,电压表示数为4.5V,电阻R2消耗的电功率为P2.若P1:P2=8:15,则电阻R2在1min40s内所消耗的电能为
270
270
J.

查看答案和解析>>

科目:初中物理 来源: 题型:

如图所示的电路中,电源电压为12伏,S断开时,A2表的示数为0.3安;S闭合时,A2表的示数为0.4安,这时A1表的示数为
0.4
0.4
安,L1中的电流为
0
0
安,L1的电阻值为
10
10
欧.

查看答案和解析>>

科目:初中物理 来源: 题型:

精英家教网在如图所示的电路中,电源电压为20伏不变,当S闭合,滑动变阻器的滑片由左向右滑动时,三个电表示数的变化情况是(  )

查看答案和解析>>

科目:初中物理 来源:2013年山东省临沂市高级中等学校招生考试物理 题型:013

如图所示的电路中.电饭电压保持不变,闭合开关S后

[  ]

A.电压表的示数变大

B.电流表的示数变大

C.电路中的总电阻变大

D.电路消耗的总功率变小

查看答案和解析>>

同步练习册答案