精英家教网 > 初中物理 > 题目详情
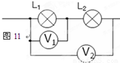
如图所示,V1、V2是两个相同的双量程电压表(量程为“0~3V”和“0~15V”).当电路正常工作时,两表指针偏转角度相同,则灯L1与灯L2的电阻之比R1:R2=   
【答案】分析:由电路图可知,两灯泡串联,V1测L1两端的电压,V2测两灯泡两端的电压;当两电压表指针偏转角度相同,大量程的示数为小量程示数的五倍,结合串联电路的电流特点和欧姆定律求出L1与灯L2的电阻之比.
解答:解:∵两灯泡串联,
∴电路中的电流相等,
∵当两电压表指针偏转角度相同,大量程的示数为小量程示数的五倍,
∴(U1+U2):U1=5:1,即U2:U1=4:1,
∴U=IR,
∴R1:R2=1:4.
故答案为:1:4.
点评:本题考查了串联电路的特点和欧姆定律的应用,关键是知道当两电压表指针偏转角度相同,大量程的示数为小量程示数的五倍.
练习册系列答案
相关习题

科目:初中物理 来源: 题型:

(2007?泉州)如图所示,V1、V2是两个相同的双量程电压表(量程为“0~3V”和“0~15V”).当电路正常工作时,两表指针偏转角度相同,则电压表V2所用的量程是
0~15
0~15
V,灯L1与灯L2的电阻之比R1:R2=
1:5
1:5

查看答案和解析>>

科目:初中物理 来源: 题型:

(2010?房山区一模)如图所示,V1和V2是完全相同的两个电压表,都有3V和15V两个量程,闭合开关后,发现两个电压表偏转的角度相同,则在相同时间内,电流通过电阻R1和R2产生的热量Q1:Q2=
1:4
1:4

查看答案和解析>>

科目:初中物理 来源: 题型:

(2007?朝阳区一模)如图所示,V1和V2是完全相同的两块电压表,都有0~3V和0~15V两个量程,闭合开关S后,发现两块电压表偏转的角度相同,则在相同时间内,电流通过电阻R1和R2所做的功W1:W2=
1:4
1:4

查看答案和解析>>

科目:初中物理 来源: 题型:

如图所示,V1、V2是两个相同的双量程(“0~3V”和“0~15V”)电压表.当开关S闭合后,两表正常工作,指针偏转角度相同,则R1与R2的比值是(  )

查看答案和解析>>

科目:初中物理 来源: 题型:

如图所示,V1、V2是两个相同的双量程电压表(量程为“0~3V”和“0~15V”).当电路正常工作时,两表指针偏转角度相同,则灯L1与灯L2的电阻之比R1:R2=
1:4
1:4

查看答案和解析>>

同步练习册答案