精英家教网 > 初中物理 > 题目详情

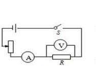
在“电阻上的电流跟两端电压的关系”的实验中,小莉将实物连接成如图甲所示的电路.

(1)根据实物图请在图乙方框中画出对应的电路图.
(2)实验室,调节滑动变阻器,测出电阻R两端的电压和对应的电流值如下表所示.由表中数据可知,
小莉实验时所选用电阻R的阻值为       Ω,分析实验数据可以得出的结论是:    

(3)将图甲中的电阻R换成一个额定电压为3.8V、阻值约为10Ω的小灯泡后,还可以测小灯泡的电功率.若要测该小灯泡的额定功率,则在图甲电路中必须改动的地方是:①                               

(1)电路图如图所示(电学元件位置应一一对应)

(2) 5  在电阻一定时,通过导体的电流跟导体两端的电压成正比(或在电阻一定时,电流与电压成正比)
(3)①增加一节干电池(或换一个电压高于3.8V的学生电源);②电压表换接0~15V的量程(①②顺序可互换)(说明:更换电源、换接电压表的量程也可)

练习册系列答案
相关习题

科目:初中物理 来源: 题型:阅读理解

(2013?广东模拟)如图甲是菁菁同学做“探究电阻上的电流跟两端电压关系”实验的电路连接情况,其中R1是定值电阻,电源是两节有点旧的干电池,忽略温度对电阻的影响.
(1)通电前,菁菁检查发现图甲中的连线有误.如果按“滑动变阻器的滑片向A端移动时,变阻器连入电路的阻值要变小”的要求,她只改动了一个线头的位置就连对了.她改动的方法是把接在C接线柱的线头改接到
A
A
接线柱.
(2)改接后电路正常工作.实验时改变变阻器滑片位置测量三次,其中第2次测量时电压表和电流表的示数如图乙所示,可知当电压为
2.4
2.4
V时,电流为
0.48
0.48
A.
实验记录表1(R1=5Ω) 实验记录表2(R2=10Ω)
实验次数 1 2 3 实验次数 4 5 6
电压/V 2 / 2.8 电压/V 1 2 3
电流/A 0.4 / 0.56 电流/A / / /
(3)分析实验记录表1,发现每次电压与电流的比值是
相同
相同
的(选填“相同”或“不同”),因此可得出电流与电压关系的初步结论为:
当电阻一定时,导体中的电流与这段导体两端的电压成正比
当电阻一定时,导体中的电流与这段导体两端的电压成正比
.从表1中的第1次实验到第2次实验的操作过程中,滑动变阻器的滑片P应该是向
A
A
(填“A”或“B”)移动.
(4)把电阻R1更换为R2后继续实验.晓峰打算按自己设计的实验记录表2进行实验,晓峰也顺利完成了实验,并把表2填写完整了.若要探究“电流与电阻的关系”,应分析上面两个实验记录表中的哪两次实验数据?答:
第1和第5组数据
第1和第5组数据

查看答案和解析>>

科目:初中物理 来源: 题型:阅读理解

(2012?高安市二模)探究名称:探究电阻上的电流跟两端电压的关系
提出问题:老师上课时在如图1所示的电路中接入了一个“神秘盒”后,小灯泡变亮了,接着老师对盒内的某个元件进行操作后灯却变暗了.针对此现象小明想小灯泡先变亮是因为老师在“神秘盒”内放有
滑动变阻器
滑动变阻器
,小灯泡后来变暗则是老师对盒内的
滑动变阻器的滑片
滑动变阻器的滑片
进行了操作,才使得小灯泡中的电流发生了变化.于是他想:电路中的电流受电压和电阻的影响,那么电流与电压、电阻究竟有什么样的关系呢?
进行猜想:在老师的启发和引导下,同学们作出了如下两个猜想:
猜想一:导体中的电流可能与导体两端的电压成正比.
猜想二:导体中的电流可能与导体的电阻成反比.
设计并进行实验:
为了探究导体中的电流与导体两端电压的关系,应控制
电阻
电阻
不变.小宇利用如图2所示的电路,通过改变干电池节数的办法获得多组数据,而小杰利用图3所示的电路通过调节滑动变阻器的滑片也获得了多组数据如下表.
R1=5Ω R2=10Ω R3=20Ω
实验次数 电压U/V 电流I/A 实验次数 电压U/V 电流I/A 实验次数 电压U/V 电流I/A
1 1 0.20 4 1 0.10 7 1 0.05
2 2 0.40 5 2 0.20 8 2 0.10
3 3 0.60 6 3 0.30 9 3 0.15
分析与论证:略
评估:(1)小宇与小杰的方案相比,
小杰
小杰
方案好些,原因是
操作简单
操作简单
.(写出一点即可)
(2)小宇利用三个电阻分别进行三次实验的目的是
寻找规律
寻找规律

(3)图4甲是利用电阻
R2
R2
(选填R1、R2或R3)实验得到的图象;乙是利用实验次数
2、5、8
2、5、8
得到的图象.

查看答案和解析>>

科目:初中物理 来源: 题型:

我们已进行过“探究电流和电压电阻的关系”的实验,请回答下列问题.

(1)请在图甲中把余下部分的电路用笔划线代替导线连接好.
(2)在开关闭合前滑动变阻器滑片要移至
D
D
端.
(3)丙、丁两图是某实验小组在探究过程中,根据实验数据绘制的图象,其中表示电阻不变,电流随电压变化的图象是
(填“乙”或“丙”).
(4)在探究电阻一定时,电阻上的电流跟两端电压的关系的过程中,使用滑动变阻器的目的是
保护电路
保护电路
改变电路中的电流
改变电路中的电流

查看答案和解析>>

科目:初中物理 来源: 题型:

精英家教网在“探究电阻上的电流跟两端电压的关系”实验中.
(1)请用笔画线,将图中的电压表连入电路中.
(2)连接好电路后,闭合开关前,应将变阻器的滑片滑到
 
端(填“a”或“b”),目的是
 

(3)闭合开关后,将变阻器的滑片从阻值最大端缓慢移到阻值最小端,发现电压表的示数从0.4V升到2.8V.关于电压测量点的选择有以下三种方案:
甲方案:0.6V  1.0V  1.4V  l.8V  2.2V  2.6V;
乙方案:0.6V  1.0V  1.3V  1.5V  2.0V  2.6V;
丙方案:0.6V  1.6V  2.6V
你认为哪个方案正确?
 
.理由是:
 

(4)小超同学在连接完最后一根导线后小灯泡立即发光,且电流表的指针向左偏转.写出小超同学在实验中的两处错误:
a、
 

b、
 

查看答案和解析>>

科目:初中物理 来源: 题型:

在探究“电路中电流与电压和电阻的关系”实验中,某实验小组设计了如图甲所示电路.
(1)若想探究电流与电阻的关系,可以把5Ω的电阻换成10Ω电阻并向
 
(选填“左”或“右”)移动滑动变阻器的滑片,直到
 
,再读出电流表的示数.
(2)在探究电阻一定时,电阻上的电流跟两端电压的关系的过程中,使用滑动变阻器的目的是保护电路和改变
 
(选填“电源”、“变阻器”或“定值电阻”)两端电压.
(3)乙、丙两图是该小组在探究过程中根据实验数据绘制的图象,其中表示电阻不变,电流随电压变化的图象是
 
(选填“乙”或“丙”).
精英家教网

查看答案和解析>>

同步练习册答案