精英家教网 > 初中物理 > 题目详情
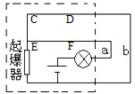
精英家教网如图为定时爆炸装置示意图,虚线框内是其内部电路,a、b为暴露在外面的两根导线,此时图中灯泡两端电压
 
(选填“大于”、“等于”或“小于”)电源电压.拆弹专家要在a、b两根导线中做出正确选择,将其中一根导线剪断即可使起爆器失效;若不慎剪断
 
导线,起爆器就会引爆.定时装置 (图中未画出) 相当于一开关,正常处于闭合状态,当到达设定时间时,开关断开,起爆器引爆,则定时装置应串联在
 
(选填“CD”或“EF”)之间.
分析:(1)由图可见起爆器与灯泡串联,但是起爆器被导线b短路了,灯泡直接接在了电源两极上;
(2)装置在拆除前,起爆器被短路,起爆器不工作;如果剪断b线,则起爆器中产生电流从而引爆炸弹;
(3)定时装置相当于开关,只有断开时,起爆器引爆,由此分析定时装置的位置.
解答:解:(1)由图可见起爆器被短路,灯泡直接接在了电源两极上,因此灯泡两端电压等于电源电压;
(2)若不慎剪断b,起爆器短路解除,有电流通过,起爆器将引爆,爆器引爆的条件是起爆器中有电流通过;
(3)因为定时装置相当于开关,常处于闭合状态,当到达设定时间时,开关打开,起爆器引爆,因此定时装置应串联在CD之间.
故答案为:等于;b;CD.
点评:本题考查物理知识在生产生活中的应用,应在认真分析题意及电路的基础上找到合适的物理规律作答.
练习册系列答案
相关习题

科目:初中物理 来源: 题型:

如图所示为定时爆炸装置示意图,虚线框内是其内部电路,当有电流通过起爆器时,便会引爆炸弹;a、b为暴露在外的两导线.拆弹专家应该剪掉
a
a
(选填“a”或“b”)导线才能不引爆炸弹;定时装置 (图中未画出) 相当于一开关,正常处于闭合状态,当到达设定时间时,开关打开,起爆器引爆,则定时装置应接在
CD
CD
(选填“CD”或“EF”)之间.

查看答案和解析>>

科目:初中物理 来源: 题型:

如图,某反恐小组的拆弹专家在拆除恐怖分子设置在飞机上的定时爆炸装置,如图所示,为使爆炸装置停止工作,应剪断线
a
a
(填“a”或“b”),拆除前起爆器上
没有
没有
电流通过(填“有”或“没有”)

查看答案和解析>>

科目:初中物理 来源: 题型:填空题

如图所示为定时爆炸装置示意图,虚线框内是其内部电路,当有电流通过起爆器时,便会引爆炸弹;a、b为暴露在外的两导线.拆弹专家应该剪掉________(选填“a”或“b”)导线才能不引爆炸弹;定时装置 (图中未画出) 相当于一开关,正常处于闭合状态,当到达设定时间时,开关打开,起爆器引爆,则定时装置应接在________(选填“CD”或“EF”)之间.

查看答案和解析>>

科目:初中物理 来源:不详 题型:填空题

如图所示为定时爆炸装置示意图,虚线框内是其内部电路,当有电流通过起爆器时,便会引爆炸弹;a、b为暴露在外的两导线.拆弹专家应该剪掉______(选填“a”或“b”)导线才能不引爆炸弹;定时装置 (图中未画出) 相当于一开关,正常处于闭合状态,当到达设定时间时,开关打开,起爆器引爆,则定时装置应接在______(选填“CD”或“EF”)之间.
精英家教网

查看答案和解析>>

科目:初中物理 来源: 题型:

如图12所示为定时爆炸装置示意图,虚线框内是其内部电路,当有电流通过起爆器时,便会引爆炸弹;a、b为暴露在外的两导线。拆弹专家应该剪掉     (选填“a”或“b”)导线才能不引爆炸弹;定时装置 (图中未画出) 相当于一开关,正常处于闭合状态,当到达设定时间时,开关打开,起爆器引爆,则定时装置应接在       (选填“CD”或“EF”)之间。

查看答案和解析>>

同步练习册答案