精英家教网 > 高中物理 > 题目详情

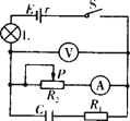
如图所示的电路中,电流表A和电压表V均可视为理想电表,现闭合开关S后,将滑动变阻器滑片P向左移动,下列结论正确的是

A.电流表A的示数变小

B.电压表V的示数变大

C.小灯泡L变亮

D.电容器C上电荷量减小

练习册系列答案
相关习题

科目:高中物理 来源: 题型:

(2012?东城区一模)酒精测试仪用于对机动车驾驶人员是否酒后驾车及其他严禁酒后作业人员的现场检测,它利用的是一种二氧化锡半导体型酒精气体传感器.酒精气体传感器的电阻随酒精气体浓度的变化而变化.在如图所示的电路中,不同的酒精气体浓度对应着传感器的不同电阻值,这样,仪表显示的数据就与酒精气体浓度有了对应关系.如果二氧化锡半导体型酒精气体传感器电阻r′的倒数与酒精气体的浓度c成正比,那么,电压表示数U与酒精气体浓度c之间的对应关系正确的是(  )

查看答案和解析>>

科目:高中物理 来源: 题型:

精英家教网如图所示的电路中,电电动势为6V,当开关接通后,灯泡L1和L2都不亮,用电压表测得各部分电压是Uab=6V,Uad=0,Ucd=6V,由此可断定(  )
A、L2的灯丝烧断了B、L1的灯丝烧断了C、L1和L2和灯丝都烧断了D、变阻器R断路

查看答案和解析>>

科目:高中物理 来源: 题型:

精英家教网氧化锡传感器主要用于汽车尾气中一氧化碳浓度的检测,它的电阻随一氧化碳浓度ρ的变化而变化,已知其电阻的倒数与一氧化碳浓度成正比.将传感器接在如图所示的电路中,已知R1、R2为定值电阻,观察电表示数的变化,就能判断一氧化碳浓度的变化情况,下列判断正确的是(  )
A、电压表读数增大时,电流表读数增大,浓度ρ增大B、电压表读数减小时,电流表读数减小,浓度ρ增大C、电压表读数增大时,电流表读数减小,浓度ρ减小D、电压表读数减小时,电流表读数增大,浓度ρ減小

查看答案和解析>>

科目:高中物理 来源:2013-2014江西南昌八一中学等四校高二上期中考试物理试卷(解析版) 题型:计算题

如图所示的电路中,电的电动势E=3.0V,内阻r=1.0Ω,电阻R1=10Ω,R2=10Ω,R3=30Ω,R4=35Ω;电容器的电容 C=100μF。电容器原不带电,求接通开关S后,流过R4的总电荷量。(10分)

 

 

查看答案和解析>>

科目:高中物理 来源: 题型:

如图所示的电路中,电的电动势E=3.0V,内阻r=1.0Ω,电阻R1=10Ω,R2=10Ω,R3=30Ω,R4=35Ω;电容器的电容 C=100μF。电容器原不带电,求接通开关S后,流过R4的总电荷量。(10分)

查看答案和解析>>

同步练习册答案