精英家教网 > 高中物理 > 题目详情
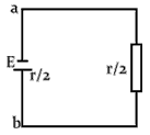
用均匀导线做成的正方形线框边长为0.2 m,正方形的一半放在垂直于纸面向里的匀强磁场中,如图所示。当磁场以10 T/s的变化率增强时,线框中a、b两点间的电势差是是多少?
解:把左半部分线框看成电源,其电动势为E,内电阻为,画出等效电路如图所示

则ab两点间的电势差即为电源的路端电压,设L是边长,且依题意
,得
所以
由于a点电势低于b点电势,故
练习册系列答案
相关习题

科目:高中物理 来源: 题型:

用均匀导线做成的正方形线框每边长为0.4m,正方形的一半放在和纸面垂直向里的匀强磁场中,如图所示,当磁场以10T/s的变化率增强时,线框中a、b两点的电势差是(  )

查看答案和解析>>

科目:高中物理 来源: 题型:

用均匀导线做成的正方形线框边长为0.2m,正方形的一半放在垂直于纸面向里的匀强磁场中,如图所示.当磁场以10T/s的变化率增强时,线框中a、b两点间的电势差是(  )

查看答案和解析>>

科目:高中物理 来源: 题型:

如图所示,用均匀导线做成的正方形线框每边长为0.2m,正方形的一半放在和纸面垂直向里的匀强磁场中.当磁场以20T/s的变化率增强时,线框中点a、b两点间的电势差Uab是(  )

查看答案和解析>>

科目:高中物理 来源: 题型:

精英家教网用均匀导线做成的正方形线框.abcd的边长为0.2m,正方形的一半置与垂直纸面向里的匀强磁场中,如图所示.当磁场以10T/s的变化率增强时,则(  )
A、感应电流的方向为a→b→c→d→aB、只有ad边受到安培力C、Ubc=-0.05VD、Ubc=-0.1V

查看答案和解析>>

科目:高中物理 来源: 题型:

用均匀导线做成的正方形线框,其边长为0.2 m,正方形的一半放在和纸面垂直向里的匀强磁场中,如图4-3所示,当磁场以10 T/s的变化率增强时,线框中点a、b两点电势差是(  )

A.Uab=0.1 V                         B.Uab=-0.1 V?

C.Uab=0.2 V                         D.Uab=-0.2 V?

图4-3  

查看答案和解析>>

同步练习册答案