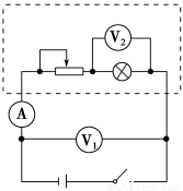
用下列器材组装成一个电路,既能测量出电池组的电动势E和内阻r,又能同时描绘小灯泡的伏安特性曲线。
A.电压表V1(量程6 V、内阻很大) B.电压表V2(量程4 V、内阻很大)
C.电流表A(量程3 A、内阻很小) D.滑动变阻器R(最大阻值10 Ω、额定电流4 A)
E.小灯泡(2 A、7 W) F.电池组(电动势E、内阻r)
G.开关一只,导线若干
实验时,调节滑动变阻器的阻值,多次测量后发现:若电压表V1的示数增大,则电压表V2的示数减小。
(1)请将设计的实验电路图在图甲中补充完整。
(2)每一次操作后,同时记录电流表A、电压表V1和电压表V2的示数,组成两个坐标点(
I,U1)、(I,U2),标到U-I坐标系中,经过多次测量,最后描绘出两条图线,如图乙所示,则电池组的电动势E=________V、内阻r=________Ω。(结果保留两位有效数字)
(3)在U-I坐标中两条图线在P点相交,此时滑动变阻器连入电路的阻值应为___Ω,电池组的效率为______。
![]()
(1)
;
(2)5.5;1.0;(3)0;64%.
【解析】
试题分析:(1)先作出测量电源内阻和电动势的电路图,然后在此基础上增加伏安特性曲线电路,需要注意,小灯泡额定电压为3.5 V,且电阻较小,故伏特表
直接与小灯泡并联,而电压表
则测量路端电压,电路如图所示。
![]()
(2)根据图象可知,倾斜的直线为计算电源电动势和内阻的图线,该图线的纵截距为电动势大小,图线斜率的绝对值为电源内阻大小。据此可知电动势E=5.5 V,r=1.0 Ω.
(3)由图象可知,小灯泡两端电压为3.5 V,电源内电压为2 V,故滑动变阻器连入电路阻值为0Ω.
电源的效率为η=
×100%=64%.
考点:测电源的电动势及内阻;测量小灯泡的伏安特性曲线。
科目:高中物理 来源:2013-2014学年湖南省长沙市高三高考模拟试卷(二模)物理试卷(解析版) 题型:计算题
如图所示,质量mB=2kg的平板车B上表面水平,开始时静止在光滑水平面上,在平板车左端静止着一块质量mA=2kg的物块A,一颗质量m0=0.01kg的子弹以v0=600m/s的水平初速度瞬间射穿A后,速度变为v=200m/s。已知A与B之间的动摩擦因数不为零,且A与B最终达到相对静止,则整个过程中A、B组成的系统因摩擦产生的热量为多少?
![]()
查看答案和解析>>
科目:高中物理 来源:2013-2014学年湖南省六校高三下学期4月联考理综物理试卷(解析版) 题型:选择题
进行科学研究有时需要大胆的想象,假设宇宙中存在一些离其它恒星较远的、由质量相等的四颗星组成的四星系统(忽略其它星体对它们的引力作用),这四颗星恰好位于正方形的四个顶点上,并沿外接于正方形的圆形轨道运行,若此正方形边长变为原来的一半,要使此系统依然稳定存在,星体的角速度应变为原来的多少倍
A.1 B.2 C.
D.2![]()
查看答案和解析>>
科目:高中物理 来源:2013-2014学年湖南师大附中高三模拟考试(二)物理试卷(解析版) 题型:选择题
图甲是回旋加速器的示意图,其核心部分是两个“D”形金属盒,在加速带电粒子时,两金属盒置于匀强磁场中,并分别与高频电源两极相连。带电粒子在磁场中运动的动能Ek随时间t的变化规律如图乙所示,若忽略带电粒子在电场中的加速时间,则下列说法正确的是
![]()
A.在Ek—t图中应有(t2-t1)>(t3-t2)>(t4-t3)>……(tn-tn-1)
B.高频电源的变化周期应该等于tn-tn-1
C.要使粒子获得的最大动能增大,可以增大“D”形盒的半径
D.在磁感应强度B、“D”形盒半径R、粒子的质量m及其电荷量q不变的情况下,粒子的加速次数越多,粒子的最大动能一定越大
查看答案和解析>>
科目:高中物理 来源:2013-2014学年湖北省高三5月模拟考试理综物理试卷(解析版) 题型:选择题
下列说法正确的是( )(选对一个得3分,选对两个得4分,选对3个得6分。每选错一个扣3分,最低得分为0分)
A.伽利略发现了单摆的等时性,并通过实验确定了单摆做简谐运动的周期公式
B.单摆的回复力是重力沿摆球运动轨迹切线方向的分力
C.麦克斯韦预言了电磁波的存在并通过实验进行了验证
D.根据狭义相对论,地面上的人看到高速运行的列车比静止时短
E.为了司机在夜间安全行驶,汽车前窗玻璃通常采用偏振玻璃
查看答案和解析>>
科目:高中物理 来源:2013-2014学年湖北省高三5月模拟考试理综物理试卷(解析版) 题型:选择题
如图所示,L1、L2、L3为相同的灯泡,变压器线圈的匝数比为
,(a)和(b)中灯泡L2、L3消耗的功率均为P,则图(a)中L1的功率和图(b)中L1的功率分别为( )
![]()
A.9P、
B.9P、![]()
C.
、9P D.
、![]()
查看答案和解析>>
科目:高中物理 来源:2013-2014学年浙江省高考理综物理五月冲刺押题卷(一)物理试卷(解析版) 题型:计算题
如图所示,水平轨道与竖直平面内的圆弧轨道平滑连接后固定在水平地面上,圆弧轨道B端的切线沿水平方向。质量m=1.0kg的滑块(可视为质点)在水平恒力F=10.0N的作用下,从A点由静止开始运动,当滑块运动的位移x=0.50m时撤去力F。已知A、B之间的距离x0=1.0m,滑块与水平轨道间的动摩擦因数μ=0.10,取g=10m/s2。求:
![]()
(1)在撤去力F时,滑块的速度大小;
(2)滑块通过B点时的动能;
(3)滑块通过B点后,能沿圆弧轨道上升的最大高度h=0.35m,求滑块沿圆弧轨道上升过程中克服摩擦力做的功。
查看答案和解析>>
科目:高中物理 来源:2013-2014学年浙江省金华市浦江县高考适应性考试物理试卷(解析版) 题型:选择题
如图甲所示为一水平弹性细绳,O点为振源,OP = s,t = 0时刻O点由平衡位置开始振动,产生向右沿直线传播的简谐横波。图乙为从t = 0时刻开始描绘的质点P的振动图象。下列判断中正确的是
![]()
A.该波的频率为![]()
B.这列波的波长为![]()
C.t =0时刻,振源O振动的方向沿
轴正方向
D.t =
时刻,P点的振动方向沿
轴负方向
查看答案和解析>>
科目:高中物理 来源:2013-2014学年浙江省高三最后一模理综物理试卷(解析版) 题型:计算题
如图,静止于A处的离子,经电压为U的加速电场加速后沿图中圆弧虚线通过静电分析器,从P点垂直CN进入矩形区域的有界匀强电场,电场方向水平向左。静电分析器通道内有均匀辐向分布的电场,已知圆弧所在处场强为E0,方向如图所示;离子质量为m、电荷量为q;
、
,离子重力不计。
![]()
(1)求圆弧虚线对应的半径R的大小;
(2)若离子恰好能打在NQ的中点上,求矩形区域QNCD内匀强电场场强E的值;
(3)若撤去矩形区域QNCD内的匀强电场,换为垂直纸面向里的匀强磁场,要求离子能最终打在QN上,
求磁场磁感应强度B的取值范围。
查看答案和解析>>
湖北省互联网违法和不良信息举报平台 | 网上有害信息举报专区 | 电信诈骗举报专区 | 涉历史虚无主义有害信息举报专区 | 涉企侵权举报专区
违法和不良信息举报电话:027-86699610 举报邮箱:58377363@163.com