精英家教网 > 高中物理 > 题目详情

一质点沿直线Ox方向做加速运动,它离开 O 点的距离随时间变化的关系为s=4+2t3(m),它的速度随时间变化的关系为v=6t2(m/s).则该质点在t=2 s时的瞬时速度和t=0到t=2 s间的平均速度分别为 (    ) 

A.8 m/s、24 m/s          B.24 m/s、8 m/s     

C.24m/s、10 m/s           D.24 m/s、12 m/s


【知识点】  平均速度.A2

【答案解析】B 解析:将t=2s代入质点的速度随时间变化的关系式v=6t2(m/s),得t=2s瞬时速度为v=6×22m/s=24m/s.将t=0s和t=2s分别代入距离随时间变化的关系式x=4+2t3(m),得:x1=4m,x2=20m,则质点在2s时间内通过的位移为x=x2-x1=20m-4m=16m,t=0s到t=2s间的平均速度分别为v= =8m/s;故选:B.

【思路点拨】由速度公式可确定2s时的瞬时速度;由位移公式确定0和2s时刻的距离,则可求得2s内的位移,再由平均速度公式求出平均速度.本题相当于数学上代数题,代入求值,只要掌握位移与距离的关系和平均速度公式就能正确求解.

练习册系列答案
相关习题

科目:高中物理 来源: 题型:


如图所示,把一条导线平行地放在磁针的上方附近,当导线中有电流通过时,磁针会发生偏转.首先观察到这个实验现象的物理学家是(  )

 

A.

奥斯特

B.

爱因斯坦

C.

伽利略

D.

牛顿

查看答案和解析>>

科目:高中物理 来源: 题型:


宿迁市第三届环骆马湖骑行大会于2014年9月21日举行,上午8时30分骑行爱好者们从市人民广场出发,环湖逆时针骑行一圈后沿环湖大道返回至出发地,全程约110 公里.下列相关说法正确的是(  )

 

A.

8时30分指时间间隔,110公里指位移

 

B.

8时30分指时刻,110公里指路程

 

C.

8时30分指时间间隔,110公里指路程

 

D.

8时30分指时刻,110公里指位移

查看答案和解析>>

科目:高中物理 来源: 题型:


真空中两个点电荷之间距离由r增大到2r,此过程中他们之间的库仑力大小(  )

 

A.

不断增大

B.

不断减小

C.

不变

D.

先变大后变小

查看答案和解析>>

科目:高中物理 来源: 题型:


在“用电火花计时器探究匀变速直线运动速度随时间的变化规律”实验中

(1)实验使用的电火花计时器应该与 交流 (填“交流”或“直流”)电源连接.

(2)如图是一段实验得到的纸带,O、A、B、C为连续的计数点,相邻计数点之间的时间间隔为0.1s.测得OA=3.00cm,0B=6.5Ocm,OC=10.50cm,则B点速度vB= 0.38 m/s,物体运动的加速度a= 0.50 m/s2.(结果保阐两位有效数字)

查看答案和解析>>

科目:高中物理 来源: 题型:


如图所示,无限长导线,均通以恒定电流I.直线部分和坐标轴接近重合,弯曲部分是以坐标原点 O为圆心的相同半径的一段圆弧,已知直线部分在原点 O 处不形成磁场,则图乙中 O 处磁感应强度和图甲中 O 处磁感应强度相同的是(    )

查看答案和解析>>

科目:高中物理 来源: 题型:


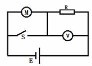
如图所示,M 为一线圈电阻 rM=1 Ω的电动机,一定值电阻 R=4Ω,电源电动势 E=9V。当 S 闭合时,电压表的示数为 U1=8.0V,当开关 S断开时,电压表的示数为 U2=4.0V。求:

(1)电源内阻r 

(2)开关S断开时电源输出功率  

(3)开关S断开时电动机输出的机械功率 

查看答案和解析>>

科目:高中物理 来源: 题型:


如图所示,半径R=0.4 m的光滑圆弧轨道BC固定在竖直平面内,轨道的上端点B和圆心O的连线与水平方向的夹角θ=30°,下端点C为轨道的最低点且与粗糙水平面相切,一根轻质弹簧的右端固定在竖直挡板上。质量m=0.1kg的小物块(可视为质点)从空中A点以v0=2m/s的速度被水平抛出,恰好从B点沿轨道切线方向进入轨道,经过C点后沿水平面向右运动至D点时,弹簧被压缩至最短,C、D两点间的水平距离L=1.2 m,小物块与水平面间的动摩擦因数μ=0.5,g取10m/s2.求:

(1)小物块经过圆弧轨道上B点时速度vB的大小;

(2)小物块经过圆弧轨道上C点时对轨道的压力大小;

(3)弹簧的弹性势能的最大值Epm。

查看答案和解析>>

科目:高中物理 来源: 题型:


以下说法正确的是(  )

 

A.

元电荷就是带电量为1C的点电荷

 

B.

与某点电荷距离相同的两处的电场强度一定相同

 

C.

电场是客观存在的,并由法拉第首先提出用电场线去描绘

 

D.

小汽车上有一根露在外面的小天线主要是为了防止静电产生的危害

查看答案和解析>>

同步练习册答案