精英家教网 > 高中物理 > 题目详情
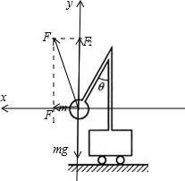
如图所示,固定在小车上的支架的斜杆与竖直杆的夹角为θ,在斜杆下端固定有质量为m的小球,
(1)求小车静止时,杆对小球的作用力
(2)小车向左以加速度a加速运动时,杆对小球的作用力.
精英家教网
(1)对小球受力分析,受重力和杆的弹力;
由于小球保持静止状态,合力为零,故弹力向上,大小等于mg;

精英家教网
(2)对小球受力分析,受重力和杆的弹力F,如图;
小球向左做加速运动,根据牛顿第二定律,有:
F1=ma
F2-mg=0
故:F=
F21
+
F22
=
(ma)2+(mg)2

方向斜向左上方,与竖直方向的夹角为:θ=arctan
F2
F1
=arctan
g
a

答:(1)求小车静止时,杆对小球的作用力为mg,方向竖直向上;
(2)小车向左以加速度a加速运动时,杆对小球的作用力为
(ma)2+(mg)2
,方向与竖直方向的夹角为arctan
g
a
练习册系列答案
相关习题

科目:高中物理 来源: 题型:

如图所示,固定在小车上的支架的斜杆与竖直杆的夹角为θ,在斜杆下端固定有质量为m的小球,下列关于杆对球的作用力F的判断中,正确的是(  )

查看答案和解析>>

科目:高中物理 来源: 题型:

如图所示,固定在小车上的支架的斜杆与竖直杆的夹角为θ,在斜杆下端固定有质量为m的小球,下列关于杆对球的作用力F的判断中,正确的是(  )

查看答案和解析>>

科目:高中物理 来源: 题型:

如图所示,固定在小车上的折杆∠A=θ,B端固定一个质量为m的小球,若小车向右的加速度为a,AB杆对小球的作用力为F,则(  )

查看答案和解析>>

科目:高中物理 来源: 题型:

如图所示,固定在小车上的支架的斜杆与竖直杆的夹角为θ,在斜杆下端固定有质量为m的小球,
(1)求小车静止时,杆对小球的作用力
(2)小车向左以加速度a加速运动时,杆对小球的作用力.

查看答案和解析>>

科目:高中物理 来源: 题型:

精英家教网如图所示,固定在小车上的支架的斜杆与竖直杆的夹角为θ,在斜杆下端固定有质量为m的小球,下列关于杆对球的作用力F的判断中,正确的是(  )
A、小车静止时,F=mg,方向竖直向上
B、小车静止时,F=mgcosθ,方向垂直杆向上
C、小车向右以加速度a运动时,一定有F=ma/sinθ.
D、小车向左以加速度a运动时,F=
(ma)2+(mg)2
,方向斜向左上方

查看答案和解析>>

同步练习册答案