精英家教网 > 高中物理 > 题目详情

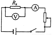
某同学用伏安法测定一段阻值约为5左右的金属丝电阻R.有以下器材可供选择(要求测量结果尽量准确)

A.电池组E(3V,内阻约1

B.电流表A1(0—3A,内阻约0.025

C.电流表A2(0—0.6A,内阻约0.125

D.电压表V1(0—3V,内阻约3k

E.电压表V2(0—15V,内阻约15k

F.滑动变阻器RP1(0—20,额定电流1A)

G.滑动变阻器RP2(0—1000,额定电流0.3A) H.开关,导线

(1)为减小误差,实验时应选用的电流表是 ,电压表是 ,滑动变阻器是 (填写各器材前的字母代号).

(2)请在下图的虚线框中画出实验电路图.

(3)某次测量中,电流表、电压表的示数如下图所示,则流过电流表的电流是 A,由图中电流表、电压表的读数可计算出金属丝的电阻为 Ω(计算结果保留2位有效数字).

(1)C、D、F;(2)电路图如图;(3)0.46;5.2;

【解析】

试题分析:(1)因为电路中可能出现的最大电流为:,故实验时应选用的电流表是C,电压表是D,滑动变阻器选择与待测电阻阻值相当的,故滑动变阻器选择阻值较小的F.(2)电路如图;

(3)电流表的读数为0.46A;电压表读数2.4V,故

考点:伏安法测电阻.

练习册系列答案
相关习题

科目:高中物理 来源:2014-2015学年北京东城区示范校高三上期综合能力测试物理卷(解析版) 题型:计算题

(10分)如图所示,粘有小泥块的小球用长的细绳系于悬点O,小球静止时距水平地面的高度为h。现将小球向左拉偏一角度,使其从静止开始运动。当小球运动到最低点时,泥块恰好从小球上脱落。已知小球质量为M,泥块质量为m,且小球和泥块均可视为质点。求:

(1)小球运动到最低点泥块刚要脱落时,小球和泥块运动的速度大小;

(2)泥块脱落至落地在空中飞行的水平距离s;

(3)泥块脱离小球后的瞬间小球受到绳的拉力为多大?

查看答案和解析>>

科目:高中物理 来源:2014-2015学年江西临川市高一上期期末考试物理卷(解析版) 题型:选择题

下列说法正确的是( )

A.平均速度的大小就是平均速率

B.如果物体受到摩擦力作用,那么物体一定也受到弹力作用

C.当物体受到20N、25 N、30 N的三个共点力作用时,物体可能处于平衡状态

D.表明了加速度的物理意义,体现了决定加速度的因素

查看答案和解析>>

科目:高中物理 来源:2014-2015学年江西临川第一中学高二上期期末考试物理卷(解析版) 题型:选择题

平行板电容器C与三个可变电阻器R1、R2、R3以及电源(内阻不可忽略)连成如图所示的电路。闭合开关S待电路稳定后,电容器C两极板带有一定的电荷。要使电容器所带电荷量增加,以下方法中可行的是()

A.只增大R1,其他不变

B.只增大R2,其他不变

C.只减小R3,其他不变

D.只减小a、b两极板间的距离,其他不变

查看答案和解析>>

科目:高中物理 来源:2014-2015学年江西临川第一中学高二上期期末考试物理卷(解析版) 题型:选择题

下列关于机械振动和机械波说法正确的是( )

A.简谐波一定是横波,波上的质点均做简谐运动

B.两个完全相同的振源产生的波相遇时,振动振幅最大的质点是发生了共振

C.在平直公路上一辆警车鸣着笛匀速驶过一站在路边的观察者,警车发出的笛声频率恒定,观察者听到的笛声频率先逐渐变小,后逐渐变大

D.可闻声波比超声波更容易发生明显的衍射,是因为可闻声波的波长比超声波的波长更长

查看答案和解析>>

科目:高中物理 来源:2014-2015学年广东省肇庆市高二上学期期末考试物理卷(解析版) 题型:选择题

在下列基本逻辑电路的输入端都输入“1”,输出端是“1”的是

A.甲 B.乙 C.丙 D.甲乙丙均不能输出“1”

查看答案和解析>>

科目:高中物理 来源:2014-2015学年广东汕头东厦中学高一上期期末考试物理卷(解析版) 题型:计算题

如图所示,固定不动的足够长斜面倾角θ=37°,一个物体以v0=12 m/s的初速度,从斜面A点处开始自行沿斜面向上运动,加速度大小为a=8.0 m/s2。

(g=10 m/s2,sin 37°=0.6,cos 37°=0.8)求:

(1)物体沿斜面上升的最大距离;

(2)画出物体沿斜面上升的受力分析图,求出物体与斜面间动摩擦因数;

(3)据条件判断物体上升到最高点后能否返回?若能,求返回时的加速度。

查看答案和解析>>

科目:高中物理 来源:2014-2015学年广东汕头东厦中学高一上期期末考试物理卷(解析版) 题型:选择题

以下说法正确的是( )

A.当物体的大小和形状对研究的问题没有影响或影响可以忽略时,可看成质点

B.广州出租汽车的起步价是10.00元/3公里,其中的“3公里”指的是位移

C.只要速度的大小保持不变,物体做的就是匀速直线运动

D.伽利略通过理想斜面的实验总结出牛顿第一定律

查看答案和解析>>

科目:高中物理 来源:2014-2015学年北京市东城区高三上学期期末教学统一检测物理卷(解析版) 题型:实验题

(6分)实验小组的同学做“用单摆测重力加速度”的实验。

(1)实验前他们根据单摆周期公式导出了重力加速度的表达式,其中L表示摆长,T表示周期。对于此式的理解,四位同学说出了自己的观点:

同学甲:T一定时,g与L成正比 同学乙:L一定时,g与T2成反比

同学丙:L变化时,T2是不变的 同学丁:L变化时,L与T2的比值是定值

其中观点正确的是同学 (选填“甲”、 “乙”、“丙”、“丁”)。

(2)实验室有如下器材可供选用:

A.长约1 m的细线

B.长约1 m的橡皮绳

C.直径约2 cm的均匀铁球

D.直径约5cm的均匀木球

E.秒表

F.时钟

G.最小刻度为毫米的米尺

实验小组的同学选用了最小刻度为毫米的米尺,他们还需要从上述器材中选择: (填写器材前面的字母)。

(3)他们将符合实验要求的单摆悬挂在铁架台上,将其上端固定,下端自由下垂(如图所示)。用刻度尺测量悬点到 之间的距离记为单摆的摆长L。

(4)在小球平稳摆动后,他们记录小球完成n次全振动的总时间t,则单摆的周期T= 。

(5)如果实验得到的结果是g=10.29m/s2,比当地的重力加速度值大,分析可能是哪些不当的实际操作造成这种结果,并写出其中一种: 。

查看答案和解析>>

同步练习册答案