精英家教网 > 高中物理 > 题目详情

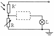
由某门电路构成的一简单控制电路如图所示,其中为光敏电阻,光照时电阻很小,R为变阻器,L为小灯泡.其工作情况是:当光敏电阻受到光照时,小灯L不亮,不受光照时,小灯L亮.

(1)请在电路中虚线框内画出该门电路符号;

(2)该门电路是_________.(填与门、或门、非门)

答案:非门
解析:

有光照射时,光敏电阻小,在输入端出现高电位,灯不亮.不受光照射时,光敏电阻大,在输入端出现低电位,灯亮.门电路应是“非门”.


练习册系列答案
相关习题

科目:高中物理 来源: 题型:

(2006?上海二模)由某门电路构成的一简单控制电路如图,其中R′为光敏电阻,光照时电阻很小,R为变阻器,L为小灯泡.其工作情况是:当光敏电阻受到光照时,小灯L不亮,不受光照时,小灯L亮.请在电路中虚线框内画出该门电路符号,该门电路是
非门
非门

查看答案和解析>>

科目:高中物理 来源: 题型:

(2008?浦东新区模拟)由某门电路构成的一简单控制电路如图,其中R′为光敏电阻,光照时电阻很小,R为变阻器,L为小灯泡.其工作情况是:当光敏电阻受到光照时,小灯L不亮,不受光照时,小灯L亮.该门电路是
非门
非门
;符号是

查看答案和解析>>

科目:高中物理 来源:浦东新区模拟 题型:问答题

由某门电路构成的一简单控制电路如图,其中R′为光敏电阻,光照时电阻很小,R为变阻器,L为小灯泡.其工作情况是:当光敏电阻受到光照时,小灯L不亮,不受光照时,小灯L亮.该门电路是______;符号是______.
精英家教网

查看答案和解析>>

科目:高中物理 来源:2004-2005学年上海市南汇区高三(上)期末物理试卷(试点校)(解析版) 题型:填空题

由某门电路构成的一简单控制电路如图,其中R′为光敏电阻,光照时电阻很小,R为变阻器,L为小灯泡.其工作情况是:当光敏电阻受到光照时,小灯L不亮,不受光照时,小灯L亮.请在电路中虚线框内画出该门电路符号,该门电路是   

查看答案和解析>>

科目:高中物理 来源:2008年上海市浦东新区高考物理模拟试卷(解析版) 题型:填空题

由某门电路构成的一简单控制电路如图,其中R′为光敏电阻,光照时电阻很小,R为变阻器,L为小灯泡.其工作情况是:当光敏电阻受到光照时,小灯L不亮,不受光照时,小灯L亮.该门电路是    ;符号是   

查看答案和解析>>

同步练习册答案