精英家教网 > 高中物理 > 题目详情
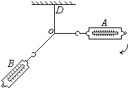
如图所示,用两个弹簧秤A和B,互成角度地拉橡皮条,使结点O达到图中所示位置,在保持O点位置和B弹簧秤拉力方向不变的情况下,将弹簧秤A缓慢地沿顺时针方向转动,那么在此时程中,A与B的示数将分别 (  )
分析:点0受到三个拉力,处于平衡状态,其中橡皮条长度不变,其拉力大小不变,OB弹簧拉力方向不变,OA弹簧拉力方向和大小都改变,根据平行四边形定则作图分析即可.
解答:解:对点0受力分析,受到两个弹簧的拉力和橡皮条的拉力,如图,其中橡皮条长度不变,其拉力大小不变,
OB弹簧拉力方向不变,OA弹簧拉力方向和大小都改变
根据平行四边形定则可以看出A的读数先变小后变大,B的读数不断变小;
故选C.
点评:本题是三力平衡问题中的动态分析问题,关键受力分析后,作出示意图,然后运用力的平行四边形定则进行分析讨论.
练习册系列答案
相关习题

科目:高中物理 来源: 题型:

如图所示是用两把弹簧测力计的拉力替代一把弹簧测力计拉力的实验,已知弹簧的劲度系数为5000N/m;当用一把弹簧测力计A拉弹簧时,弹簧伸长了2mm,然后用两把弹簧测力计B、C等效替代弹簧测力计A的作用,那么
(1)两个弹簧测力计B、C拉力的合力为
10
10
N
(2)如果使弹簧D仍伸长2mm,两把弹簧测力计B、C的夹角变为120°且读数相同,则弹簧测力计读数为
10
10
N.

查看答案和解析>>

科目:高中物理 来源: 题型:

(2007?茂名一模)如图所示,用两个一样的弹簧测力计吊着一根铜棒,铜棒所在的虚线范围内有垂直纸面的匀强磁场,棒中通以自左向右的电流,当棒静止时,弹簧测力计的读数之和为F1;若将棒中的电流反向,当棒静止时,弹簧测力计的示数之和为F2,且F2>F1,根据这两个数据,可以确定(  )

查看答案和解析>>

科目:高中物理 来源: 题型:

精英家教网如图所示,用两个弹簧测力计同时作用在水平橡皮筋上,使之沿水平方向伸长到一定长度;改用一个弹簧测力计拉该橡皮筋,使之沿水平方向伸长到相同长度.下列说法正确的是(  )
A、F是F1、F2的合力B、F1、F2是F的分力C、若保持(甲)中的橡皮筋在图示位置,可以只改变图中F1的大小,F1的方向和F2的大小和方向均保持不变D、若保持(甲)中的橡皮筋在图示位置,可以只改变图中F2的大小,F2的方向和F1的大小和方向均保持不变

查看答案和解析>>

科目:高中物理 来源:2008-2009学年广东省广州市培正中学高一(上)期末物理试卷(解析版) 题型:解答题

如图所示是用两把弹簧测力计的拉力替代一把弹簧测力计拉力的实验,已知弹簧的劲度系数为5000N/m;当用一把弹簧测力计A拉弹簧时,弹簧伸长了2mm,然后用两把弹簧测力计B、C等效替代弹簧测力计A的作用,那么
(1)两个弹簧测力计B、C拉力的合力为______N
(2)如果使弹簧D仍伸长2mm,两把弹簧测力计B、C的夹角变为120°且读数相同,则弹簧测力计读数为______N.

查看答案和解析>>

科目:高中物理 来源: 题型:

如图所示,用两个弹簧测力计同时作用在水平橡皮筋上,使之沿水平方向伸长到一定长度;改用一个弹簧测力计拉该橡皮筋,使之沿水平方向伸长到相同长度.下列说法正确的是

  A.FF1F2的合力

B.F1F2F的分力

C.若保持(甲)中的橡皮筋在图示位置,可以只改变图中F1的大小,F1的方向和F2的大小和方向均保持不变

D.若保持(甲)中的橡皮筋在图示位置,可以只改变图中F2的大小,F2的方向和F1的大小和方向均保持不变

查看答案和解析>>

同步练习册答案