精英家教网 > 高中物理 > 题目详情

某同学要测量一待测电阻Rx的阻值,备选器材如下:

电流表A,量程为50mA,内阻r=30Ω; 电压表V1,量程为3 V,内阻约为2 kΩ;

电压表V2,量程为15 V,内阻约为4.5kΩ;待测电阻Rx,阻值约为20Ω;

定值电阻R0,阻值为10.0Ω; 滑动变阻器R1。最大阻值为20Ω;

滑动变阻器R2,最大阻值为200Ω; 电源E,电动势为4V,内阻忽略不计;

开关S,导线若干.

实验中要求电表的读数超出量程的,能测多组数据,并有尽可能高的测量精确度.

(1)该实验中电压表应选用 ,滑动变阻器应选用 ;

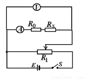
(2)在下面的方框中画出实验电路图,标明仪器代号;

(3)如果在实验中,电压表的示数为U时,电流表的示数为I,则待测电阻Rx的阻值表达式为____________.

 

(1)V1 R1 (2)如图 (3)

【解析】

试题分析:(1)题中要求电表读数要超出量程的,故电压表选V1;经分析可知应选择滑动变阻器分压式接法,故选择R1,电流表内阻已知,当电压表和电流表同时接近满偏时,总电阻为60Ω,故电路如图所示;由欧姆定律知,待测电阻为

考点:电学实验

 

练习册系列答案
相关习题

科目:高中物理 来源:2013-2014学年河南省濮阳市高三第二次模拟考试物理试卷(解析版) 题型:计算题

如右图示是一透明的圆柱体的横截面,其半径R=20 cm,折射率为,AB是一条直径。今有一束平行光沿AB方向射向圆柱体,试求:距离直线AB多远的入射光线,折射后恰经过B点?

 

 

查看答案和解析>>

科目:高中物理 来源:2013-2014学年河南省洛阳市高三下学期统考(二练)物理试卷(解析版) 题型:选择题

如图所示,在平面直角坐标系中有一个垂直纸面向里的圆形匀强磁场,其边界过原点O和y轴上的点a(0,L)。一质量为m、电荷量为e的电子从a点以初速度v0平行于x轴正方向射入磁场,并从x轴上的b点射出磁场,此时速度的方向与x轴正方向的夹角为60°.下列说法正确的是

A.电子在磁场中运动的时间为

B.电子在磁场中运动的时间为

C.磁场区域的圆心坐标为(

D.电子在磁场中做圆周运动的圆心坐标为(0,-2L)

 

查看答案和解析>>

科目:高中物理 来源:2013-2014学年河南省商丘市高三第三次模拟理科综合能力考试物理试卷(解析版) 题型:实验题

测量小物块Q与平板P之间的动摩擦因数的实验装置如图所示。AB是半径足够大的光滑四分之一圆弧轨道,与水平固定放置的P板的下表而BC在B点相切,C点在水平地而的垂直投影为C′,重力加速度大小为g。实验步骤如下:

①用天平称出物块Q的质量m;

②测量出轨道AB的半径R、BC的长度L和CC′的长度h:

③将物块Q在A点从静止释放,在物块Q落地处标记其落点D;

④重复步骤③,共做10次;

⑤将10个落地点用一个尽量小的圆围住,用米尺测量圆心到C′的距离用实验中的测量量表示:

(1)物块Q到达B点时的动能EkB= ;

(2)物块Q到达C点时的动能EkC= ;

(3)物块Q与平板P之间的动摩擦因数

 

查看答案和解析>>

科目:高中物理 来源:2013-2014学年河南省商丘市高三第三次模拟理科综合能力考试物理试卷(解析版) 题型:选择题

目前,在地球周围有许多人造地球卫星绕着它运转,其中一些卫星的轨道可近似为圆,且轨道半径逐渐变小。若卫星在轨道半径逐渐变小的过程中,只受到地球引力和稀薄气体阻力的作用,则下列判断不正确的是

A.由于地球引力做正功引力势能一定减小

B.卫星克服气体阻力做的功小于引力势能的减小

C.卫星的动能逐渐减小

D.气体阻力做负功,地球引力做正功,但机械能减小

 

查看答案和解析>>

科目:高中物理 来源:2013-2014学年河南省高三12月月考物理试卷(解析版) 题型:选择题

传感器是一种采集信息的重要器件,如图所示为一种测定压力的电容式传感器。当待测压力F作用于可动膜片电极上时,以下说法中正确的是 

A.若F向上压膜片电极,电路中有从a到b的电流

B.若F向上压膜片电极,电路中有从b到a的电流

C.若F向上压膜片电极,电路中不会出现电流

D.若电流表有示数,则说明压力F发生变化

 

查看答案和解析>>

科目:高中物理 来源:2013-2014学年河南省高三12月月考物理试卷(解析版) 题型:选择题

如图所示,一个小球质量为m,初始时静止在光滑的轨道上,现以水平力击打小球,使小球能够通过半径为R的竖直光滑轨道的最高点C,则水平力对小球所做的功至少为

A.mgR B.2mgR  C.2.5mgR D.3mgR

 

查看答案和解析>>

科目:高中物理 来源:2013-2014学年江西鹰潭市高三第二次模拟考试理综物理试卷(解析版) 题型:选择题

如图所示,斜面上有a、b、c、d、e五个点,ab=bc=cd=de,从a点以初速度v0水平抛出一个小球,它落在斜面上的b点,速度方向与斜面之间的夹角为θ。若小球从 a 点以2v0速度水平抛出,不计空气阻力,则下列判断正确的是( )

A.小球将落在c点与d点之间

B.小球将落在e点

C.小球落在斜面的速度方向与斜面的夹角大于θ

D.小球落在斜面的速度方向与斜面的夹角等于θ

 

查看答案和解析>>

科目:高中物理 来源:2013-2014学年江西省抚州五校高三5月联考理综物理试卷(解析版) 题型:选择题

在物理学发展的过程中,有许多伟大的科学家做出了突出贡献。关于科学家和他们的贡献,下列说法正确的是( )

A.德国天文学家开普勒对他导师第谷观测的行星数据进行多年研究,得出了万有引力定律

B.英国物理学家焦耳在热学、电磁学等方面做出了杰出贡献,成功地发现了焦耳定律

C.英国物理学家卡文迪许利用卡文迪许扭秤首先较准确的测定了静电力常量

D.古希腊学者亚里士多德认为物体下落快慢由它们的重量决定,牛顿利用逻辑推断使亚里士多德的理论陷入了困境

 

查看答案和解析>>

同步练习册答案