精英家教网 > 高中物理 > 题目详情

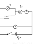
如图所示,电源电动势为E,内阻为r,不计电压表和电流表内阻对电路的影响,当电键闭合后,两小灯泡均能发光。在将滑动变阻器的触片逐渐向右滑动的过程中,下列说法正确的是

A.小灯泡L1、L2均变暗

B.小灯泡L1变亮,小灯泡L2变暗

C.电流表A的读数变小,电压表V的读数变大

D.电流表A的读数变大,电压表V的读数变小

 

【答案】

BC

【解析】

试题分析:滑动变阻器的滑片向右移动时,接入电路的阻值变大,所以电路中的外电阻R变大,由闭合电路的欧姆定律可知电路中总电流减小,即电流表示数减小,灯泡L2两端的电压变小,其亮度变暗,由路端电压可知电压表示数变大,根据部分电路的欧姆定律的可知灯泡L1两端的电压变大,其亮度变亮,由以上分析可知选项BC正确.

考点:本题考查了电路的动态分析,要从滑动变阻器的阻值变化入手,遵从先部分再整体后部分的思路分析,主要利用闭合电路的欧姆定律和部分电路的欧姆定律解答.

 

练习册系列答案
相关习题

科目:高中物理 来源: 题型:

(2011?静安区一模)如图所示,电源电动势E=50V,内阻r=1Ω,R1=30Ω,R2=60Ω.间距d=0.2m的两平行金属板M、N水平放置,闭合开关S,板间电场视为匀强电场.板间竖直放置一根长也为d的光滑绝缘细杆AB,有一个穿过细杆的带电小球p,质量为m=1×10-2kg、电荷量为q=+1×10-3C(可视为点电荷,不影响电场的分布),现将小球p从杆的顶端A处由静止释放,小球p沿杆向下运动到杆的中点O时,速度为v=2m/s.求:
(1)AO两点间的电势差UAO
(2)滑动变阻器接入电路的阻值为Rx

查看答案和解析>>

科目:高中物理 来源: 题型:

如图所示,电源电动势为E,内电阻为r.当滑动变阻器的触片P从右端滑到左端时,发现电压表V1、V2示数变化的绝对值分别为△U1和△U2,下列说法中正确的是(  )

查看答案和解析>>

科目:高中物理 来源: 题型:

如图所示,电源电动势为E,内电阻为r.两电压表可看作是理想电表,当闭合开关,将滑动变阻器的触片由右端向左滑动时,下列说法中正确的是(  )

查看答案和解析>>

科目:高中物理 来源: 题型:

精英家教网如图所示,电源电动势为E,内电阻为r,L为小灯泡(其灯丝电阻可视为不变),R1和R2为定值电阻,R3为光敏电阻,其阻值的大小随照射光强度的增强而减小.闭合开关S后,将照射光强度增强,则(  )
A、电路的路端电压将增大B、灯泡L将变暗C、R1两端的电压将增大D、内阻r上发热的功率将增大

查看答案和解析>>

科目:高中物理 来源: 题型:

精英家教网如图所示,电源电动势为E,内电阻为r,当滑动变阻器的触片P从右端滑到左端时,发现电压表V1、V2示数为U1、U2,示数变化的绝对值分别为△U1和△U2,电流表的示数为I,电流表示数变化的绝对值为△I,下列说法中正确的是(  )
A、小灯泡L1、L2变暗,L3变亮
B、小灯泡L3变暗,L1、L2变亮
C、△U1<△U2
D、
U1
△I
不变,
U2
△I
不变

查看答案和解析>>

同步练习册答案