如图所示,固定的水平长直导线中通有向右电流I,闭合的矩形线框与导线在同一竖直平面内,且一边与导线平行.线框由静止释放,在下落过程中( )
![]()
| A.穿过线框的磁通量保持不变 |
| B.线框所受安培力的合力为零 |
| C.线框中产生顺时针方向的感应电流 |
| D.线框的机械能不断增大 |
科目:高中物理 来源: 题型:
某游乐场过山车模型简化为如图5-3-19所示,光滑的过山车轨道位于竖直平面内,该轨道由一段斜轨道和与之相切的圆形轨道连接而成,圆形轨道的半径为R.可视为质点的过山车从斜轨道上某处由静止开始下滑,然后沿圆形轨道运动.
(1)若要求过山车能通过圆形轨道最高点,则过山车初始位置相对于圆形轨道底部的高度h至少要多少?
(2)考虑到游客的安全,要求全过程游客受到的支持力不超过自身重力的7倍,过山车初始位置相对于圆形轨道底部的高度h不得超过多少?
![]()
查看答案和解析>>
科目:高中物理 来源: 题型:
如图所示PQ、MN为足够长的两平行金属导轨,它们之间连接一个阻值
的电阻;导轨间距为
,电阻
,长约
的均匀金属杆水平放置在导轨上,它与导轨的滑动摩擦因数
,导轨平面的倾角为
在垂直导轨平面方向有匀强磁场,磁感应强度为
,今让金属杆AB由静止开始下滑从杆静止开始到杆AB恰好匀速运动的过程中经过杆的电量
,求:
(1)当AB下滑速度为
时加速度的大小;
(2)AB下滑的最大速度;
(3)从静止开始到AB匀速运动过程R上产生的热量.
查看答案和解析>>
科目:高中物理 来源: 题型:
如图所示,AOB是光滑水平轨道,BC是半径为R的l/4光滑圆弧轨道,两轨道恰好相切。质量为M的小木块静止在0点,一质量为m(m=M/9)的子弹以某一初速度水平向右射入小木块内不穿出,木块恰好滑到圆弧的最高点C处(子弹、小木块均可看成质点)。求:
①子弹射入木块之前的速度V0多大?
②若每当小木块在O点时,立即有相同的子弹以相同的速度V0射入小木块,并留在其中,则当第6颗子弹射入小木块后,小木块沿光滑圆弧上升的高度h是多少?
③若当第n颗子弹射入小木块后,小木块沿光滑圆弧能上升的最大高度为R/4,则n值是多少?
![]()
查看答案和解析>>
科目:高中物理 来源: 题型:
已知磁敏电阻在没有磁场时电阻很小,有磁场时电阻变大,并且磁场越强阻值越大.为探测磁场的有无,利用磁敏电阻作为传感器设计了如图所示电路,电源的电动势E和内阻r不变,在没有磁场时调节变阻器R使灯泡L正常发光.若探测装置从无磁场区进入强磁场区(灯泡不会烧坏),则 ( )
![]()
| A.灯泡L变亮 |
| B.灯泡L变暗 |
| C.电流表的示数变小 |
| D.电流表的示数变大 |
查看答案和解析>>
科目:高中物理 来源: 题型:
如图所示,M为理想变压器,电压表、电流表均可视为理想电表,接线柱a、b接在电压
的正弦交流电压,当滑动变阻器的滑片P向下滑动时,示数发生变化的是( )
![]()
| A.A1、A2 | B.A2、V2 |
| C.A1、V1 | D.A1、A2、V1、V2 |
查看答案和解析>>
科目:高中物理 来源: 题型:
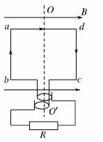
如图所示, N=50匝的矩形线圈abcd,边长ab="20" cm,ad="25" cm,放在磁感强度B="0.4" T的匀强磁场中,外力使线圈绕垂直于磁感线且通过线圈中线的OO′轴以n="3000" r/min的转速匀速转动,线圈电阻r="1" Ω,外电路电阻R="9" Ω,t=0,线圈平面与磁感线平行,ab边正好转出纸外、cd边转入纸里.
(1)在图中标出t=0时感应电流的方向;
(2)写出线圈感应电动势的瞬时表达式;
(3)线圈转一圈外力做功多大?
![]()
查看答案和解析>>
科目:高中物理 来源: 题型:
如图,匀强磁场垂直于软导线回路平面,由于磁场发生变化,回路变为圆形。则该磁场
(A)逐渐增强,方向向外(B)逐渐增强,方向向里
(C)逐渐减弱,方向向外(D)逐渐减弱,方向向里
![]()
查看答案和解析>>
科目:高中物理 来源: 题型:
如图,两根平行长直导线相距2L,通有大小相等、方向相同的恒定电流,a、b、c是导线所在平面内的三点,左侧导线与它们的距离分别为
、
和3
.关于这三点处的磁感应强度,下列判断正确的是
A.a处的磁感应强度大小比c处的大
B.b、c两处的磁感应强度大小相等
C.a、c两处的磁感应强度方向相同
D.b处的磁感应强度为零
![]()
查看答案和解析>>
湖北省互联网违法和不良信息举报平台 | 网上有害信息举报专区 | 电信诈骗举报专区 | 涉历史虚无主义有害信息举报专区 | 涉企侵权举报专区
违法和不良信息举报电话:027-86699610 举报邮箱:58377363@163.com