精英家教网 > 高中物理 > 题目详情
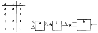
在铁路与公路的交叉路口,安装有自动控制的信号灯。当火车来的时候信号灯亮,火车过去时信号灯灭。下图是这种信号灯的控制电路图,S1、S2为两个光控开关,光照到时接通,没照到时断开,只有两个开关都接通时,信号灯才是灭的。请在方框内画出符合要求的门电路符号。
开关闭合时输入为高电势,灯亮时输出为高电势,所以开关闭合为“1”,断开为“0”,灯亮为“1”,灯灭为“0”,则此时门电路的真值表应如下,这是“与非”门真值表,所以框内应为下图
练习册系列答案
相关习题

科目:高中物理 来源: 题型:

一辆摩托车以v1=14m/s的速度在公路上匀速行驶,在离铁路与公路交叉路口s1=150m处,司机突然发现离交叉路口s2=200m处有一列长为l2=160m的火车以v2=20m/s的速度行驶过来,摩托车司机犹豫了1s后决定让火车先通过交叉路口,于是司机立刻使车做减速运动.求摩托车至少应以多大的加速度减速才可以确保安全?按此加速度减速摩托车通过交叉口的速度为多大?(忽略路的宽度)

查看答案和解析>>

科目:高中物理 来源: 题型:解答题

一辆摩托车以v1=14m/s的速度在公路上匀速行驶,在离铁路与公路交叉路口s1=150m处,司机突然发现离交叉路口s2=200m处有一列长为l2=160m的火车以v2=20m/s的速度行驶过来,摩托车司机犹豫了1s后决定让火车先通过交叉路口,于是司机立刻使车做减速运动.求摩托车至少应以多大的加速度减速才可以确保安全?按此加速度减速摩托车通过交叉口的速度为多大?(忽略路的宽度)

查看答案和解析>>

同步练习册答案