精英家教网 > 高中物理 > 题目详情
为了较为精确测量某一定值电阻的阻值,兴趣小组先用多用电表进行粗测,后用伏安法精确测量.现准备了以下器材:
A.多用电表                           B.电压表V1,量程6V,内阻约10kΩ
C.电压表V2,量程15V,内阻约20kΩ    D.电流表A1,量程O.6A,内阻约0.2Ω
E.电流表A2,量程3A,内阻约O.02Ω    F.电源:电动势E=9V
G.滑动变阻器R1,最大阻值10Ω,额定电流2A
H.导线、电键若干
(1)在用多用电表粗测时,该兴趣小组首先选用“×10”欧姆挡,此时欧姆表的指针位置如图甲所示,为了减小误差,多用电表的选择开关应换用______欧姆挡;按操作规程再次测量该待测电阻的阻值,此时欧姆表的指针位置如图乙所示,其读数是______Ω.
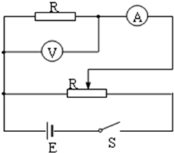
(2)在用伏安法精确测量时,要求待测电阻的电压从0开始连续调节,则要完成测量,应选择的器材是______ (填器材前面的字母代号),并在方框内画出实验电路图.

精英家教网
(1)因指针偏角过大,故说明所选量程过大,使读数偏小,故应换用小档位,使指针偏角在中间位置;故应选用×1档;按最上方刻度盘进行读数,由图可知,读数为9,则电阻为:9×1=9Ω;
故答案为:“×1”,9Ω.
(2)由题意可知电压表选择B,因要求待测电阻的电压从0开始可以连续调节,故滑动变阻器应采用分压接法,而分压接法中,滑动变阻器应选用小电阻,故滑动变阻器应选F;而电路中电流最大为1.3A,若采用3A量程电流表读数不准确;只能选用0.6A的电流表,这可以通过控制滑动变阻器控制电流使不超过0.6A即可,故需要器材为BDFGH,具体电路图如下所示:

精英家教网

故答案为:BDFGH,电路图如上所示.
练习册系列答案
相关习题

科目:高中物理 来源: 题型:

某研究性学习小组的成员要测量某一电阻Rx较精确的阻值,他们先用多用电表粗测电阻Rx,所用多用电表的欧姆挡有×1,×10,×100,×lk四挡,他们在第一次测量时用×100挡,调零后测量时发现左侧指针偏转角度太小,为了获得较为准确的测量值,他的正确的操作方法应该是换用
×lk
×lk
档,重新
调零
调零
再测量.

查看答案和解析>>

科目:高中物理 来源: 题型:阅读理解

(1)测量一只量程已知的电压表内阻,器材如下:
A.待测电压表V(量程3V,内阻未知)     B.电流表A(量程3A内阻0.01Ω)
C.定值电阻R0(阻值2kΩ额定电流50mA) E.多用电表
D.电池组E(电动势小于3V,内阻可忽略)  F.开关S1、S2
G.导线若干
有一同学利用上述所给的器材,进行如下实验操作:1用多用电表进行粗测:多用电表电阻挡有三个倍率,分别是×100Ω、×10Ω和×1Ω.该同学选择×10Ω倍率,用正确的操作方法测量,发现指针偏转角度太小.为了较准确地进行测量,应选用
×100Ω
×100Ω
倍率.若这时刻度盘上的指针位置如上图所示,那么测量结果大约是
3
3
kΩ.2为了更准确的测出此电压表内阻大小,该同学设计了甲、乙两实验电路.你认为其中较为合理的是
电路.3用你选择的电路进行实验时,用上述所测各量表示电压表内阻,其表达式为RV=
U2
U1-U2
R0
U2
U1-U2
R0

(2)移动电话已成为现代入及时便捷进行沟通的工具.但有时人们在需要联系时却发现电池没电的情况,因此研究高性能、大容量的超长待机的锂离子电池,是摆在移动电话制造商面前的重要课题.锂离子电池相当于一个直流电源,下图是某公司生产的型号为SGH-D508的移动电话的锂电池的铭牌.这种移动电话在正常待机时,流过电池的电流约为80mA,通话时电流约为150mA.某同学想比较精确的测出该锂电池的电动势和内阻,他通过查阅资料了解到一般锂电池的内阻在零点几欧到几欧之间.实验室备有以下器材:
A.电压表V1量程1.0V内阻未知;      B.电压表V2量程5.0V内阻未知;
C.电流表A1量程200mA内阻r1=2.0Ω; D.电流表A2量程0.6A内阻r2约为0.5Ω
E.滑动变阻器阻值变化范围为0~10Ω; F.滑动变阻器阻值变化范围为0~100Ω;
G.开关、导线(该导线可以与锂电池方便的连接)若干; H.学生电源
(1)为能较准确地测得电动势E和内阻r,除锂电池外,上述器材中应该选择
BCFG
BCFG
(填器材序号字母).
(2)实验中,当电流表读数为I1时,电压表读数为U1;当电流表读数为I2时,电压表读数为U2.则E和r的计算公式为:E=
U2I1-U1I2
I1-I2
U2I1-U1I2
I1-I2
;r=
U2-U1
I1-I2
U2-U1
I1-I2

查看答案和解析>>

科目:高中物理 来源: 题型:阅读理解

(1)光电计时器由光电门和计时器两部分组成,如图甲所示精英家教网,此装置能较精确地记录物体通过光电门所用的时间.现要用此装置来验证机械能守恒定律,有一小球从两光电门的正上方静止释放,如图乙所示.(已知当地重力加速度为g)
①实验中除了需要测量小球直径D和小球通过两光电门l、2的时间△t1和△t2外,还需测量
 
(所测物理量用字母表示并用文字说明).
②本实验需验证的关系式为
 
.(用上述已测物理量字母表示)
③为了减小实验误差,请你提出一条合理化的建议
 

(2)小明同学使用了以下器材测量某蓄电池的电动势E和内电阻r
A.待测的蓄电池(电动势约为2V)
B.电压表V(量程3V,内阻约为3kΩ)
C.电阻箱R(0~999.9Ω)精英家教网
D.定值电阻R0(R=2Ω)
E.开关S和导线若干
①由于待测蓄电池的内阻很小,当改变电阻箱的阻值,为保证电压表的示数变化较为明显,请在右图甲中用笔画线代替导线,将实验电路实物图连接完整.
②小明同学按其设计的实验电路正确操作,记录电阻箱的阻值和对应的电压表的读数U,计算出
U
R
的数值,得到多组数据并以为U为纵坐标,
U
R
为横坐标,将数据描在图乙所示的坐标纸上;请在图乙中完成U-
U
R
图线,利用图线求出蓄电池的电动势E=
 
V,内阻r=
 
Ω.
③若考虑电压表内阻对电动势测量结果的影响,则电动势的测量值E和真实值E的关系是E
 
E(填“大于”、“小于”或“等于”).

查看答案和解析>>

科目:高中物理 来源: 题型:

(2分)某研究性学习小组的成员要测量某一电阻Rx较精确的阻值,他们先用多用电表粗测电阻Rx,所用多用电表的欧姆挡有×1,×10,×100,×lk四挡,他们在第一次测量时用×100挡,调零后测量时发现指针偏转角度太小,为了获得较为准确的测量值,他的正确的操作方法应该是                              

查看答案和解析>>

科目:高中物理 来源: 题型:

某研究性学习小组的成员要测量某一电阻Rx较精确的阻值,他们先用多用电表粗测电阻Rx,所用多用电表的欧姆挡有×1,×10,×100,×lk四挡,他们在第一次测量时用×100挡,调零后测量时发现左侧指针偏转角度太小,为了获得较为准确的测量值,他的正确的操作方法应该是换用      档,重新       再测量。

查看答案和解析>>

同步练习册答案