精英家教网 > 高中物理 > 题目详情
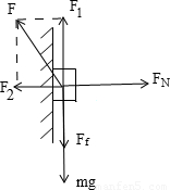
如图所示,质量为m的木块在推力F作用下,沿竖直墙壁匀加速向上运动,F与竖直方向的夹角为θ.已知木块与墙壁间的动摩擦因数为µ,则木块受到的滑动摩擦力大小是( )

A.µmg
B.Fcosθ-mg
C.Fcosθ+mg
D.µFsinθ
【答案】分析:对物体受力分析,求出物体对墙的压力的大小,根据Ff=μFN来计算物体受到的滑动摩擦力的大小.
解答:解:对物体受力分析并正交分解如图:
则:FN=F2=Fsinθ
滑动摩擦力的大小 Ff=μFN=μFsinθ
故D正确.
故选D
点评:本题的关键是对物体的受力分析,分析清楚物体的受力之后,根据滑动摩擦力的公式直接来计算即可.
练习册系列答案
相关习题

科目:高中物理 来源: 题型:

如图所示,质量为M的斜面放置于水平面上,其上有质量为m的小物块,各接触面均无摩擦力,第一次将水平力F1加在M上,第二次将F2加在m上,两次都要求m与M不发生相对滑动,则F1与F2的比为(  )

查看答案和解析>>

科目:高中物理 来源: 题型:

如图所示,质量为m的小球,距水平面高为2m时,速度的大小为4m/s,方向竖直向下,若球的运动中空气阻力的大小等于重力的0.1倍,与地面相碰的过程中不损失机械能,求:
(1)小球与地面相碰后上升的最大高度;
(2)小球从2m处开始到停下通过的路程?(取g=10m/s2.)

查看答案和解析>>

科目:高中物理 来源: 题型:

如图所示,质量为m的小球,从A点由静止开始加速下落,加速度大小为
g
3
,则下落至A点下方h处的B点时(以地面为参考面)(  )

查看答案和解析>>

科目:高中物理 来源: 题型:

如图所示,质量为M的人通过定滑轮将质量为m的重物以加速度a上提,重物上升过程,人保持静止.若绳与竖直方向夹角为θ,求:
(1)绳子对重物的拉力多大?
(2)人对地面的压力?

查看答案和解析>>

科目:高中物理 来源: 题型:

精英家教网如图所示,质量为M的楔形物块静止在水平地面上,其斜面的倾角为θ.斜面上有一质量为m的小物块,小物块与斜面之间存在摩擦.用恒力F沿斜面向上拉,使之匀速上滑.在小物块运动的过程中,楔形物块始终保持静止,则(  )
A、地面对楔形物块的支持力为(M+m)gB、地面对楔形物块的摩擦力为零C、楔形物块对小物块摩擦力可能为零D、小物块一定受到四个力作用

查看答案和解析>>

同步练习册答案